小度生活
首页
美食营养
手工爱好
生活家居
返回
小度生活
首页
美食营养
游戏数码
手工爱好
生活家居
健康养生
运动户外
职场理财
情感交际
母婴教育
时尚美容
知识问答
生活知识
搜索
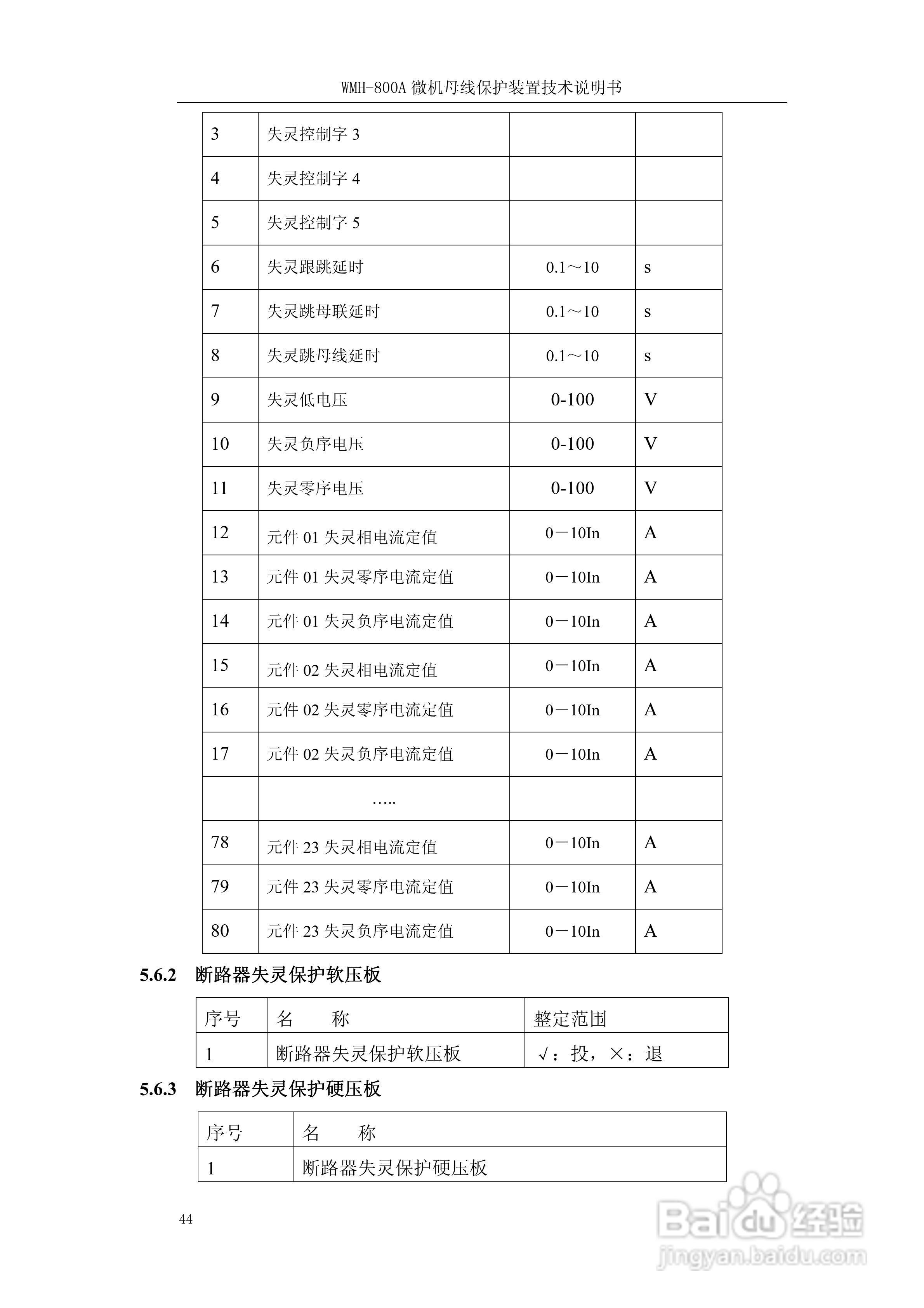
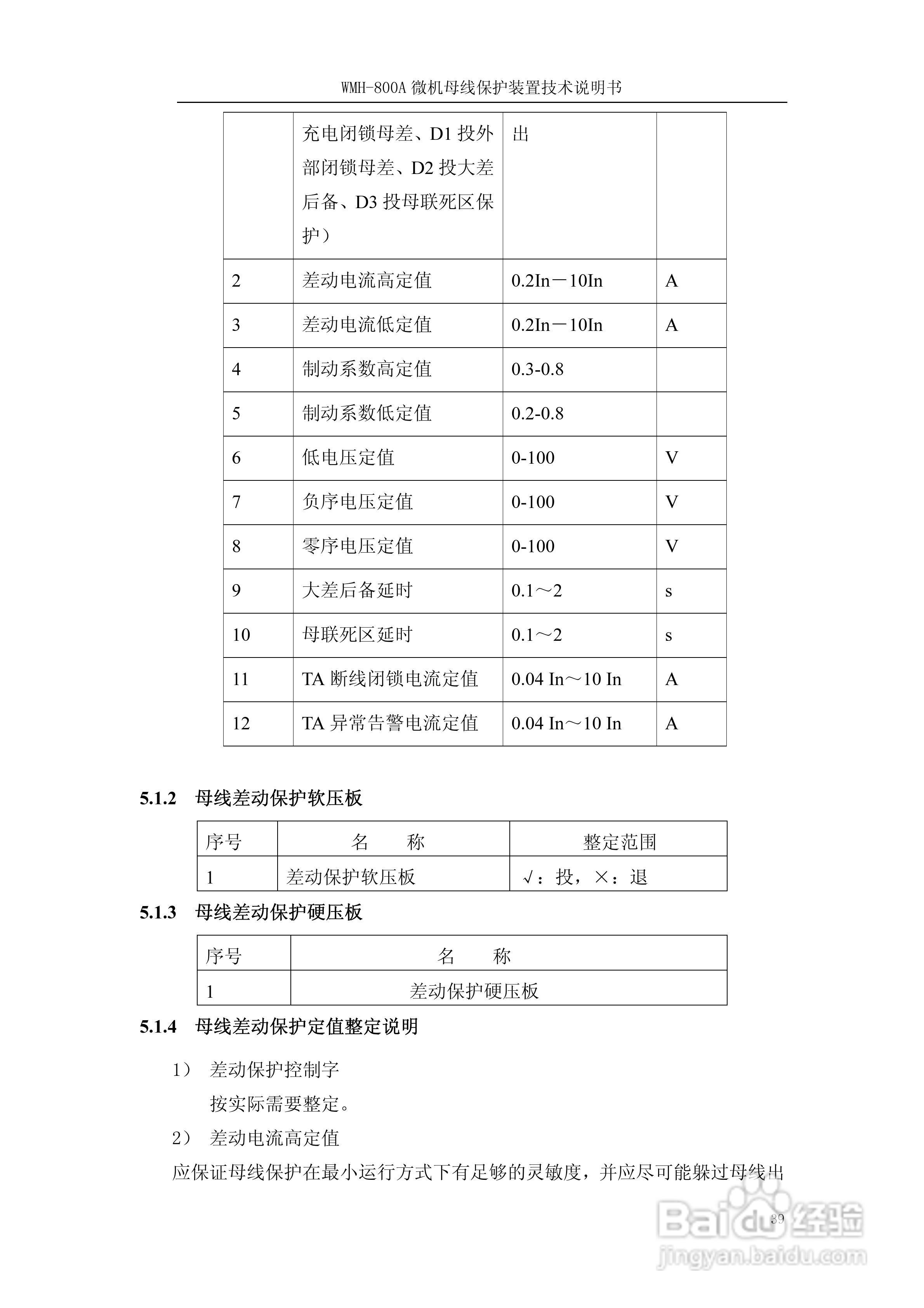
WMH-800A母线保护装置使用说明书:[5]
2025-10-08 09:56:00
本篇为《WMH-800A母线保护装置使用说明书》,主要介绍该产品的使用方法以及常见故障解决方案。
(共篇)
上一篇:
|
下一篇:
声明:
本网站引用、摘录或转载内容仅供网站访问者交流或参考,不代表本站立场,如存在版权或非法内容,请联系站长删除,联系邮箱:site.kefu@qq.com。
相关推荐
WMH-800A母线保护装置使用说明书:[4]
阅读量:149
RCS-915CD/CT型微机母线保护装置使用说明书:[5]
阅读量:152
BP-2C-D分布式母线保护装置技术说明书:[5]
阅读量:91
四方CSC-150数字式母线保护装置说明书:[5]
阅读量:97
南瑞RCS-915GD微机母线保护装置使用说明书:[2]
阅读量:173
猜你喜欢
show是什么意思英语
lol劫怎么玩
怎么下载歌曲到u盘里
怎么赠送qq会员
向往的生活第二季嘉宾
废柴道士的爆笑生活2
孩子早恋家长该怎么办
尿滴白怎么回事
sma是什么疾病
深圳红树林怎么去
猜你喜欢
健康生活方式
从零开始的异世界生活漫画
如何让自己哭出来
西瓜影音怎么用
信用卡积分怎么算
失业保险金如何计算
如何起卦
生活上
鸡肋是什么意思
梦见死人是什么预兆