小度生活
首页
美食营养
手工爱好
生活家居
返回
小度生活
首页
美食营养
游戏数码
手工爱好
生活家居
健康养生
运动户外
职场理财
情感交际
母婴教育
时尚美容
知识问答
生活知识
生活百科
搜索
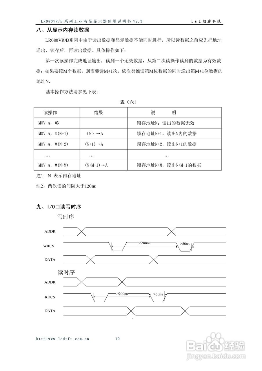
LR080VR/B系列彩色液晶显示器使用说明书:[2]
2026-03-25 11:41:21
(共篇)
上一篇:
|
下一篇:
声明:
本网站引用、摘录或转载内容仅供网站访问者交流或参考,不代表本站立场,如存在版权或非法内容,请联系站长删除,联系邮箱:site.kefu@qq.com。
相关推荐
LR080VR/B系列彩色液晶显示器使用说明书:[1]
阅读量:131
学习HTGK-IV高压开关动特性测试仪的参数性能
阅读量:188
ZFV智能感应器说明书:[3]
阅读量:129
柯达Zi6数码相机使用说明书
阅读量:51
QL214-AU 远程多功能电话控制器使用说明
阅读量:167
猜你喜欢
教师节是什么时候
货比三家是什么意思
completely是什么意思
产妇能吃什么水果
穿刺是什么
马铃薯是什么
梦见自己怀孕是什么意思
h.m是什么牌子
血压低是什么原因导致的
dirty是什么意思
猜你喜欢
月球是什么星
败血症是什么
勾稽关系是什么意思
和平精英是什么游戏
皂角刺能治什么病
xxoo是什么
欧派是什么
什么是石英表
不假思索的意思是什么
干眼症用什么眼药水