小度生活
首页
美食营养
手工爱好
生活家居
返回
小度生活
首页
美食营养
游戏数码
手工爱好
生活家居
健康养生
运动户外
职场理财
情感交际
母婴教育
时尚美容
知识问答
生活知识
搜索
傲拓NA400可编程控制器硬件手册V1.8:[18]
2026-02-06 08:30:51
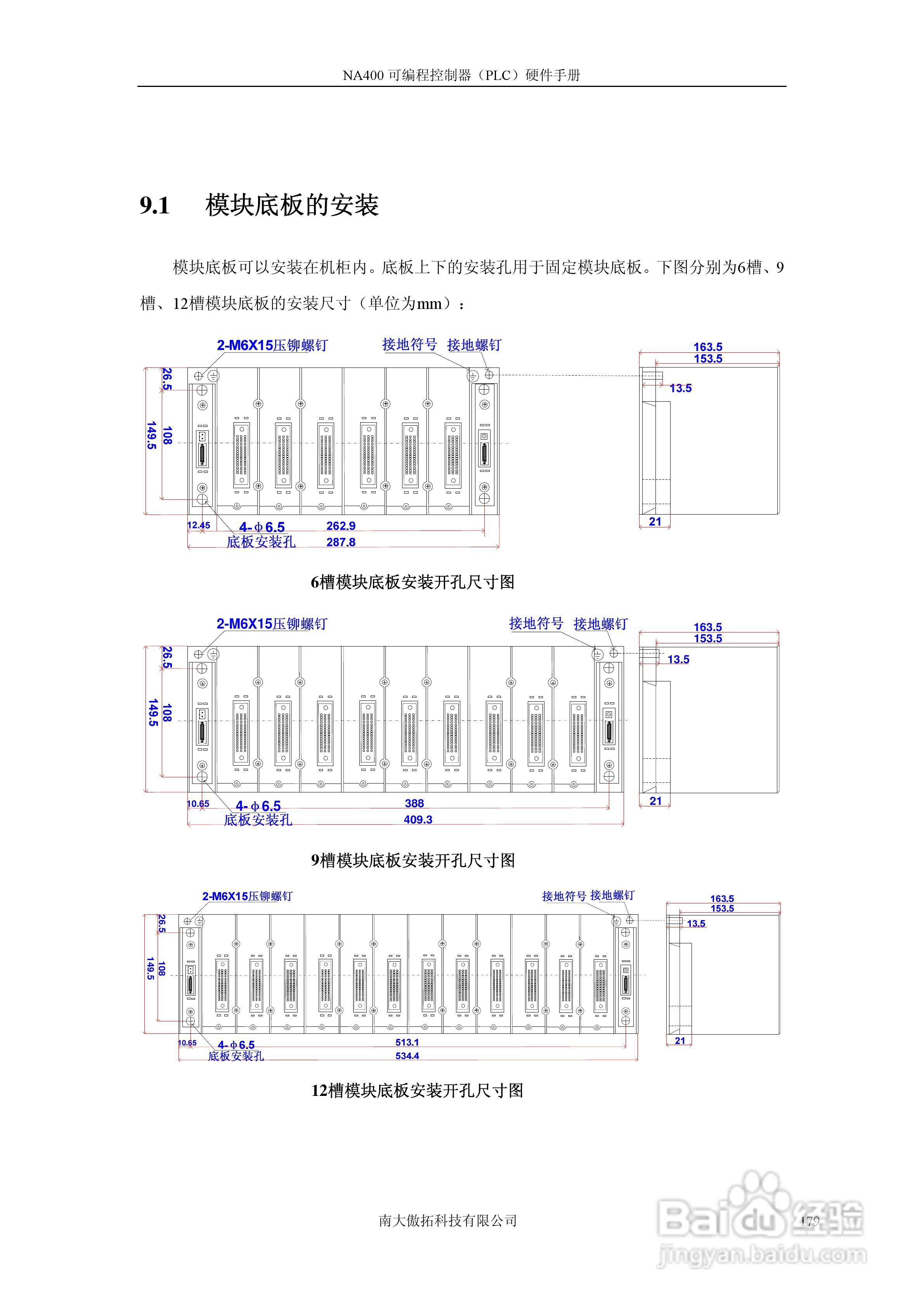
本篇为《傲拓NA400可编程控制器硬件手册V1.8》,主要介绍该产品的使用方法以及常见故障解决方案。
(共篇)
上一篇:
|
下一篇:
声明:
本网站引用、摘录或转载内容仅供网站访问者交流或参考,不代表本站立场,如存在版权或非法内容,请联系站长删除,联系邮箱:site.kefu@qq.com。
相关推荐
傲拓NA400可编程控制器硬件手册V1.8:[17]
阅读量:53
傲拓NA400可编程控制器硬件手册V1.8:[13]
阅读量:179
可编程控制器的硬件系统组成
阅读量:95
傲拓NA400可编程控制器硬件手册V1.8:[12]
阅读量:90
傲拓NA400可编程控制器硬件手册V1.8:[14]
阅读量:112
猜你喜欢
madam是什么意思
有过多少不眠的夜晚是什么歌
bbs是什么
的意思是什么
5g和4g有什么区别
什么的花朵
什么是梅毒
如什么如什么的成语
股癣用什么药最好
ptsd是什么意思
猜你喜欢
咚咚锵我的天灵灵是什么歌
沆瀣一气是什么意思
预科是什么
md5是什么
hm是什么牌子
by是什么意思
肌酐偏低是什么原因
2月12日是什么星座
什么是电子邮箱
懵懂是什么意思