小度生活
首页
美食营养
手工爱好
生活家居
返回
小度生活
首页
美食营养
游戏数码
手工爱好
生活家居
健康养生
运动户外
职场理财
情感交际
母婴教育
时尚美容
知识问答
生活知识
搜索
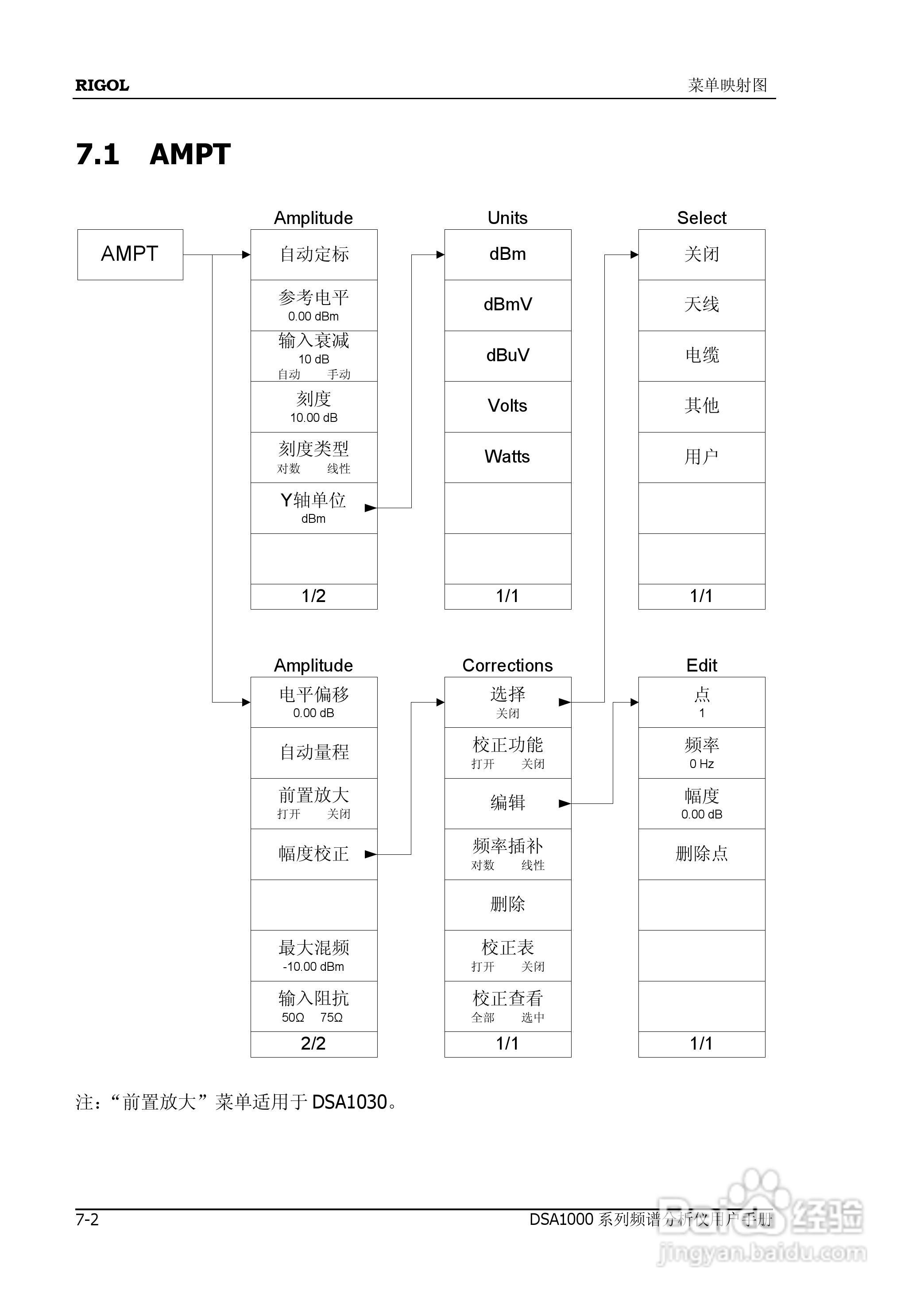
普源DSA1000系列频谱分析仪说明书:[24]
2025-12-28 12:15:10
本篇为《普源DSA1000系列频谱分析仪说明书》,主要介绍该产品的使用方法以及常见故障解决方案。
(共篇)
上一篇:
|
下一篇:
声明:
本网站引用、摘录或转载内容仅供网站访问者交流或参考,不代表本站立场,如存在版权或非法内容,请联系站长删除,联系邮箱:site.kefu@qq.com。
相关推荐
普源DSA1000系列频谱分析仪说明书:[22]
阅读量:47
普源DSA1000系列频谱分析仪说明书:[16]
阅读量:192
频谱分析仪维修维护保养的基本方法
阅读量:49
普源DSA1000系列频谱分析仪说明书:[13]
阅读量:35
普源DSA1000系列频谱分析仪说明书:[21]
阅读量:72
猜你喜欢
明月几时有把酒问青天是什么歌
usage是什么意思
点映是什么意思
心脏在什么位置
张冠李戴的意思是什么
初来乍到是什么意思
页岩油是什么
技校都有什么专业
乔迁之喜送什么
机车什么意思
猜你喜欢
34岁属什么
什么是词牌名
属龙的和什么属相最配
胸口痛是什么原因
车水马龙什么意思
824是什么意思
什么叫仙人跳
特殊的反义词是什么
月经量多是什么原因
gre是什么意思