小度生活
首页
美食营养
手工爱好
生活家居
返回
小度生活
首页
美食营养
游戏数码
手工爱好
生活家居
健康养生
运动户外
职场理财
情感交际
母婴教育
时尚美容
知识问答
生活知识
生活百科
搜索
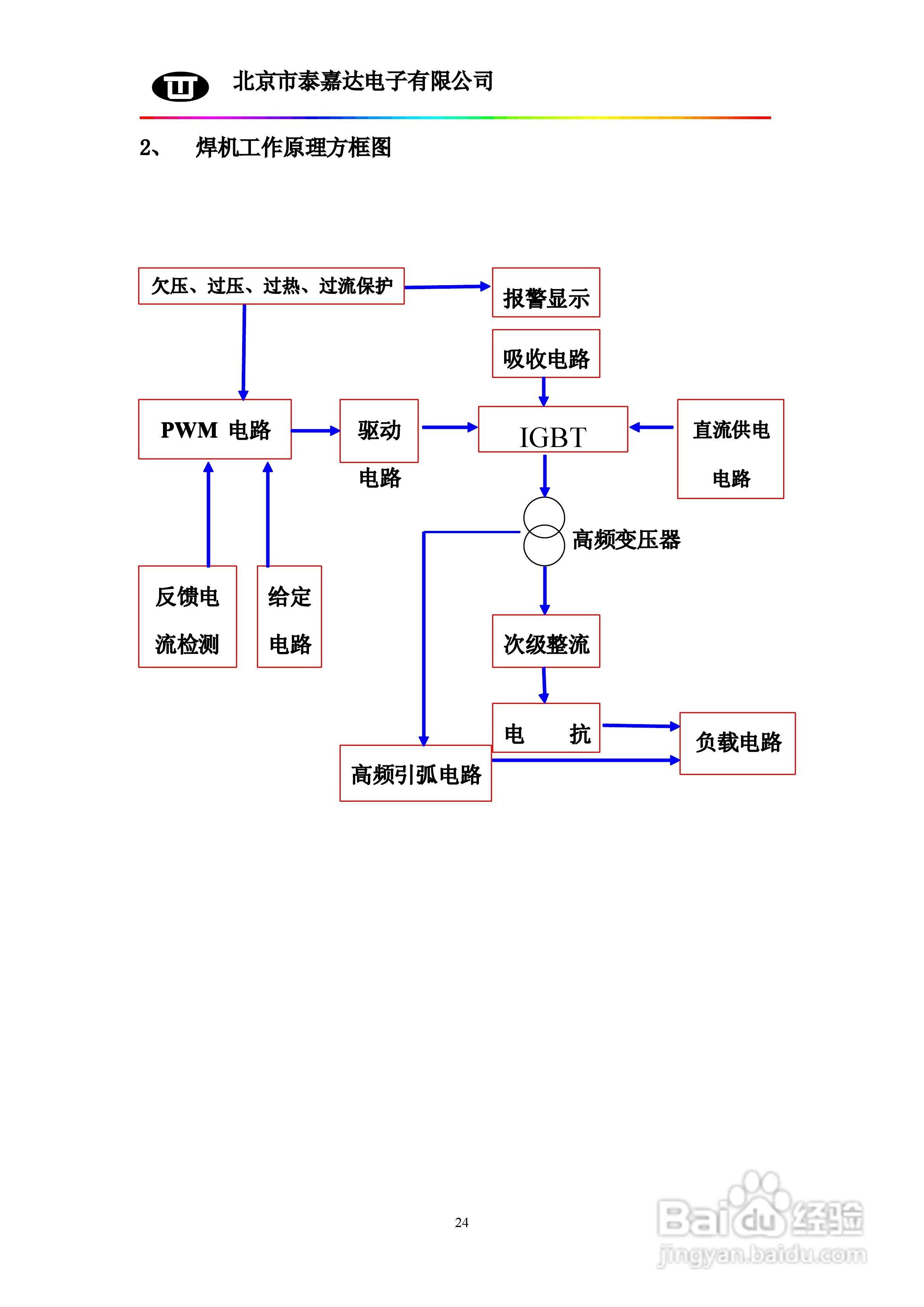
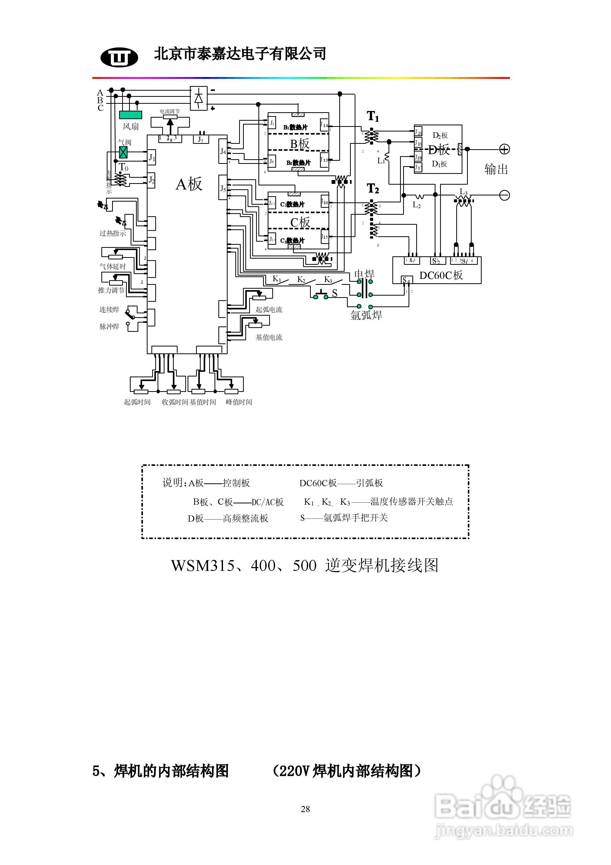
WSM160/200/315/400/500系列逆变直流脉冲氩弧焊机使用:[3]
2026-05-03 15:09:49
本篇为《WSM160/200/315/400/500系列逆变直流脉冲氩弧焊机使用》,主要介绍该产品的使用方法以及常见故障解决方案。
(共篇)
上一篇:
声明:
本网站引用、摘录或转载内容仅供网站访问者交流或参考,不代表本站立场,如存在版权或非法内容,请联系站长删除,联系邮箱:site.kefu@qq.com。
相关推荐
WSM160/200/315/400/500系列逆变直流脉冲氩弧焊机使用:[1]
阅读量:58
WSM-630P逆变直流脉冲氩弧焊机使用说明书:[1]
阅读量:158
怎样安装逆变式氩弧焊机
阅读量:99
氩弧焊机无高频维修
阅读量:35
焊王WSE315交/直流氩弧焊机使用说明书:[1]
阅读量:33
猜你喜欢
脸上长冻疮怎么办
淋巴结治疗方法
提出用英语怎么说
苹果酒的酿制方法
炸豆腐怎么做好吃
辨别方向的方法有哪些
血旺的家常做法
慢性荨麻疹怎么治
宫保鸡丁的做法家常菜
白条鸡怎么炖好吃
猜你喜欢
女性去湿气最快的方法
唯物辩证法的根本方法
让男人硬起来的方法
扁桃体发炎怎么办最简单的方法
微信零钱明细怎么删除
社会研究方法
烧茄子的家常做法视频
土豆怎么炒好吃
床怎么摆放风水好
鞋子臭味怎么去除