小度生活
首页
美食营养
手工爱好
生活家居
返回
小度生活
首页
美食营养
游戏数码
手工爱好
生活家居
健康养生
运动户外
职场理财
情感交际
母婴教育
时尚美容
知识问答
生活知识
生活百科
搜索
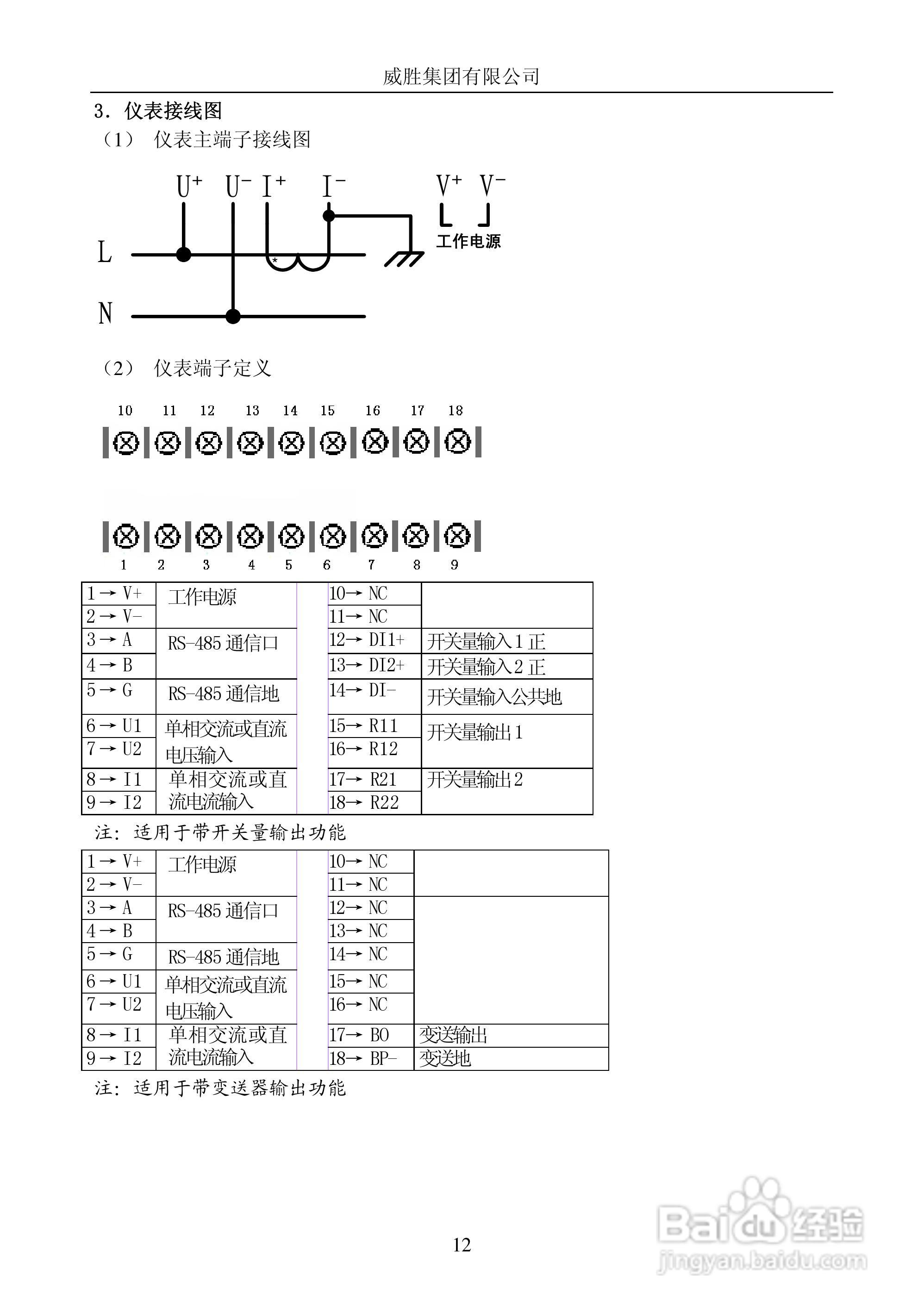
威胜PD1056/1P型单相电子式多功能电能表使用说明书:[2]
2026-04-23 23:21:54
本篇为《威胜PD1056/1P型单相电子式多功能电能表使用说明书》,主要介绍该产品的使用方法以及常见故障解决方案。
(共篇)
上一篇:
声明:
本网站引用、摘录或转载内容仅供网站访问者交流或参考,不代表本站立场,如存在版权或非法内容,请联系站长删除,联系邮箱:site.kefu@qq.com。
相关推荐
威胜PD1056/1P型单相电子式多功能电能表使用说明书:[1]
阅读量:78
威胜PD1056/1Q型单相电子式多功能电能表使用说明书:[2]
阅读量:162
威胜PD1056/1N型单相电子式多功能电能表使用说明书:[3]
阅读量:123
威胜PD1056/1N型单相电子式多功能电能表使用说明书:[1]
阅读量:196
威胜PD1056/1Q型单相电子式多功能电能表使用说明书:[1]
阅读量:86
猜你喜欢
逆战怎么卡枪
六月初六是什么节日
临时牌照过期怎么办
微信不能语音怎么回事
陀螺世界怎么玩
下横线用键盘怎么打
如何制作报表
如何挑选结婚钻戒
朱家角怎么去
嘀嘀打车怎么用
猜你喜欢
高考如何填报志愿
小公司如何做账
12340是什么电话
痔疮如何治疗
胎动频繁是怎么回事
做梦梦到自己怀孕了是什么意思
dnf天界怎么去
如何选床垫
长眼袋怎么消除
打印照片怎么设置