小度生活
首页
美食营养
手工爱好
生活家居
返回
小度生活
首页
美食营养
游戏数码
手工爱好
生活家居
健康养生
运动户外
职场理财
情感交际
母婴教育
时尚美容
知识问答
生活知识
生活百科
搜索
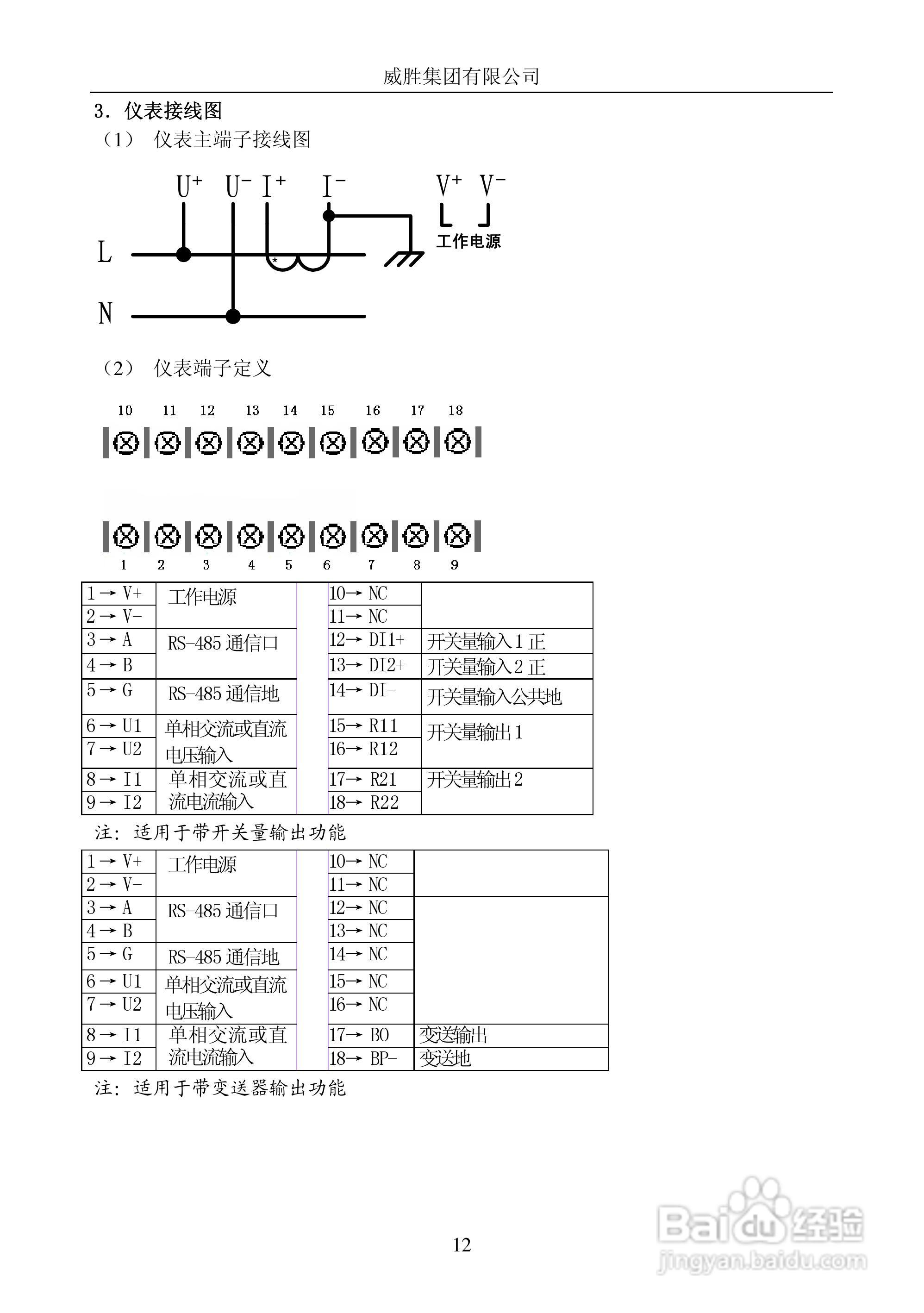
威胜PD1056/1Q型单相电子式多功能电能表使用说明书:[2]
2026-04-23 23:23:23
本篇为《威胜PD1056/1Q型单相电子式多功能电能表使用说明书》,主要介绍该产品的使用方法以及常见故障解决方案。
(共篇)
上一篇:
声明:
本网站引用、摘录或转载内容仅供网站访问者交流或参考,不代表本站立场,如存在版权或非法内容,请联系站长删除,联系邮箱:site.kefu@qq.com。
相关推荐
威胜PD1056/1Q型单相电子式多功能电能表使用说明书:[1]
阅读量:68
威胜PD1056/1N型单相电子式多功能电能表使用说明书:[2]
阅读量:55
威胜PD1056/1N型单相电子式多功能电能表使用说明书:[3]
阅读量:88
给大家分享个资源。QQ会员免费领取1Q币
阅读量:60
威胜PD1056/1P型单相电子式多功能电能表使用说明书:[1]
阅读量:181
猜你喜欢
memory是什么意思
金枝玉叶花的养殖方法和注意事项
沧海一粟是什么意思
央企和国企有什么区别
嘴唇上长泡是什么原因
肃然起敬什么意思
运动鞋尺码对照表
放纵是什么意思
量贩是什么意思
尿血是什么病引起的
猜你喜欢
2月14日是什么节日
garbage是什么意思
送女孩子什么礼物好
融资买入额是什么意思
金铃子是什么
人为什么而活着
致1500米运动员
望而生畏是什么意思
岁寒三友是指什么
比基尼是什么意思