小度生活
首页
美食营养
手工爱好
生活家居
返回
小度生活
首页
美食营养
游戏数码
手工爱好
生活家居
健康养生
运动户外
职场理财
情感交际
母婴教育
时尚美容
知识问答
生活知识
生活百科
搜索
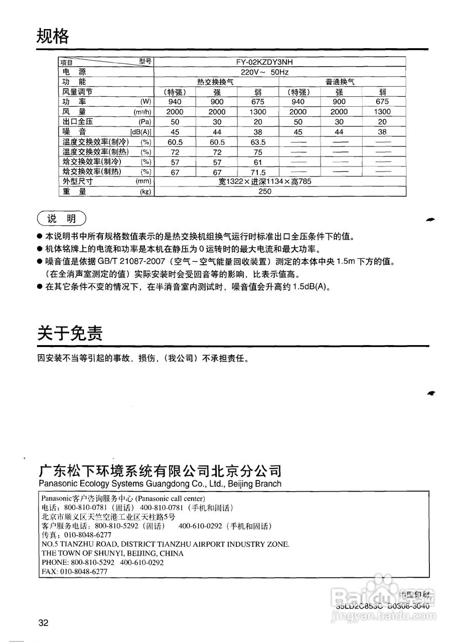
松下FY-02KZDY3NH全热交换器说明书:[4]
2026-04-03 00:11:51
本篇为《松下FY-02KZDY3NH全热交换器说明书》,主要介绍该产品的使用方法以及常见故障解决方案。
(共篇)
上一篇:
声明:
本网站引用、摘录或转载内容仅供网站访问者交流或参考,不代表本站立场,如存在版权或非法内容,请联系站长删除,联系邮箱:site.kefu@qq.com。
相关推荐
松下FY-250ZDY3NH全热交换器说明书:[4]
阅读量:44
松下FY-650ZDY3NH全热交换器说明书:[3]
阅读量:112
松下双开双控接线方法
阅读量:23
松下a6伺服集电极怎么接线
阅读量:145
松下摄像机使用教程
阅读量:184
猜你喜欢
禁欲系是什么意思
n是什么牌子的鞋
toes是什么意思
什么是分数
种植牙有什么风险和后遗症
fmvp是什么意思
green是什么意思
sae是什么意思
挪车打什么电话
股票量比是什么意思
猜你喜欢
黄牌车是什么意思
判三缓四是什么意思
r是什么意思
偷什么不犯法
95开头的是什么电话号码
epic是什么平台
恻隐之心什么意思
春节有什么习俗
read是什么意思
七情六欲指的是什么