小度生活
首页
美食营养
手工爱好
生活家居
返回
小度生活
首页
美食营养
游戏数码
手工爱好
生活家居
健康养生
运动户外
职场理财
情感交际
母婴教育
时尚美容
知识问答
生活知识
生活百科
搜索
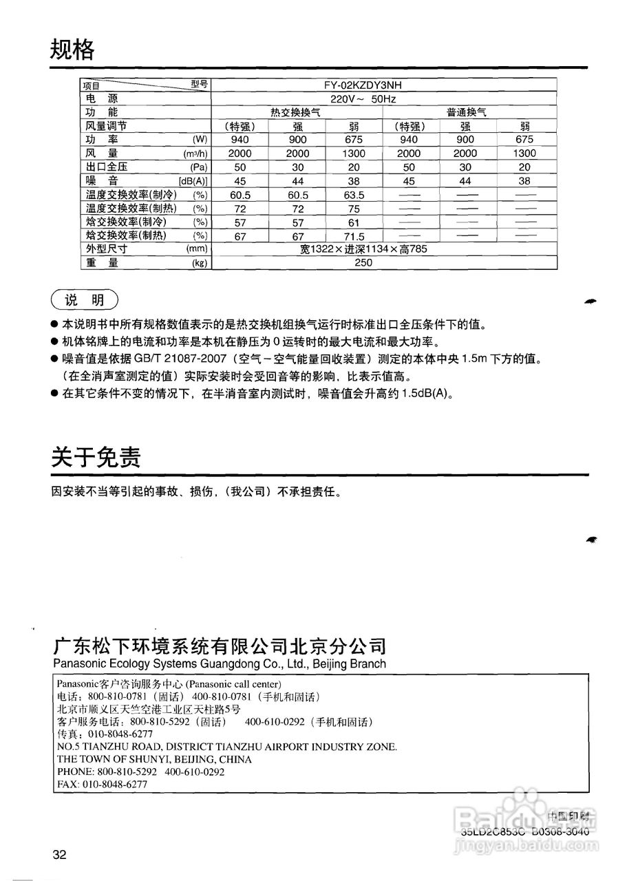
松下FY-250ZDY3NH全热交换器说明书:[4]
2026-04-03 05:56:31
本篇为《松下FY-250ZDY3NH全热交换器说明书》,主要介绍该产品的使用方法以及常见故障解决方案。
(共篇)
上一篇:
声明:
本网站引用、摘录或转载内容仅供网站访问者交流或参考,不代表本站立场,如存在版权或非法内容,请联系站长删除,联系邮箱:site.kefu@qq.com。
相关推荐
松下FY-650ZDY3NH全热交换器说明书:[4]
阅读量:185
松下FY-500ZDY3NH全热交换器说明书:[3]
阅读量:43
松下FY-650ZDY3NH全热交换器说明书:[2]
阅读量:28
松下双开双控接线方法
阅读量:163
松下a6伺服集电极怎么接线
阅读量:86
猜你喜欢
怎么做图片文字
莫干山在哪里
亲爱的你在哪里电视剧
手机qq扫一扫在哪里
21岁怎么长高
如何画眼影
c盘空间不足怎么扩大
产后如何瘦肚子
微信发朋友圈不带图片怎么发
如何降血压
猜你喜欢
个人所得税如何退税
如何清洗加湿器
如何和面
win7电脑配置怎么看
0755是哪里的区号
厦门理工大学怎么样
如何学好地理
yy怎么开直播
微信运动怎么用
如何祛除色斑