龙力电器TEDGC系列单相电动调压器使用说明书:[1]
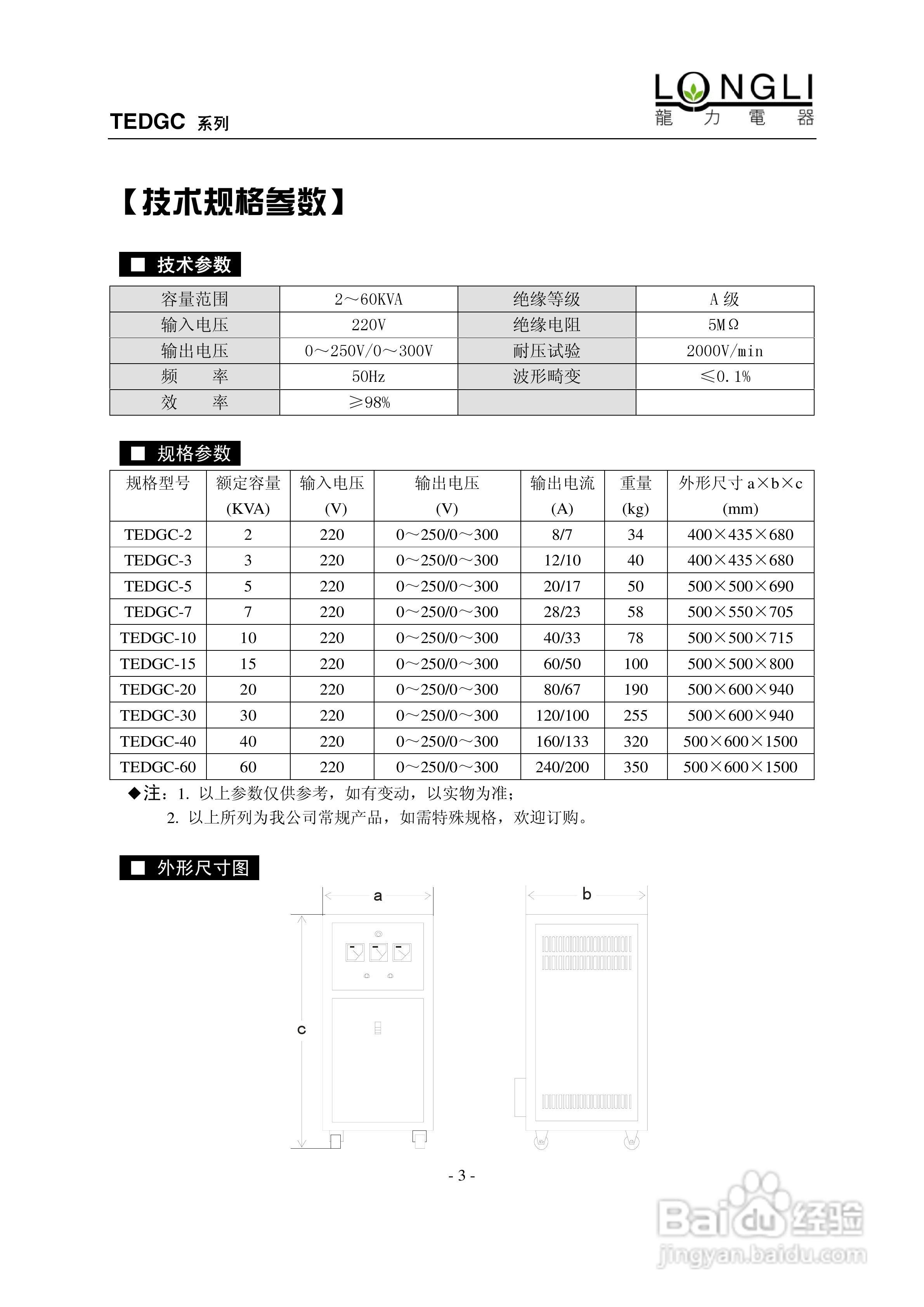
本篇为《龙力电器TEDGC系列单相电动调压器使用说明书》,主要介绍该产品的使用方法以及常见故障解决方案。
![龙力电器TEDGC系列单相电动调压器使用说明书:[1]](https://exp-picture.cdn.bcebos.com/c3c22dbf3bef354f01b39e8b23db574afb321ba0.jpg)
![龙力电器TEDGC系列单相电动调压器使用说明书:[1]](https://exp-picture.cdn.bcebos.com/2db6c1b2dc19ce2c0010346b7fdca039121f11a0.jpg)
![龙力电器TEDGC系列单相电动调压器使用说明书:[1]](https://exp-picture.cdn.bcebos.com/f385f299594304012ff534f7d66b04d1482905a0.jpg)
![龙力电器TEDGC系列单相电动调压器使用说明书:[1]](https://exp-picture.cdn.bcebos.com/acfda02f47704618abd1ce8eb08602214e5776a0.jpg)
![龙力电器TEDGC系列单相电动调压器使用说明书:[1]](https://exp-picture.cdn.bcebos.com/f9617afb960b31217a6a2e16dee983aee9d76da0.jpg)
![龙力电器TEDGC系列单相电动调压器使用说明书:[1]](https://exp-picture.cdn.bcebos.com/332d496699cf0253a26809306b36e29146e85fa0.jpg)
![龙力电器TEDGC系列单相电动调压器使用说明书:[1]](https://exp-picture.cdn.bcebos.com/3fc72e486143d7d4d23a2e5e7da75f0f832b50a0.jpg)
![龙力电器TEDGC系列单相电动调压器使用说明书:[1]](https://exp-picture.cdn.bcebos.com/4a594f2c8cf1d8a78338623146e34b2c57ee47a0.jpg)
![龙力电器TEDGC系列单相电动调压器使用说明书:[1]](https://exp-picture.cdn.bcebos.com/57af657f860e7c7548ffd640650d3aceabd7bfa0.jpg)
![龙力电器TEDGC系列单相电动调压器使用说明书:[1]](https://exp-picture.cdn.bcebos.com/ab966c6b0ce265e781044ecd9f23beb9773eb7a0.jpg)
声明:本网站引用、摘录或转载内容仅供网站访问者交流或参考,不代表本站立场,如存在版权或非法内容,请联系站长删除,联系邮箱:site.kefu@qq.com。
阅读量:162
阅读量:100
阅读量:177
阅读量:34
阅读量:115
本篇为《龙力电器TEDGC系列单相电动调压器使用说明书》,主要介绍该产品的使用方法以及常见故障解决方案。
![龙力电器TEDGC系列单相电动调压器使用说明书:[1]](https://exp-picture.cdn.bcebos.com/c3c22dbf3bef354f01b39e8b23db574afb321ba0.jpg)
![龙力电器TEDGC系列单相电动调压器使用说明书:[1]](https://exp-picture.cdn.bcebos.com/2db6c1b2dc19ce2c0010346b7fdca039121f11a0.jpg)
![龙力电器TEDGC系列单相电动调压器使用说明书:[1]](https://exp-picture.cdn.bcebos.com/f385f299594304012ff534f7d66b04d1482905a0.jpg)
![龙力电器TEDGC系列单相电动调压器使用说明书:[1]](https://exp-picture.cdn.bcebos.com/acfda02f47704618abd1ce8eb08602214e5776a0.jpg)
![龙力电器TEDGC系列单相电动调压器使用说明书:[1]](https://exp-picture.cdn.bcebos.com/f9617afb960b31217a6a2e16dee983aee9d76da0.jpg)
![龙力电器TEDGC系列单相电动调压器使用说明书:[1]](https://exp-picture.cdn.bcebos.com/332d496699cf0253a26809306b36e29146e85fa0.jpg)
![龙力电器TEDGC系列单相电动调压器使用说明书:[1]](https://exp-picture.cdn.bcebos.com/3fc72e486143d7d4d23a2e5e7da75f0f832b50a0.jpg)
![龙力电器TEDGC系列单相电动调压器使用说明书:[1]](https://exp-picture.cdn.bcebos.com/4a594f2c8cf1d8a78338623146e34b2c57ee47a0.jpg)
![龙力电器TEDGC系列单相电动调压器使用说明书:[1]](https://exp-picture.cdn.bcebos.com/57af657f860e7c7548ffd640650d3aceabd7bfa0.jpg)
![龙力电器TEDGC系列单相电动调压器使用说明书:[1]](https://exp-picture.cdn.bcebos.com/ab966c6b0ce265e781044ecd9f23beb9773eb7a0.jpg)