小度生活
首页
美食营养
手工爱好
生活家居
返回
小度生活
首页
美食营养
游戏数码
手工爱好
生活家居
健康养生
运动户外
职场理财
情感交际
母婴教育
时尚美容
知识问答
生活知识
生活百科
搜索
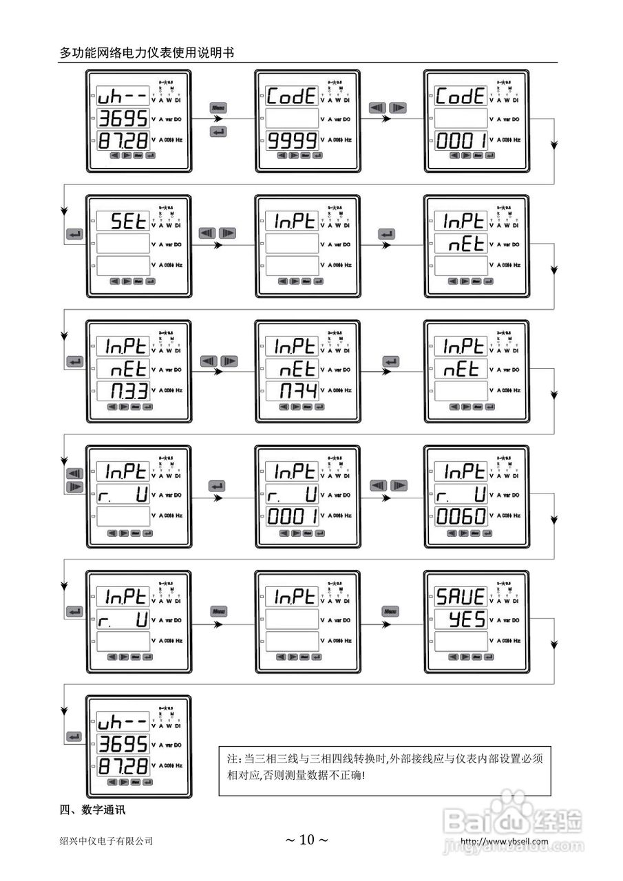
ZYC-Z-2S4多功能网络电力仪表使用说明书:[2]
2026-05-11 00:47:04
本篇为《ZYC-Z-2S4多功能网络电力仪表使用说明书》,主要介绍该产品的使用方法以及常见故障解决方案。
(共篇)
上一篇:
|
下一篇:
声明:
本网站引用、摘录或转载内容仅供网站访问者交流或参考,不代表本站立场,如存在版权或非法内容,请联系站长删除,联系邮箱:site.kefu@qq.com。
相关推荐
ZYC-Z-2S4多功能网络电力仪表使用说明书:[3]
阅读量:74
中仪电子 ZYC-Z系列多功能网络电力仪表使用说明书:[2]
阅读量:92
中仪电子 ZYC-Z系列多功能网络电力仪表使用说明书:[3]
阅读量:170
中仪电子 ZYC-Z系列多功能网络电力仪表使用说明书:[1]
阅读量:64
PZ200Z-9S4多功能网络电力仪表使用说明书:[1]
阅读量:70
猜你喜欢
雾凇是怎么形成的
嗓子有异物感是怎么回事
quiet怎么读
鸵鸟蛋怎么吃
键盘锁住了怎么解锁
电脑cpu温度过高怎么办
老放屁是怎么回事
怎么离婚
董洁与王大治怎么回事
长茄子怎么做好吃
猜你喜欢
林肯mkz怎么样
皮蛋怎么做好吃
烤鸡翅怎么腌制
近视眼怎么恢复视力
氙怎么读
siri怎么读
雄性激素过多怎么办
狗身上的跳蚤怎么去除
手机膜怎么贴
无痛胃镜怎么做