小度生活
首页
美食营养
手工爱好
生活家居
返回
小度生活
首页
美食营养
游戏数码
手工爱好
生活家居
健康养生
运动户外
职场理财
情感交际
母婴教育
时尚美容
知识问答
生活知识
生活百科
搜索
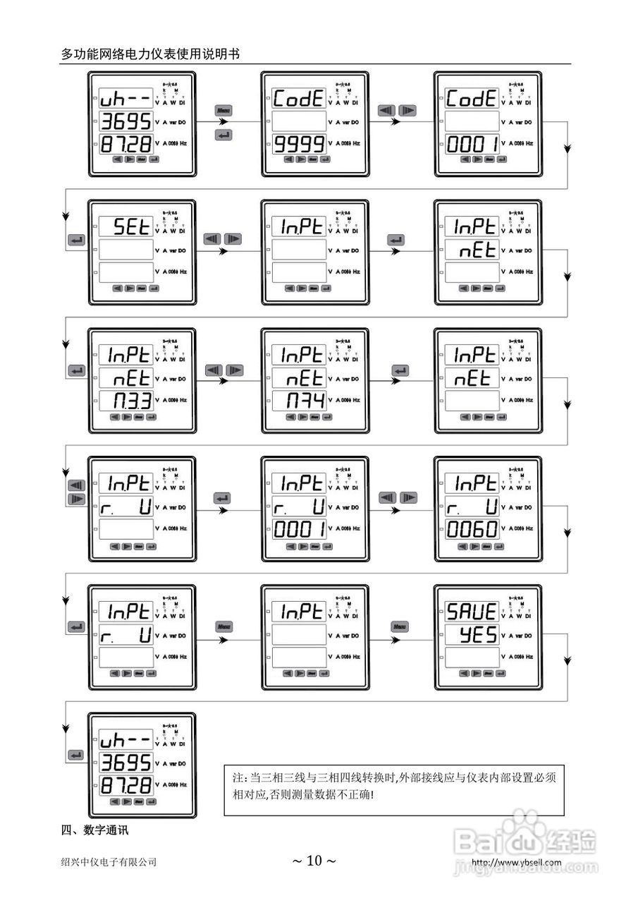
中仪电子 ZYC-Z系列多功能网络电力仪表使用说明书:[2]
2026-05-10 23:52:40
本篇为《中仪电子 ZYC-Z系列多功能网络电力仪表使用说明书》,主要介绍该产品的使用方法以及常见故障解决方案。
(共篇)
上一篇:
|
下一篇:
声明:
本网站引用、摘录或转载内容仅供网站访问者交流或参考,不代表本站立场,如存在版权或非法内容,请联系站长删除,联系邮箱:site.kefu@qq.com。
相关推荐
ZYC-Z-2S4多功能网络电力仪表使用说明书:[2]
阅读量:113
ZYC-Z-2S4多功能网络电力仪表使用说明书:[3]
阅读量:189
SKF TMEA2激光对中仪说明书:[2]
阅读量:72
教你如何使用KM激光轴对中仪
阅读量:63
带你了解ALI.SH106激光对中仪
阅读量:70
猜你喜欢
郭守敬的主要贡献是什么方面
dbf文件怎么打开
崭新的生活
小便颜色发红是什么原因
真实的监狱生活
老人失眠怎么调理
s925是什么材质
入队申请书怎么写
汽车生活
btv生活
猜你喜欢
围攻怎么造飞机
如何给文件夹设密码
孕妇吐得厉害怎么办
假如生活欺骗了你
我要的生活
奥迪a3三厢怎么样
如何创建pdf文件
舌头上有白苔怎么治
末世女僵尸的脱线生活
6月是什么星座