小度生活
首页
美食营养
手工爱好
生活家居
返回
小度生活
首页
美食营养
游戏数码
手工爱好
生活家居
健康养生
运动户外
职场理财
情感交际
母婴教育
时尚美容
知识问答
生活知识
生活百科
搜索
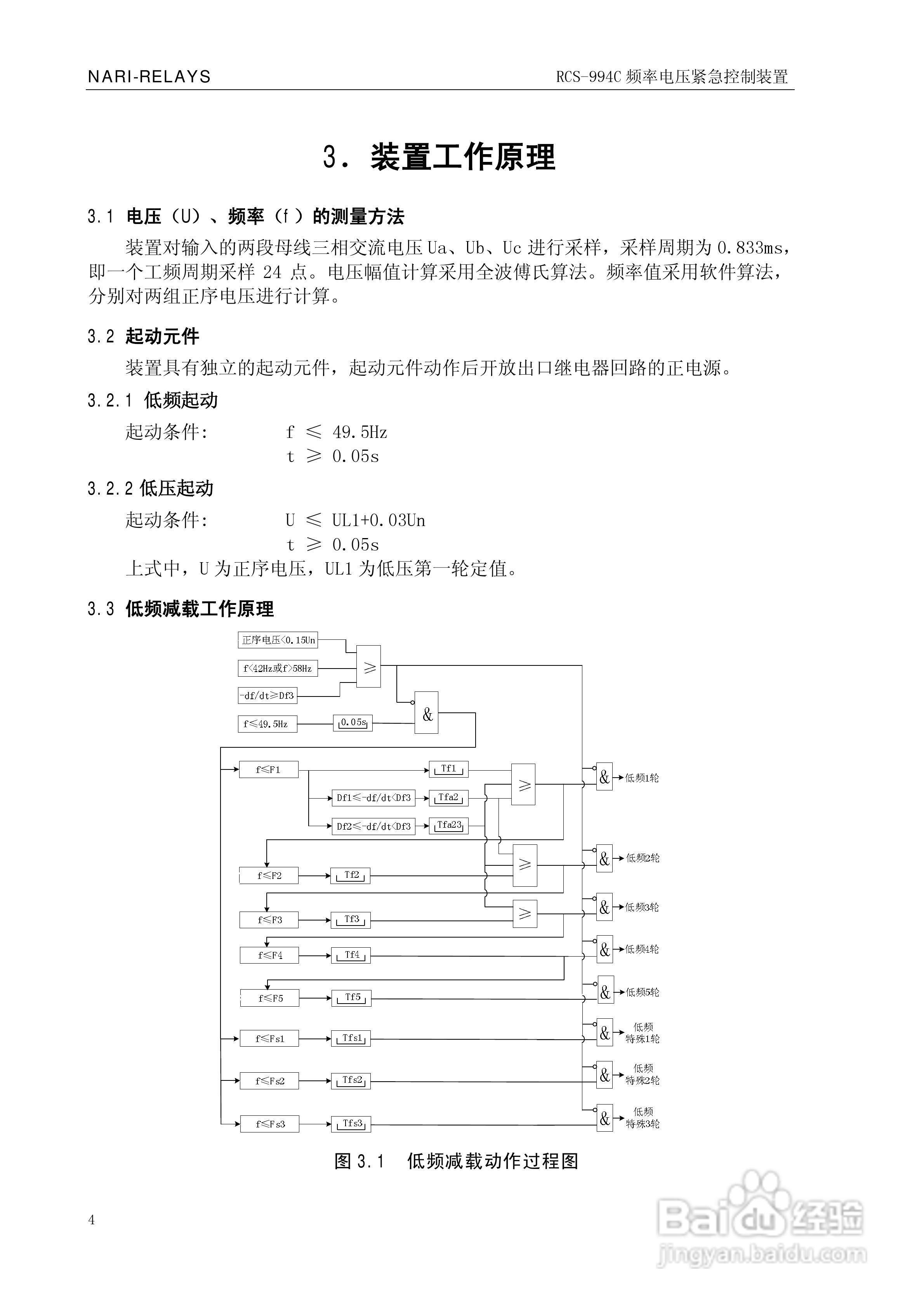
南瑞继保RCS-994C频率电压紧急控制装置使用说明书:[1]
2026-04-25 01:51:27
本篇为《南瑞继保RCS-994C频率电压紧急控制装置使用说明书》,主要介绍该产品的使用方法以及常见故障解决方案。
(共篇)
下一篇:
声明:
本网站引用、摘录或转载内容仅供网站访问者交流或参考,不代表本站立场,如存在版权或非法内容,请联系站长删除,联系邮箱:site.kefu@qq.com。
相关推荐
南瑞继保RCS-994C频率电压紧急控制装置使用说明书:[4]
阅读量:103
RCS-994A频率电压紧急控制装置技术和使用说明书:[1]
阅读量:79
RCS-994A频率电压紧急控制装置技术和使用说明书:[2]
阅读量:100
南瑞继保RCS-994D型频率电压紧急控制装置使用说明书:[4]
阅读量:135
南瑞继保RCS-917C型高压可控并联电抗器成套保护装置使:[1]
阅读量:166
猜你喜欢
纸上谈兵是什么意思
同业拆借是什么意思
lng是什么意思
felt是什么意思
亚克力是什么
商业险是什么意思
12月31日是什么星座
女性排卵期是什么时候
男生剪什么发型好看
金融是什么意思
猜你喜欢
顺其自然是什么意思
发动机排量是什么意思
白蛋白是什么
control是什么意思
普洱茶有什么功效
人妖是什么
cross是什么意思
攻略是什么意思
canteen是什么意思
honey是什么意思中文