小度生活
首页
美食营养
手工爱好
生活家居
返回
小度生活
首页
美食营养
游戏数码
手工爱好
生活家居
健康养生
运动户外
职场理财
情感交际
母婴教育
时尚美容
知识问答
生活知识
搜索
RCS-994A频率电压紧急控制装置技术和使用说明书:[2]
2026-02-28 04:51:37
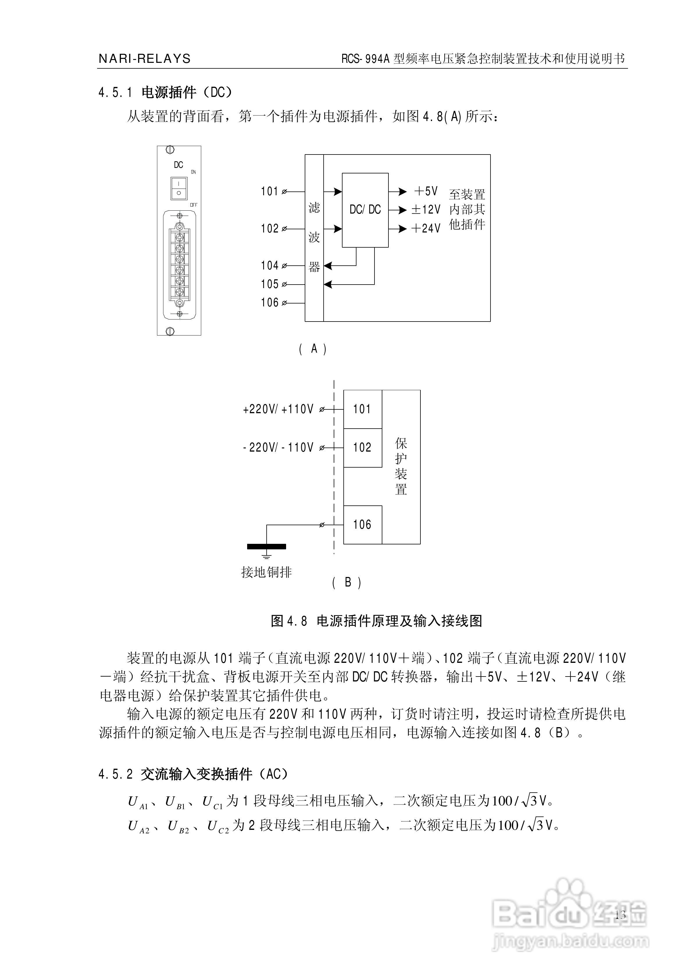
本篇为《RCS-994A频率电压紧急控制装置技术和使用说明书》,主要介绍该产品的使用方法以及常见故障解决方案。
(共篇)
上一篇:
|
下一篇:
声明:
本网站引用、摘录或转载内容仅供网站访问者交流或参考,不代表本站立场,如存在版权或非法内容,请联系站长删除,联系邮箱:site.kefu@qq.com。
相关推荐
RCS-994A频率电压紧急控制装置技术和使用说明书:[1]
阅读量:24
南瑞继保RCS-994C频率电压紧急控制装置使用说明书:[2]
阅读量:161
南瑞继保RCS-994C频率电压紧急控制装置使用说明书:[1]
阅读量:191
南瑞继保RCS-994C频率电压紧急控制装置使用说明书:[3]
阅读量:76
南瑞继保RCS-994D型频率电压紧急控制装置使用说明书:[4]
阅读量:173
猜你喜欢
萌萌哒是什么意思
breakfast是什么意思
hf是什么意思
who是什么意思
避孕药什么时候吃有效
phone是什么意思
什么是直男
ma是什么意思
梦见吃鱼是什么意思
python能做什么
猜你喜欢
高铁和动车有什么区别
11月8日是什么星座
光驱是什么
做市商是什么意思
张韶涵当年发生了什么
什么是生产力
股票xd是什么意思
眼睛模糊是什么原因引起的
answer是什么意思
塔楼是什么意思