小度生活
首页
美食营养
手工爱好
生活家居
返回
小度生活
首页
美食营养
游戏数码
手工爱好
生活家居
健康养生
运动户外
职场理财
情感交际
母婴教育
时尚美容
知识问答
生活知识
生活百科
搜索
四方CSS-100BE/FV2数字式安全稳定控制装置技术说明书:[2]
2026-04-18 18:07:08
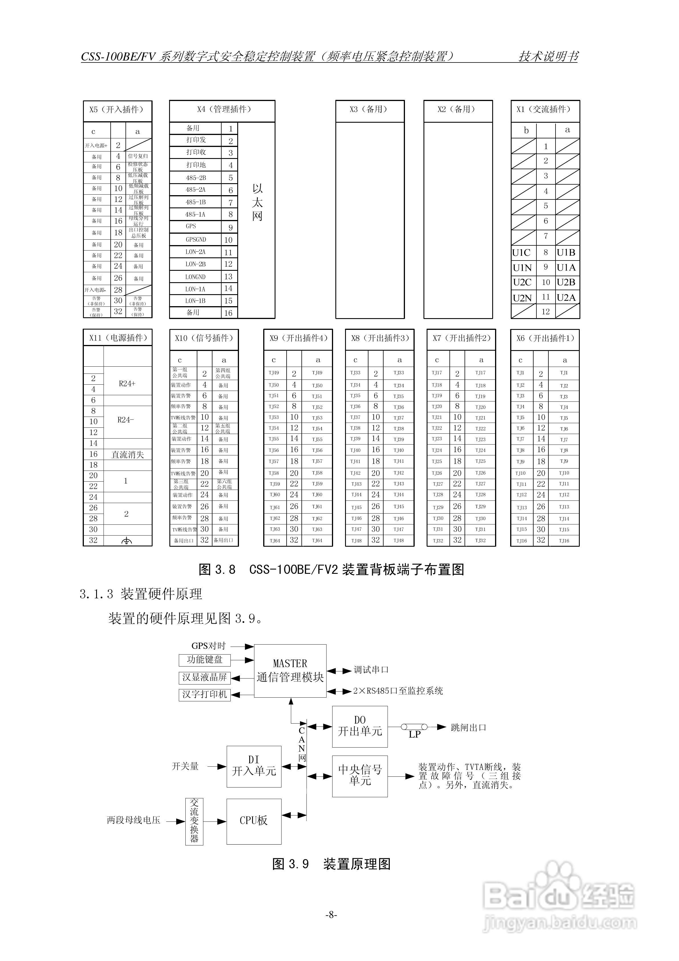
本篇为《四方CSS-100BE/FV2数字式安全稳定控制装置技术说明书》,主要介绍该产品的使用方法以及常见故障解决方案。
(共篇)
上一篇:
|
下一篇:
声明:
本网站引用、摘录或转载内容仅供网站访问者交流或参考,不代表本站立场,如存在版权或非法内容,请联系站长删除,联系邮箱:site.kefu@qq.com。
相关推荐
四方CSS-100BE/FV2数字式安全稳定控制装置技术说明书:[7]
阅读量:117
四方形礼品盒怎样包装
阅读量:126
四方CSS-281数字式频率电压紧急控制装置说明书:[1]
阅读量:106
四方CSS-281数字式频率电压紧急控制装置说明书:[3]
阅读量:77
四方CSS-281数字式频率电压紧急控制装置说明书:[4]
阅读量:91
猜你喜欢
因纽特人属于什么人种
forever什么意思
什么是幸福
梦见鬼是什么意思
什么是氧化物
什么头什么颈
空耳什么意思
注册公司需要什么条件
提辖是什么官
天玑820相当于骁龙什么处理器
猜你喜欢
烟瘾是什么感觉
决堤什么意思
爸爸妈妈去上班我去幼儿园是什么歌
10年是什么婚
志同道合是什么意思
梦见被蛇咬是什么意思
什么是通货膨胀
喜当爹是什么意思
一举两得是什么生肖
毛囊炎用什么药