小度生活
首页
美食营养
手工爱好
生活家居
返回
小度生活
首页
美食营养
游戏数码
手工爱好
生活家居
健康养生
运动户外
职场理财
情感交际
母婴教育
时尚美容
知识问答
生活知识
生活百科
搜索
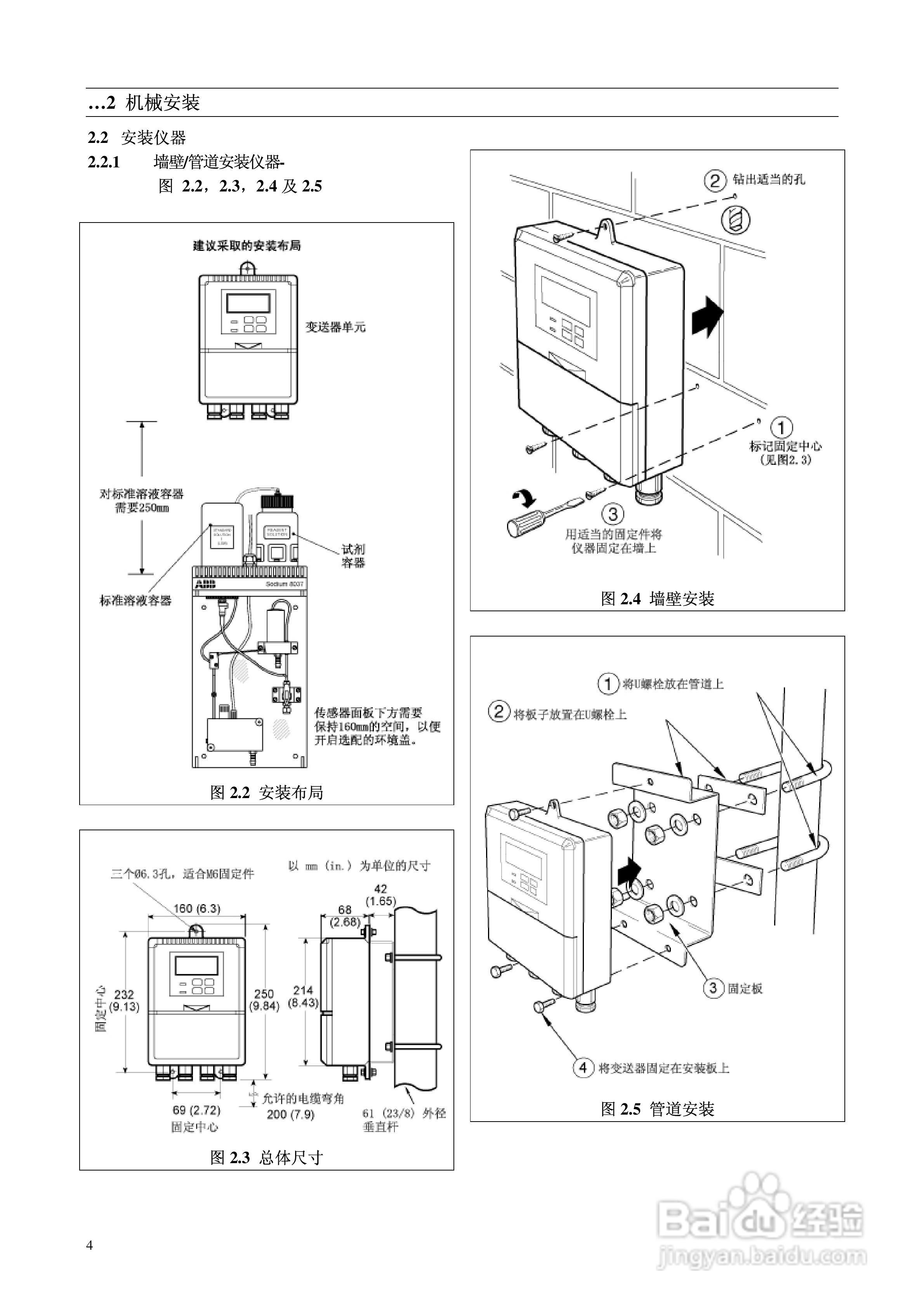
8037钠监测仪中文使用说明书:[1]
2026-03-29 08:20:10
本篇为《8037钠监测仪中文使用说明书》,主要介绍该产品的使用方法以及常见故障解决方案。
(共篇)
下一篇:
声明:
本网站引用、摘录或转载内容仅供网站访问者交流或参考,不代表本站立场,如存在版权或非法内容,请联系站长删除,联系邮箱:site.kefu@qq.com。
相关推荐
8037钠监测仪中文使用说明书:[3]
阅读量:88
8037钠监测仪中文使用说明书:[4]
阅读量:106
TP130在线钠离子监测仪说明书:[1]
阅读量:68
HK-358NH型钠离子监测仪使用说明书v3:[1]
阅读量:120
KS0066控制器中文使用说明书:[1]
阅读量:37
猜你喜欢
公牛插座怎么样
陕西工业职业技术学院怎么样
山东农业大学怎么样
疙瘩汤的面疙瘩怎么做
水果图片大全大图
做性视频大全在线观看
芭乐app下载大全
怎么清理电脑缓存
成都好吃的火锅
油菜怎么做好吃
猜你喜欢
解酒的最好方法
词语大全 四字词语
种草莓的技巧该怎么吸
除螨虫的方法
大脚骨怎么办
人生格言大全
视频大全
焖面的家常做法
课题研究方法
平鱼怎么做好吃