小度生活
首页
美食营养
手工爱好
生活家居
返回
小度生活
首页
美食营养
游戏数码
手工爱好
生活家居
健康养生
运动户外
职场理财
情感交际
母婴教育
时尚美容
知识问答
生活知识
生活百科
搜索
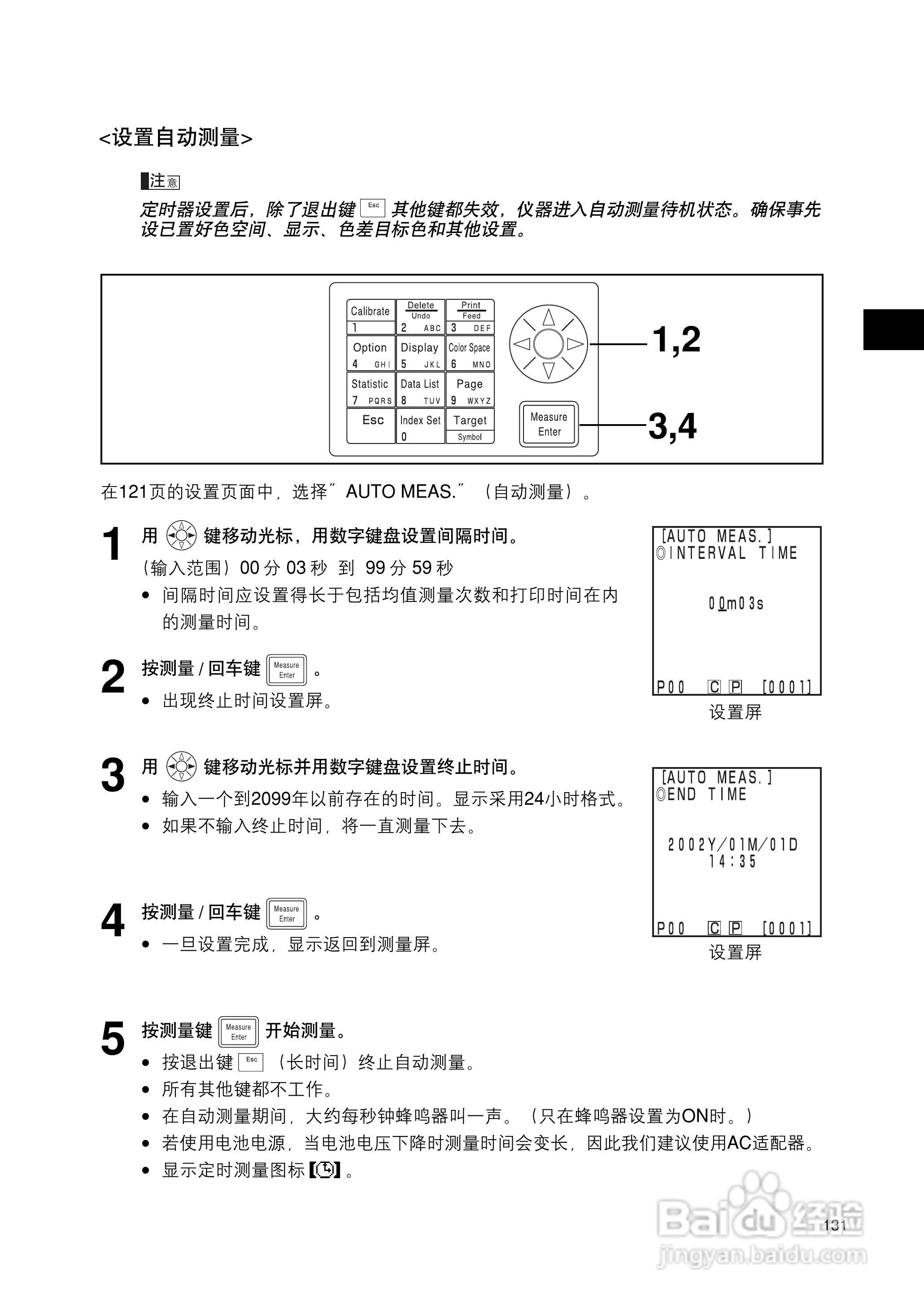
柯尼卡美能达色彩色差计CR-400 410使用说明书:[14]
2026-05-27 15:58:58
本篇为《柯尼卡美能达色彩色差计CR-400 410使用说明书》,主要介绍该产品的使用方法以及常见故障解决方案。
(共篇)
上一篇:
|
下一篇:
声明:
本网站引用、摘录或转载内容仅供网站访问者交流或参考,不代表本站立场,如存在版权或非法内容,请联系站长删除,联系邮箱:site.kefu@qq.com。
相关推荐
柯尼卡美能达色彩色差计CR-400 410使用说明书:[11]
阅读量:39
柯尼卡美能达色彩色差计CR-400 410使用说明书:[17]
阅读量:169
恒港色彩色差计CR-400/410使用说明书:[1]
阅读量:77
柯尼卡美能达287复印机打印乱码故障解决
阅读量:179
柯尼卡美能达彩色打印机如何黑白打印
阅读量:116
猜你喜欢
中国传统节日大全表
伦理片大全
减肥的最好方法
电脑黑屏是怎么回事
怎么提高打字速度
酱萝卜的腌制方法
微信头像图片大全
家长试卷签字评语大全
教育名言名句大全
安卓手机怎么格式化
猜你喜欢
产后阴道松弛怎么办
治疗咽炎的最佳方法
米饭配什么菜好吃
牛排怎么煎好吃又简单
毛囊炎的最佳治疗方法
红旗h7怎么样
炖排骨怎么做好吃
国产车标大全
林内燃气热水器怎么样
务工证明怎么写