小度生活
首页
美食营养
手工爱好
生活家居
返回
小度生活
首页
美食营养
游戏数码
手工爱好
生活家居
健康养生
运动户外
职场理财
情感交际
母婴教育
时尚美容
知识问答
生活知识
生活百科
搜索
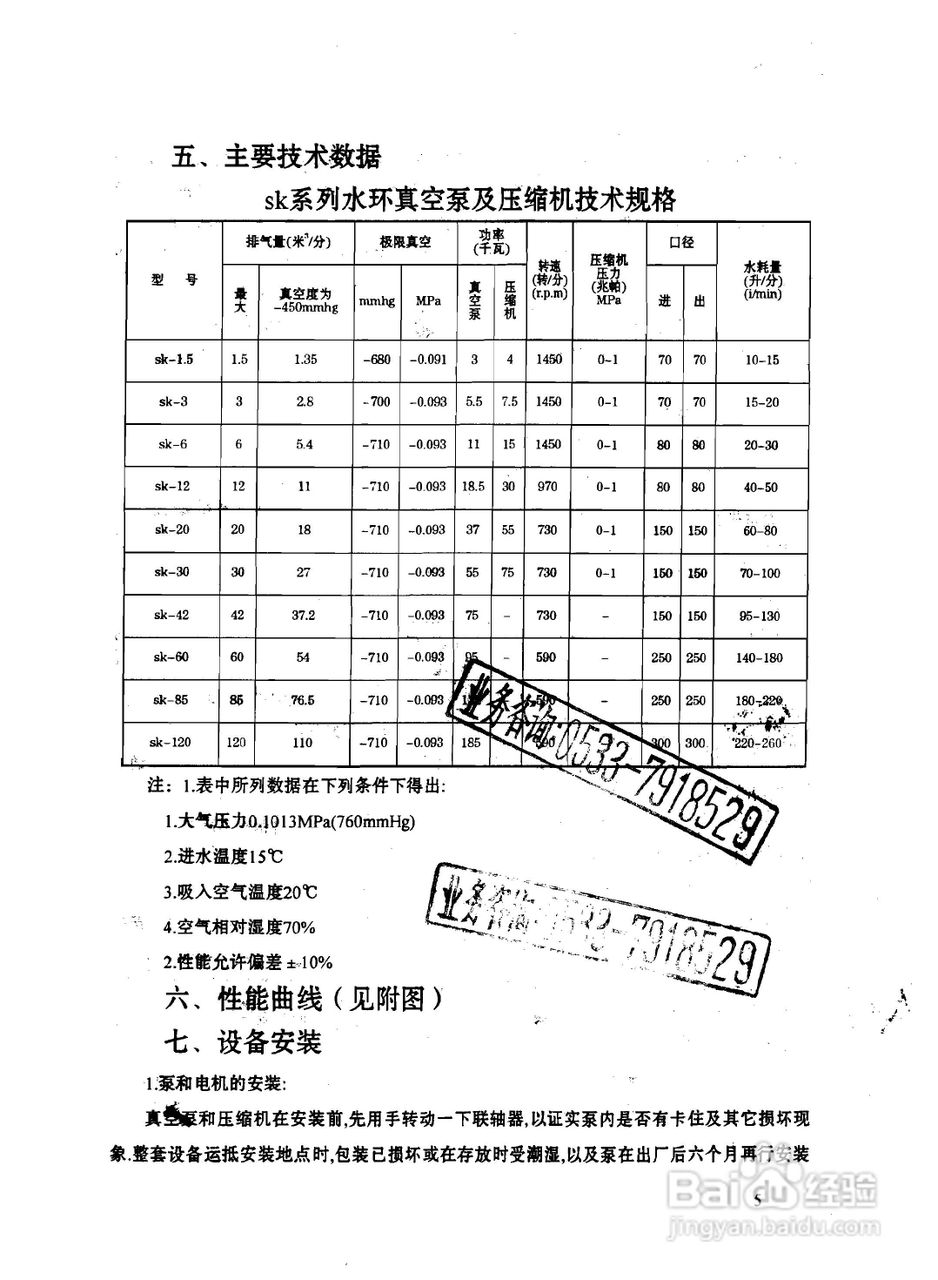
SK系列水环式真空泵及压缩机使用说明书:[1]
2026-03-30 07:53:46
本篇为《SK系列水环式真空泵及压缩机使用说明书》,主要介绍该产品的使用方法以及常见故障解决方案。
(共篇)
下一篇:
声明:
本网站引用、摘录或转载内容仅供网站访问者交流或参考,不代表本站立场,如存在版权或非法内容,请联系站长删除,联系邮箱:site.kefu@qq.com。
相关推荐
江南小调——醉鸡的做法
阅读量:95
炖鲜鱼的技巧
阅读量:100
养殖池塘的清整
阅读量:187
在家怎么制作清蒸羊肉
阅读量:140
炖羊排的家常做法
阅读量:147
猜你喜欢
商祺是什么意思
雅思托福是什么
后会无期什么意思
spider是什么意思
besides是什么意思
530是什么意思
什么是低钾血症
小狼狗是什么意思
treasure什么意思
猴和什么生肖最配
猜你喜欢
什么是安乐死
安德玛运动鞋
黑木耳是什么
减肚子的运动
三定是什么
俨然是什么意思
silence是什么意思
重阳节的主要风俗是什么
燕子掌的养殖方法
天造地设是什么意思