小度生活
首页
美食营养
手工爱好
生活家居
返回
小度生活
首页
美食营养
游戏数码
手工爱好
生活家居
健康养生
运动户外
职场理财
情感交际
母婴教育
时尚美容
知识问答
生活知识
生活百科
搜索
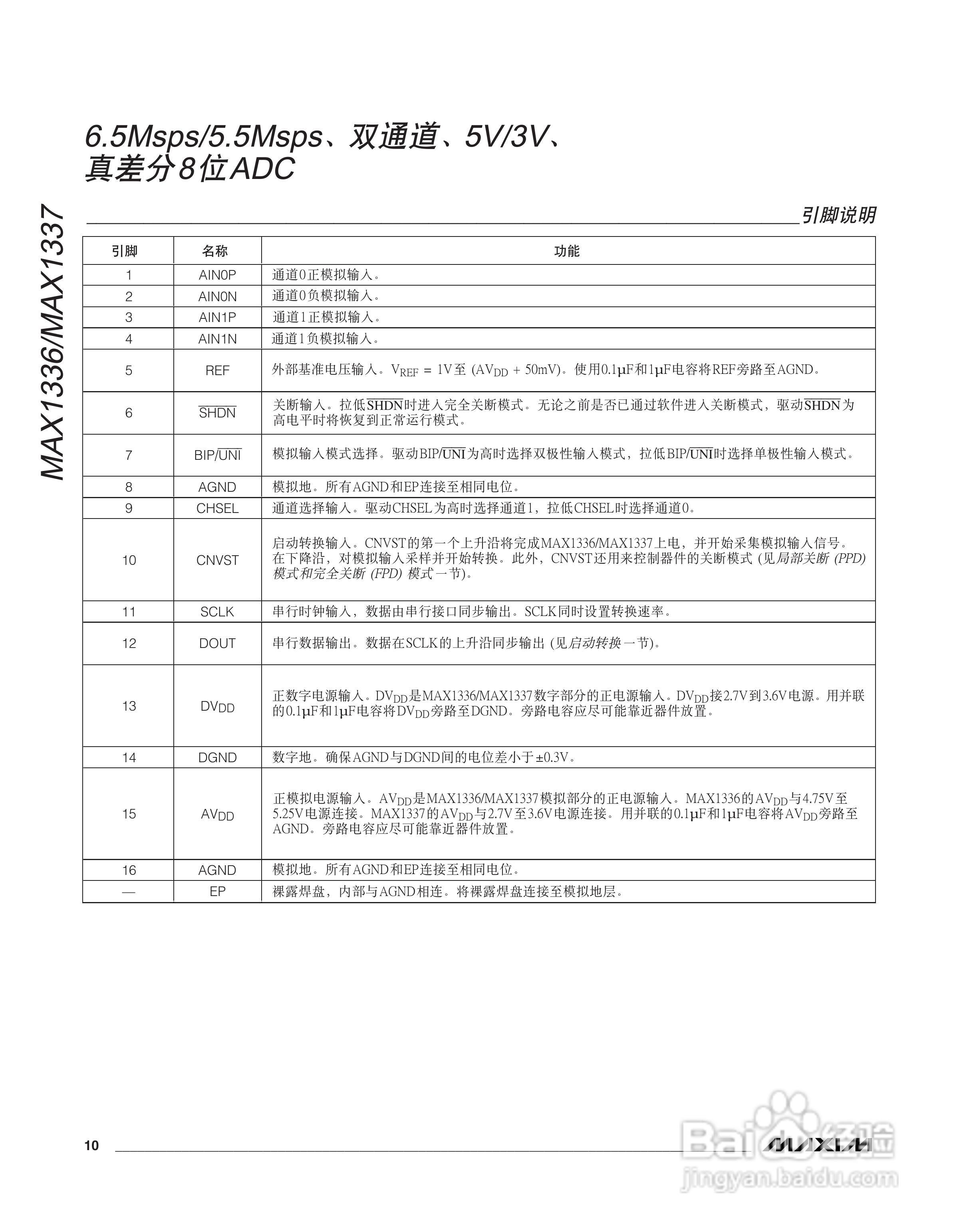
MAXIM MAX1336/MAX1337转换器说明书:[1]
2026-03-29 14:51:31
本篇为《MAXIM MAX1336/MAX1337转换器说明书》,主要介绍该产品的使用方法以及常见故障解决方案。
(共篇)
下一篇:
声明:
本网站引用、摘录或转载内容仅供网站访问者交流或参考,不代表本站立场,如存在版权或非法内容,请联系站长删除,联系邮箱:site.kefu@qq.com。
相关推荐
MAXIM MAX1336/MAX1337转换器说明书:[3]
阅读量:185
MAXIM MAX9967驱动器说明书:[1]
阅读量:155
MAXIM MAX9967驱动器说明书:[2]
阅读量:115
MAXIM MAX9967驱动器说明书:[3]
阅读量:159
MAXIM MAX6968串行接口LED驱动器说明书:[1]
阅读量:94
猜你喜欢
电脑连电视怎么设置
如何更改wifi密码
如何共享文件夹
拼车生活
hpv病毒是什么
混也是一种生活
毛蟹怎么吃
mm是什么单位的
爱车生活
如何减掉肚子上的赘肉
猜你喜欢
睿频加速怎么开启
煤拳小戈隆怎么获得
生活水箱
校友会排名是什么意思
研究生报名号怎么查
冰箱如何除臭
家生活
穿越火线怎么卡bug
专业不对口怎么找工作
电视剧假如生活欺骗了你