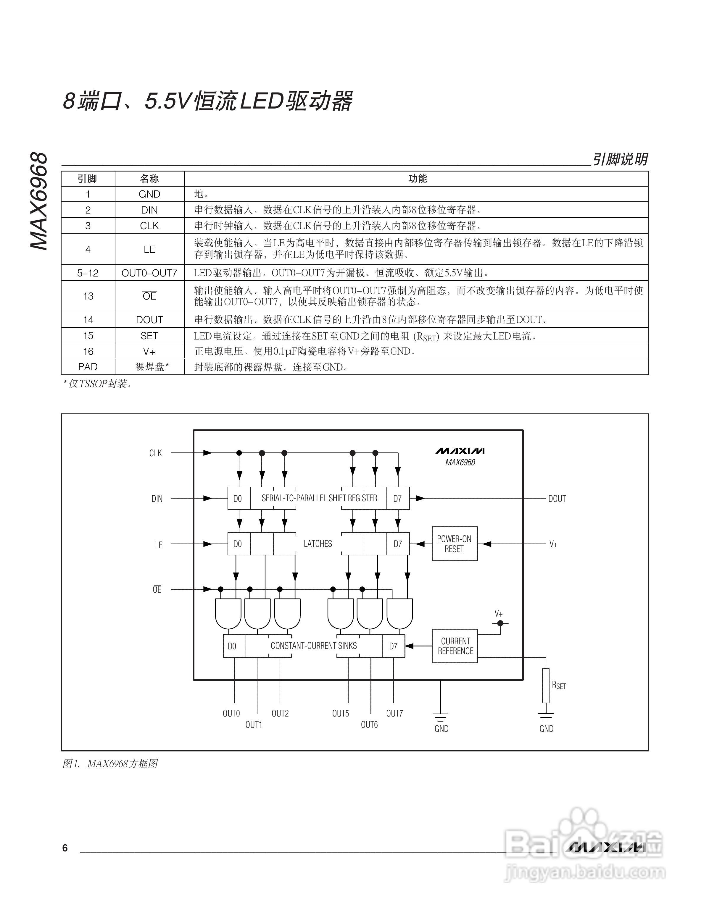
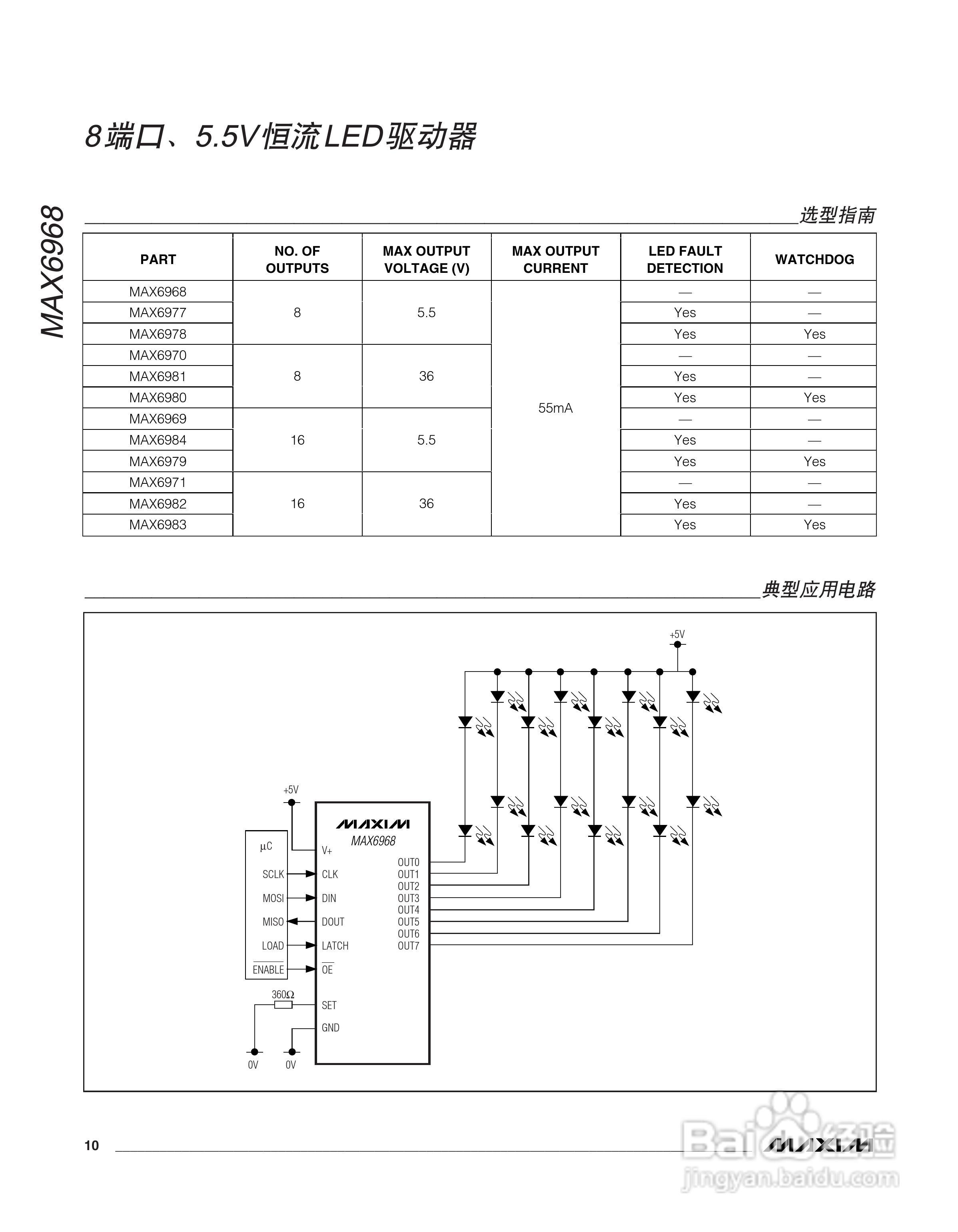
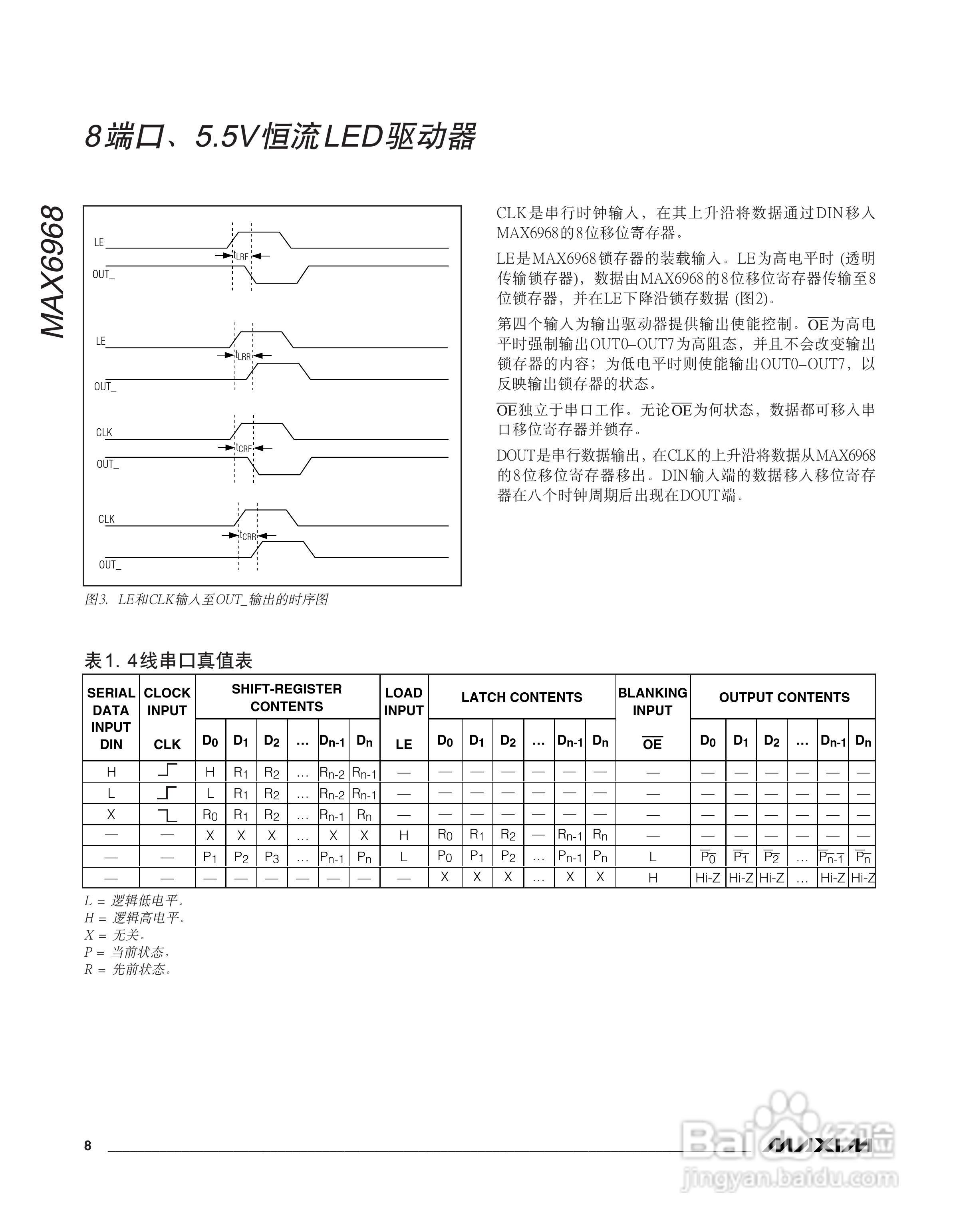
MAXIM MAX6968串行接口LED驱动器说明书:[1]
本篇为《MAXIM MAX6968串行接口LED驱动器说明书》,主要介绍该产品的使用方法以及常见故障解决方案。
![MAXIM MAX6968串行接口LED驱动器说明书:[1]](https://exp-picture.cdn.bcebos.com/ba97ffd06de89a614ee4602645e8b004551bad1a.jpg)
![MAXIM MAX6968串行接口LED驱动器说明书:[1]](https://exp-picture.cdn.bcebos.com/0cdb2f0e1799e92a697963f5e1fec314f0c5a01a.jpg)
![MAXIM MAX6968串行接口LED驱动器说明书:[1]](https://exp-picture.cdn.bcebos.com/94af5fc1b727ac53da49b0992ecadce89148991a.jpg)
![MAXIM MAX6968串行接口LED驱动器说明书:[1]](https://exp-picture.cdn.bcebos.com/91091efc77f7980ebbe162c4d4db3620b83a911a.jpg)
![MAXIM MAX6968串行接口LED驱动器说明书:[1]](https://exp-picture.cdn.bcebos.com/274e9635dd8a59deaac6a9b4b370d5413b8c841a.jpg)
![MAXIM MAX6968串行接口LED驱动器说明书:[1]](https://exp-picture.cdn.bcebos.com/95bd4e8c9bcec7f870b67c68034ce54a2e27fb1a.jpg)
![MAXIM MAX6968串行接口LED驱动器说明书:[1]](https://exp-picture.cdn.bcebos.com/6a408cdd3340b6f3944522a912c0affce086ee1a.jpg)
![MAXIM MAX6968串行接口LED驱动器说明书:[1]](https://exp-picture.cdn.bcebos.com/256eb672941fbee43a18d1ebc1237971ff1de71a.jpg)
![MAXIM MAX6968串行接口LED驱动器说明书:[1]](https://exp-picture.cdn.bcebos.com/ff5c88d818196120b10f2ddb70f202b374d7df1a.jpg)
![MAXIM MAX6968串行接口LED驱动器说明书:[1]](https://exp-picture.cdn.bcebos.com/bab5c45872dade4941cdaae326042e6816e9d51a.jpg)
声明:本网站引用、摘录或转载内容仅供网站访问者交流或参考,不代表本站立场,如存在版权或非法内容,请联系站长删除,联系邮箱:site.kefu@qq.com。
阅读量:173
阅读量:132
阅读量:139
阅读量:172
阅读量:87
本篇为《MAXIM MAX6968串行接口LED驱动器说明书》,主要介绍该产品的使用方法以及常见故障解决方案。
![MAXIM MAX6968串行接口LED驱动器说明书:[1]](https://exp-picture.cdn.bcebos.com/ba97ffd06de89a614ee4602645e8b004551bad1a.jpg)
![MAXIM MAX6968串行接口LED驱动器说明书:[1]](https://exp-picture.cdn.bcebos.com/0cdb2f0e1799e92a697963f5e1fec314f0c5a01a.jpg)
![MAXIM MAX6968串行接口LED驱动器说明书:[1]](https://exp-picture.cdn.bcebos.com/94af5fc1b727ac53da49b0992ecadce89148991a.jpg)
![MAXIM MAX6968串行接口LED驱动器说明书:[1]](https://exp-picture.cdn.bcebos.com/91091efc77f7980ebbe162c4d4db3620b83a911a.jpg)
![MAXIM MAX6968串行接口LED驱动器说明书:[1]](https://exp-picture.cdn.bcebos.com/274e9635dd8a59deaac6a9b4b370d5413b8c841a.jpg)
![MAXIM MAX6968串行接口LED驱动器说明书:[1]](https://exp-picture.cdn.bcebos.com/95bd4e8c9bcec7f870b67c68034ce54a2e27fb1a.jpg)
![MAXIM MAX6968串行接口LED驱动器说明书:[1]](https://exp-picture.cdn.bcebos.com/6a408cdd3340b6f3944522a912c0affce086ee1a.jpg)
![MAXIM MAX6968串行接口LED驱动器说明书:[1]](https://exp-picture.cdn.bcebos.com/256eb672941fbee43a18d1ebc1237971ff1de71a.jpg)
![MAXIM MAX6968串行接口LED驱动器说明书:[1]](https://exp-picture.cdn.bcebos.com/ff5c88d818196120b10f2ddb70f202b374d7df1a.jpg)
![MAXIM MAX6968串行接口LED驱动器说明书:[1]](https://exp-picture.cdn.bcebos.com/bab5c45872dade4941cdaae326042e6816e9d51a.jpg)