小度生活
首页
美食营养
手工爱好
生活家居
返回
小度生活
首页
美食营养
游戏数码
手工爱好
生活家居
健康养生
运动户外
职场理财
情感交际
母婴教育
时尚美容
知识问答
生活知识
生活百科
搜索
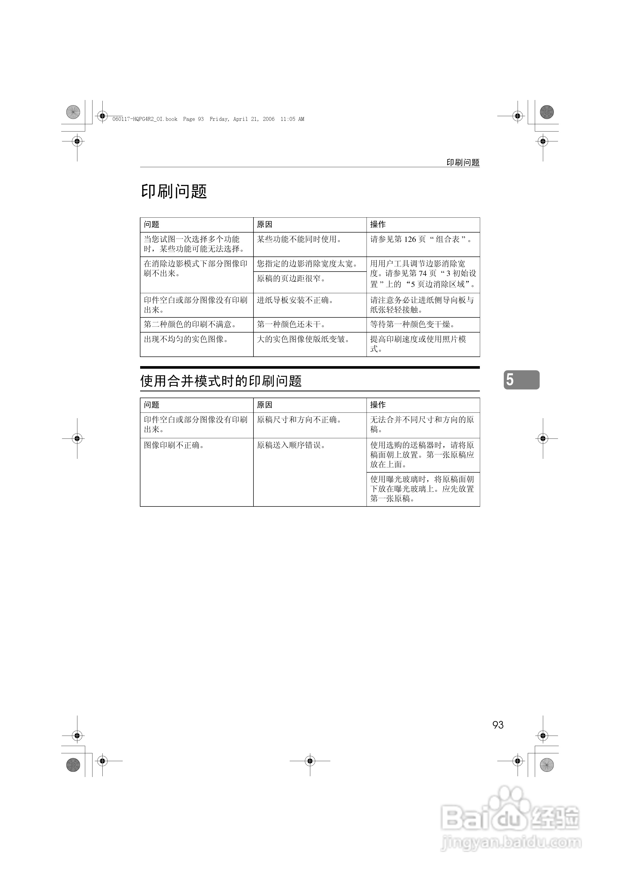
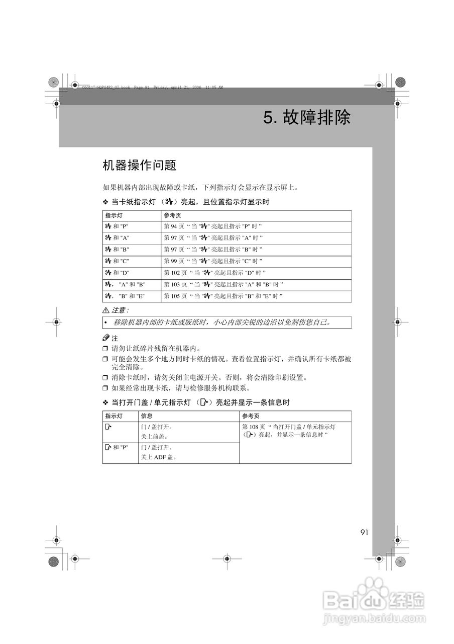
基士得耶CP6450P一体机使用说明书:[11]
2026-04-14 00:40:53
本篇为《基士得耶CP6450P一体机使用说明书》,主要介绍该产品的使用方法以及常见故障解决方案。
(共篇)
上一篇:
|
下一篇:
声明:
本网站引用、摘录或转载内容仅供网站访问者交流或参考,不代表本站立场,如存在版权或非法内容,请联系站长删除,联系邮箱:site.kefu@qq.com。
相关推荐
基士得耶CP6450P一体机使用说明书:[12]
阅读量:120
基士得耶CP6401P一体机使用说明书:[11]
阅读量:46
基士得耶CP6450C一体机使用说明书:[11]
阅读量:142
基士得耶CP6450C一体机使用说明书:[13]
阅读量:124
使用说明书封面怎么做
阅读量:195
猜你喜欢
电瓶亏电怎么恢复电量
微信怎么群发
驾照实习期满后怎么办
德邦物流怎么收费
猫见了老鼠为什么拔腿就跑
虾仁怎么做好吃
拔丝苹果的做法视频
锵锵三人行为什么停播
干粽叶怎么处理才能包粽子
杲怎么读
猜你喜欢
为什么拉屎有血
苹果醋做法
镜怎么玩
溜鱼片的家常做法
张起灵为什么长生不老
华容道怎么玩
舌头有裂纹是怎么回事
为什么要建设创新型国家
衰怎么读
汨怎么读