小度生活
首页
美食营养
手工爱好
生活家居
返回
小度生活
首页
美食营养
游戏数码
手工爱好
生活家居
健康养生
运动户外
职场理财
情感交际
母婴教育
时尚美容
知识问答
生活知识
生活百科
搜索
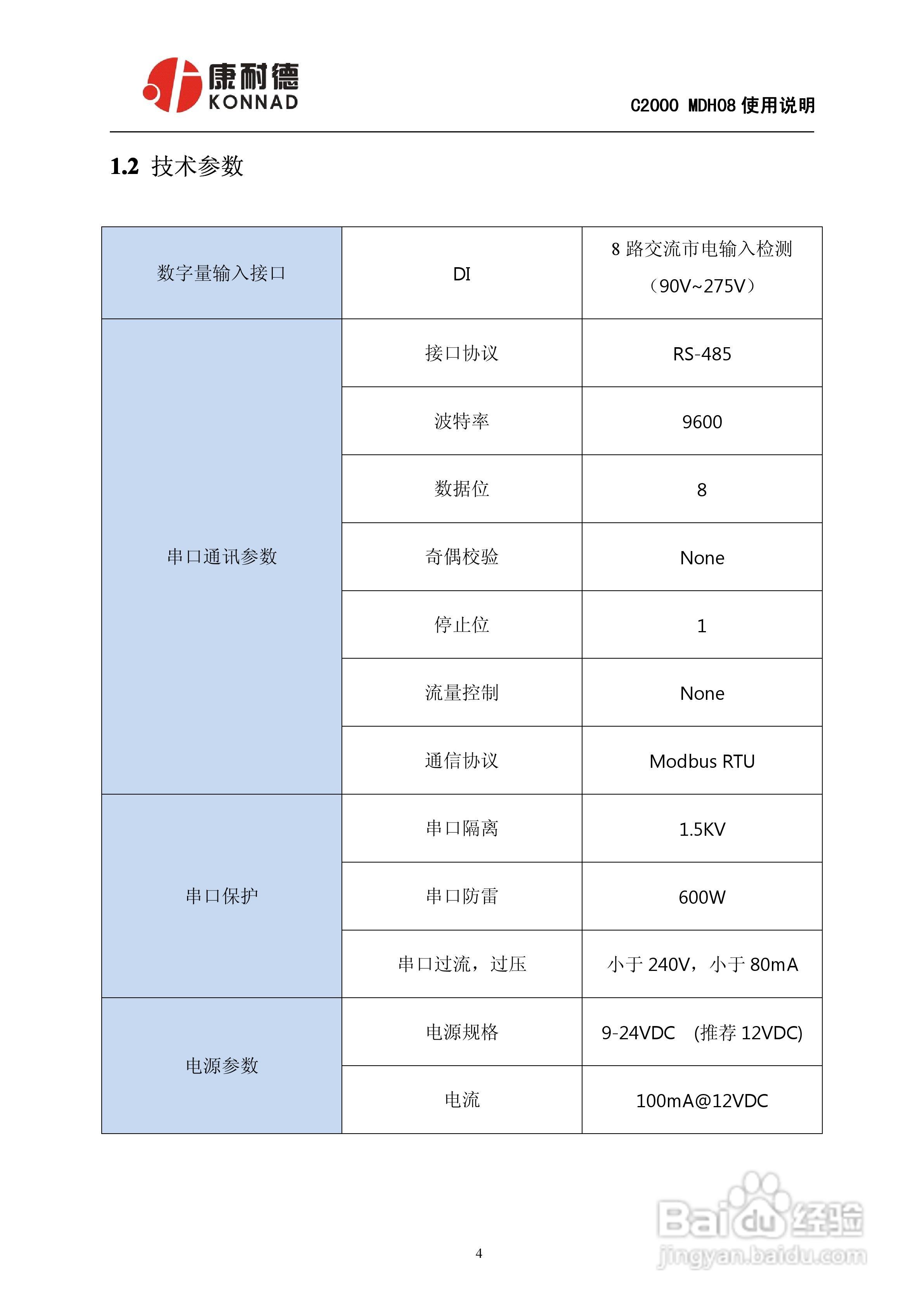
C2000/MDH08智能交流电检测模块使用说明书:[1]
2026-03-31 13:52:25
本篇为《C2000/MDH08智能交流电检测模块使用说明书》,主要介绍该产品的使用方法以及常见故障解决方案。
(共篇)
下一篇:
声明:
本网站引用、摘录或转载内容仅供网站访问者交流或参考,不代表本站立场,如存在版权或非法内容,请联系站长删除,联系邮箱:site.kefu@qq.com。
相关推荐
C2000/MDH08智能交流电检测模块使用说明书:[1]
阅读量:132
C2000/MDH08智能交流电检测模块使用说明书:[2]
阅读量:39
模块异常4怎么解决
阅读量:97
模块地暖安装施工标准
阅读量:71
模块的自动生成
阅读量:136
猜你喜欢
超买超卖是什么意思
419是什么
买什么车好
肺结核是由什么引起的
核磁共振是什么
薏米是什么米
wlan是什么
fred是什么意思
有什么花的名字
松露是什么
猜你喜欢
池子与河流告诉我们什么道理
有志者事竟成是什么意思
below是什么意思
不负如来不负卿是什么意思
结婚登记需要什么证件
sr是什么意思
famous什么意思
什么是初吻
考研都考什么
住宿费计入什么科目