小度生活
首页
美食营养
手工爱好
生活家居
返回
小度生活
首页
美食营养
游戏数码
手工爱好
生活家居
健康养生
运动户外
职场理财
情感交际
母婴教育
时尚美容
知识问答
生活知识
生活百科
搜索
C2000/MDH08智能交流电检测模块使用说明书:[1]
2026-03-31 10:07:02
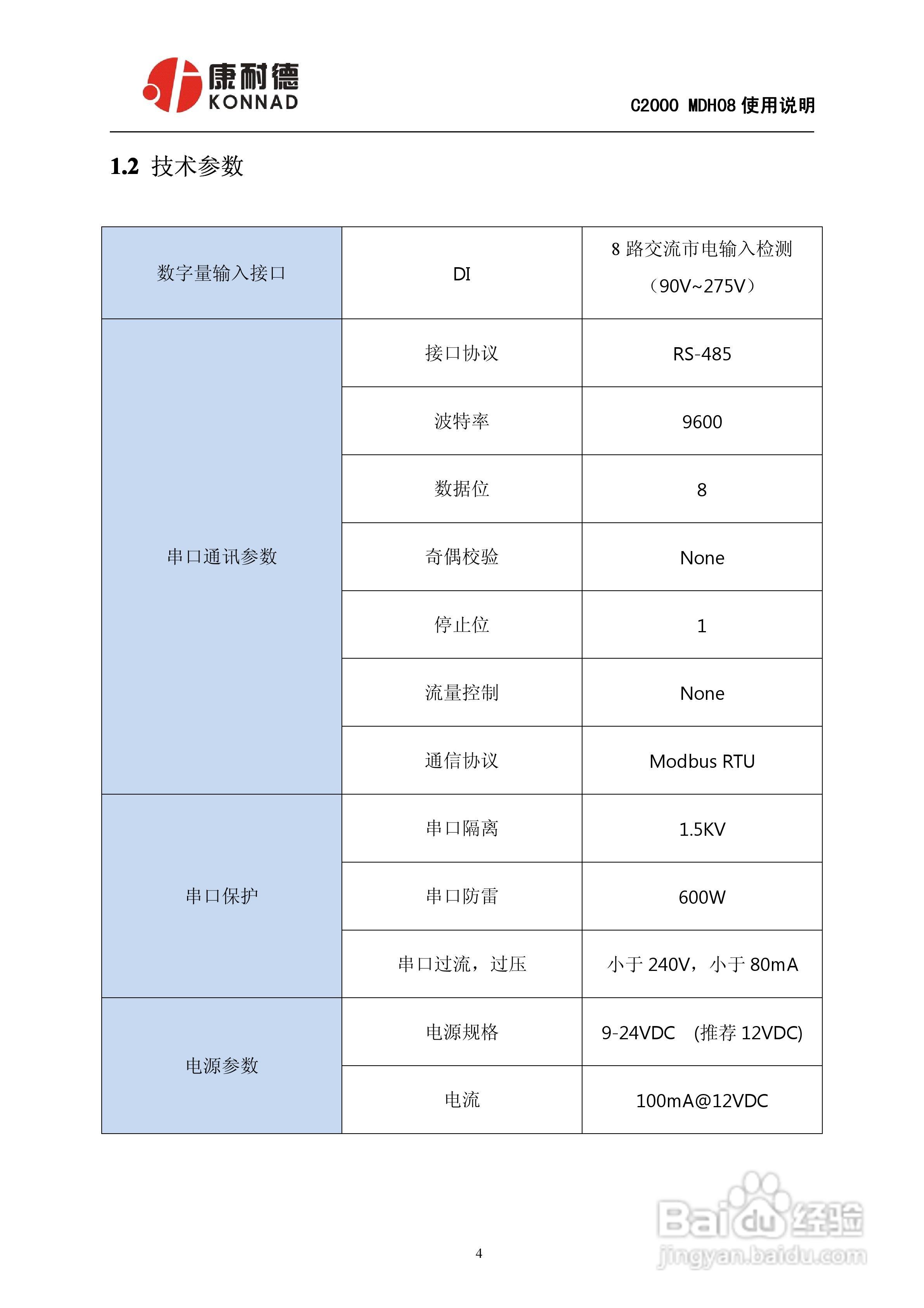
本篇为《C2000/MDH08智能交流电检测模块使用说明书》,主要介绍该产品的使用方法以及常见故障解决方案。
(共篇)
下一篇:
声明:
本网站引用、摘录或转载内容仅供网站访问者交流或参考,不代表本站立场,如存在版权或非法内容,请联系站长删除,联系邮箱:site.kefu@qq.com。
相关推荐
C2000/MDH08智能交流电检测模块使用说明书:[1]
阅读量:68
C2000/MDH08智能交流电检测模块使用说明书:[2]
阅读量:177
模块异常4怎么解决
阅读量:101
模块地暖安装施工标准
阅读量:94
模块的自动生成
阅读量:39
猜你喜欢
佛山有什么好玩的地方
郁闷是什么意思
chips是什么意思
alpha是什么
纸上谈兵是什么意思
早搏是什么意思
什么像什么的句子
11月11日是什么节
综合保税区是什么意思
football是什么意思
猜你喜欢
短期借款属于什么科目
1995年是什么命
2018年是什么命
白细胞低是什么原因
事宜是什么意思
misc是什么意思
什么是心理学
脚底长了像水泡一样的东西是什么
水猴子是什么
斑秃是什么原因