浪潮英信服务器nf520d2用户手册V1.0说明书:[1]
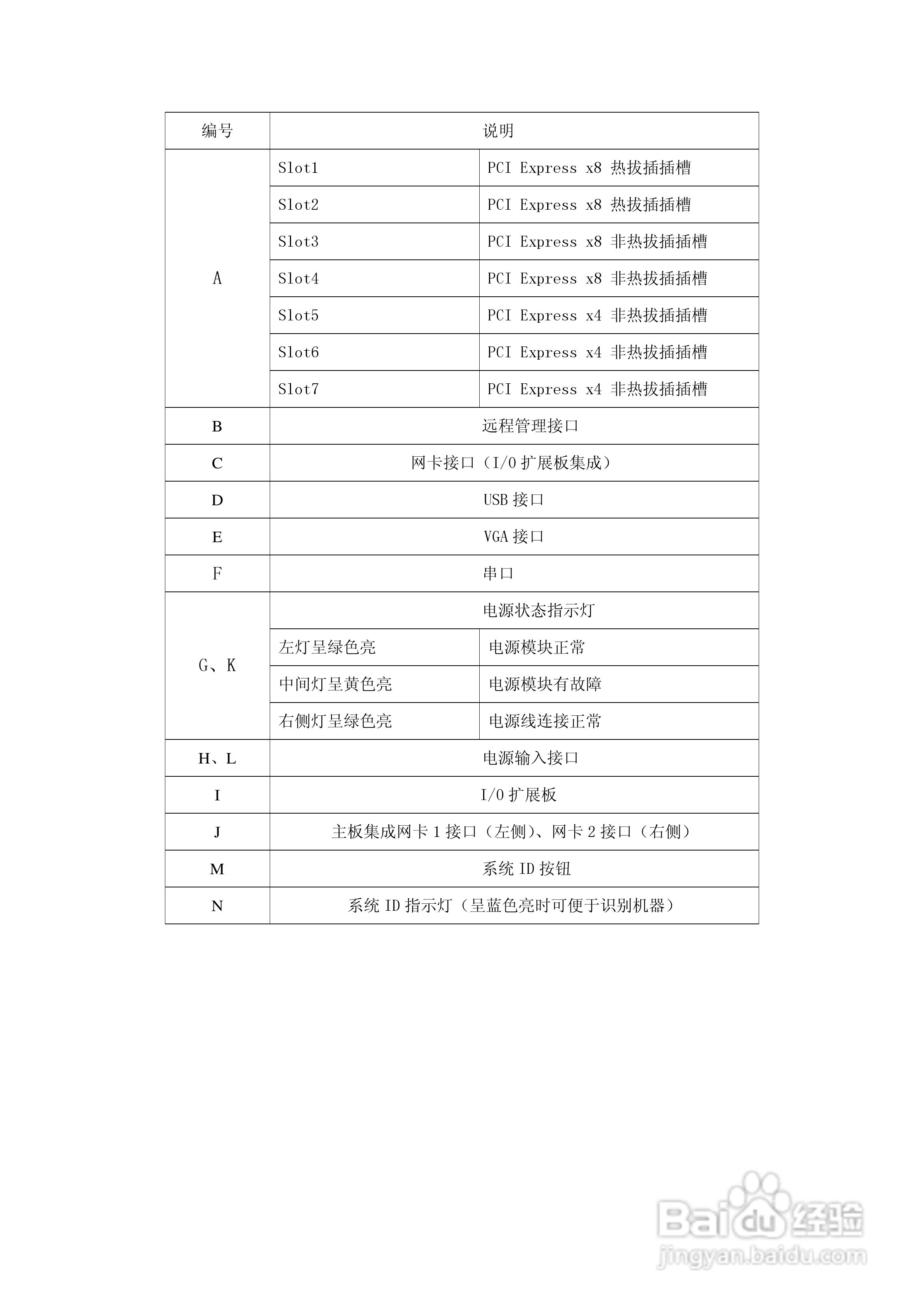
本篇为《浪潮英信服务器nf520d2用户手册V1.0说明书》,主要介绍该产品的使用方法以及常见故障解决方案。
![浪潮英信服务器nf520d2用户手册V1.0说明书:[1]](https://exp-picture.cdn.bcebos.com/cf6d451b1edef4dc4b498eaa45ecd3d968750cca.jpg)
![浪潮英信服务器nf520d2用户手册V1.0说明书:[1]](https://exp-picture.cdn.bcebos.com/5a5a00def4dca039ff6f535958d96975f3c40dca.jpg)
![浪潮英信服务器nf520d2用户手册V1.0说明书:[1]](https://exp-picture.cdn.bcebos.com/1f9feadca039131f239c4e6ce275f2c4ed990aca.jpg)
![浪潮英信服务器nf520d2用户手册V1.0说明书:[1]](https://exp-picture.cdn.bcebos.com/f59dbe39131fceec3da9f4c079c4ec9958430bca.jpg)
![浪潮英信服务器nf520d2用户手册V1.0说明书:[1]](https://exp-picture.cdn.bcebos.com/a1780d1fceecd3d986056f7167995943050108ca.jpg)
![浪潮英信服务器nf520d2用户手册V1.0说明书:[1]](https://exp-picture.cdn.bcebos.com/125ed0ecd3d9697502b4712cd243040149fe09ca.jpg)
![浪潮英信服务器nf520d2用户手册V1.0说明书:[1]](https://exp-picture.cdn.bcebos.com/30601b6104a355e98cdf7562d22ae3efe17868ca.jpg)
![浪潮英信服务器nf520d2用户手册V1.0说明书:[1]](https://exp-picture.cdn.bcebos.com/04201aa355e983aef8a6c49f68efe078153169ca.jpg)
![浪潮英信服务器nf520d2用户手册V1.0说明书:[1]](https://exp-picture.cdn.bcebos.com/05e24be983aee8d7485b7e5a6b781431deb666ca.jpg)
![浪潮英信服务器nf520d2用户手册V1.0说明书:[1]](https://exp-picture.cdn.bcebos.com/54a89daee8d7592af19e7dcd9f31dfb6336c67ca.jpg)
声明:本网站引用、摘录或转载内容仅供网站访问者交流或参考,不代表本站立场,如存在版权或非法内容,请联系站长删除,联系邮箱:site.kefu@qq.com。
阅读量:180
阅读量:37
阅读量:190
阅读量:28
阅读量:137
本篇为《浪潮英信服务器nf520d2用户手册V1.0说明书》,主要介绍该产品的使用方法以及常见故障解决方案。
![浪潮英信服务器nf520d2用户手册V1.0说明书:[1]](https://exp-picture.cdn.bcebos.com/cf6d451b1edef4dc4b498eaa45ecd3d968750cca.jpg)
![浪潮英信服务器nf520d2用户手册V1.0说明书:[1]](https://exp-picture.cdn.bcebos.com/5a5a00def4dca039ff6f535958d96975f3c40dca.jpg)
![浪潮英信服务器nf520d2用户手册V1.0说明书:[1]](https://exp-picture.cdn.bcebos.com/1f9feadca039131f239c4e6ce275f2c4ed990aca.jpg)
![浪潮英信服务器nf520d2用户手册V1.0说明书:[1]](https://exp-picture.cdn.bcebos.com/f59dbe39131fceec3da9f4c079c4ec9958430bca.jpg)
![浪潮英信服务器nf520d2用户手册V1.0说明书:[1]](https://exp-picture.cdn.bcebos.com/a1780d1fceecd3d986056f7167995943050108ca.jpg)
![浪潮英信服务器nf520d2用户手册V1.0说明书:[1]](https://exp-picture.cdn.bcebos.com/125ed0ecd3d9697502b4712cd243040149fe09ca.jpg)
![浪潮英信服务器nf520d2用户手册V1.0说明书:[1]](https://exp-picture.cdn.bcebos.com/30601b6104a355e98cdf7562d22ae3efe17868ca.jpg)
![浪潮英信服务器nf520d2用户手册V1.0说明书:[1]](https://exp-picture.cdn.bcebos.com/04201aa355e983aef8a6c49f68efe078153169ca.jpg)
![浪潮英信服务器nf520d2用户手册V1.0说明书:[1]](https://exp-picture.cdn.bcebos.com/05e24be983aee8d7485b7e5a6b781431deb666ca.jpg)
![浪潮英信服务器nf520d2用户手册V1.0说明书:[1]](https://exp-picture.cdn.bcebos.com/54a89daee8d7592af19e7dcd9f31dfb6336c67ca.jpg)