小度生活
首页
美食营养
手工爱好
生活家居
返回
小度生活
首页
美食营养
游戏数码
手工爱好
生活家居
健康养生
运动户外
职场理财
情感交际
母婴教育
时尚美容
知识问答
生活知识
生活百科
搜索
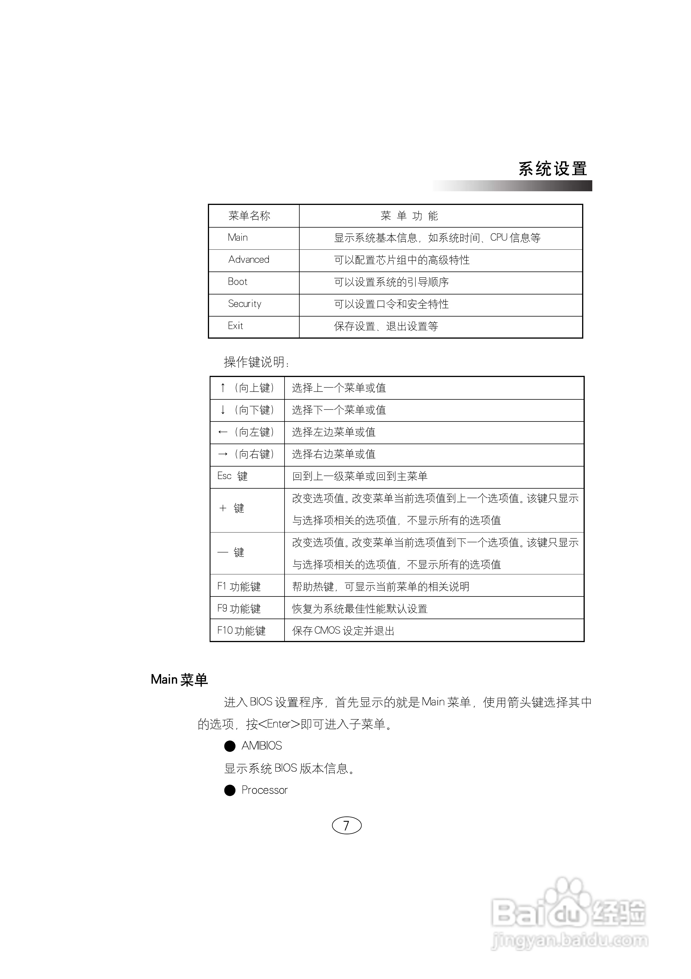
浪潮英信服务器NF580D2用户手册V1.0说明书:[2]
2026-04-11 02:11:29
本篇为《浪潮英信服务器NF580D2用户手册V1.0说明书》,主要介绍该产品的使用方法以及常见故障解决方案。
(共篇)
上一篇:
|
下一篇:
声明:
本网站引用、摘录或转载内容仅供网站访问者交流或参考,不代表本站立场,如存在版权或非法内容,请联系站长删除,联系邮箱:site.kefu@qq.com。
相关推荐
浪潮英信服务器NF580D2用户手册V1.0说明书:[1]
阅读量:97
浪潮英信服务器NF580D2用户手册V1.0说明书:[3]
阅读量:78
浪潮英信刀片服务器NX7100D用户手册V1.0说明书:[2]
阅读量:139
浪潮英信刀片服务器NX660D用户手册V1.0说明书:[2]
阅读量:59
浪潮服务器系统安装
阅读量:103
猜你喜欢
怎么去黑眼圈和眼袋
51旅游
闪之轨迹攻略
怎么打破折号
qq被冻结了怎么样才可以解冻
多伦多旅游
电动剃须刀可以带上飞机吗
漯河旅游
东莞旅游必去十大景点
凉拌银耳的家常做法
猜你喜欢
拉萨旅游攻略
花盆里有虫子怎么办
幽暗城怎么去奥格瑞玛
qq申诉不成功怎么办
天满星怎么杀
昆明大理丽江旅游攻略
经期可以吃水果吗
吃黄瓜可以减肥吗
可以赚钱的手机游戏
秋天的特点