小度生活
首页
美食营养
手工爱好
生活家居
返回
小度生活
首页
美食营养
游戏数码
手工爱好
生活家居
健康养生
运动户外
职场理财
情感交际
母婴教育
时尚美容
知识问答
生活知识
生活百科
搜索
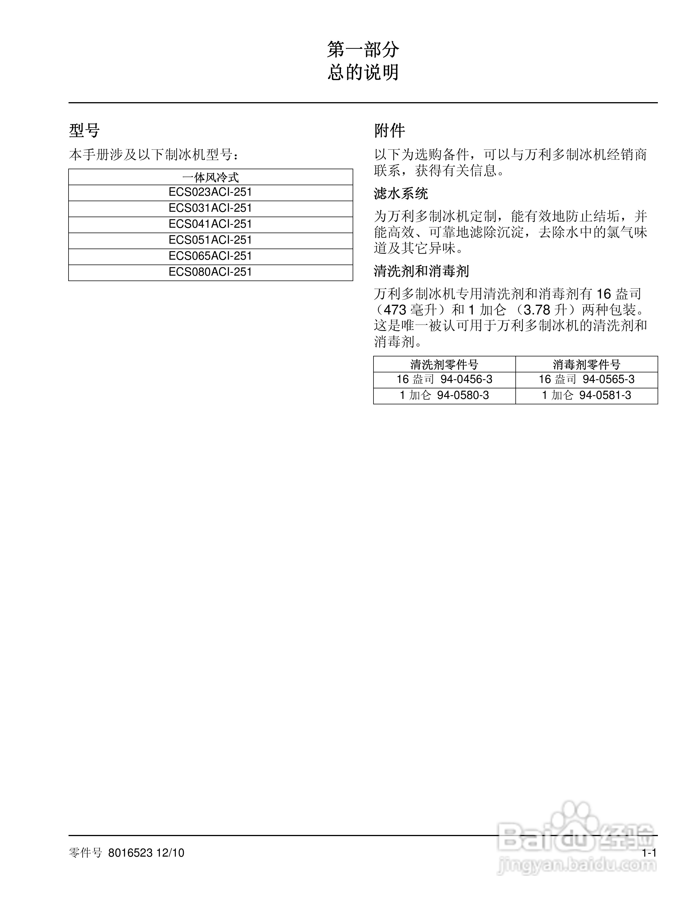
Manitowoc万利多ECS080ACI-251制冰机说明书:[1]
2026-04-02 17:14:34
/>
(共篇)
下一篇:
声明:
本网站引用、摘录或转载内容仅供网站访问者交流或参考,不代表本站立场,如存在版权或非法内容,请联系站长删除,联系邮箱:site.kefu@qq.com。
相关推荐
Manitowoc万利多ECS080ACI-251制冰机说明书:[2]
阅读量:39
Manitowoc万利多ECS065ACI-251制冰机说明书:[1]
阅读量:165
Manitowoc万利多ECS051ACI-251制冰机说明书:[2]
阅读量:145
Manitowoc万利多ECS065ACI-251制冰机说明书:[3]
阅读量:117
制冰机制冰慢怎么调节
阅读量:134
猜你喜欢
车船税怎么算
南港轮胎怎么样
白萝卜怎么吃
地狱传送门怎么做
肛瘘怎么治疗
怎么委婉的表白
武昌工学院怎么样
周怎么读
爱奇艺怎么下载电视剧
微信主题怎么设置皮肤
猜你喜欢
宝宝流鼻涕怎么办
cad图纸怎么看
扁桃体发炎怎么办怎样才能消下去
孩子个子矮小怎么办
爱玛特净水器怎么样
结膜炎怎么办
阿卡丽怎么玩
怎么开光
目录怎么做
鱼线怎么绑在鱼竿上