小度生活
首页
美食营养
手工爱好
生活家居
返回
小度生活
首页
美食营养
游戏数码
手工爱好
生活家居
健康养生
运动户外
职场理财
情感交际
母婴教育
时尚美容
知识问答
生活知识
生活百科
搜索
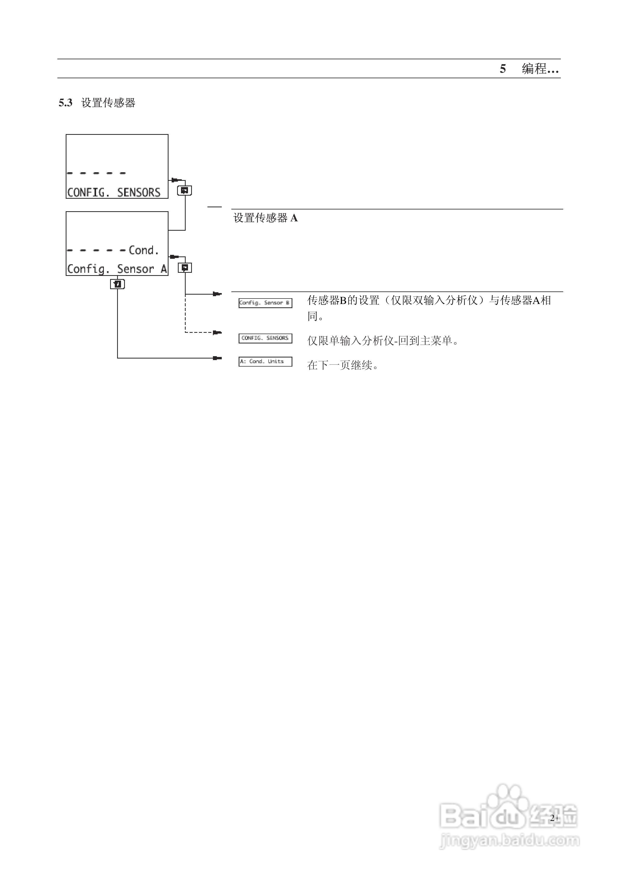
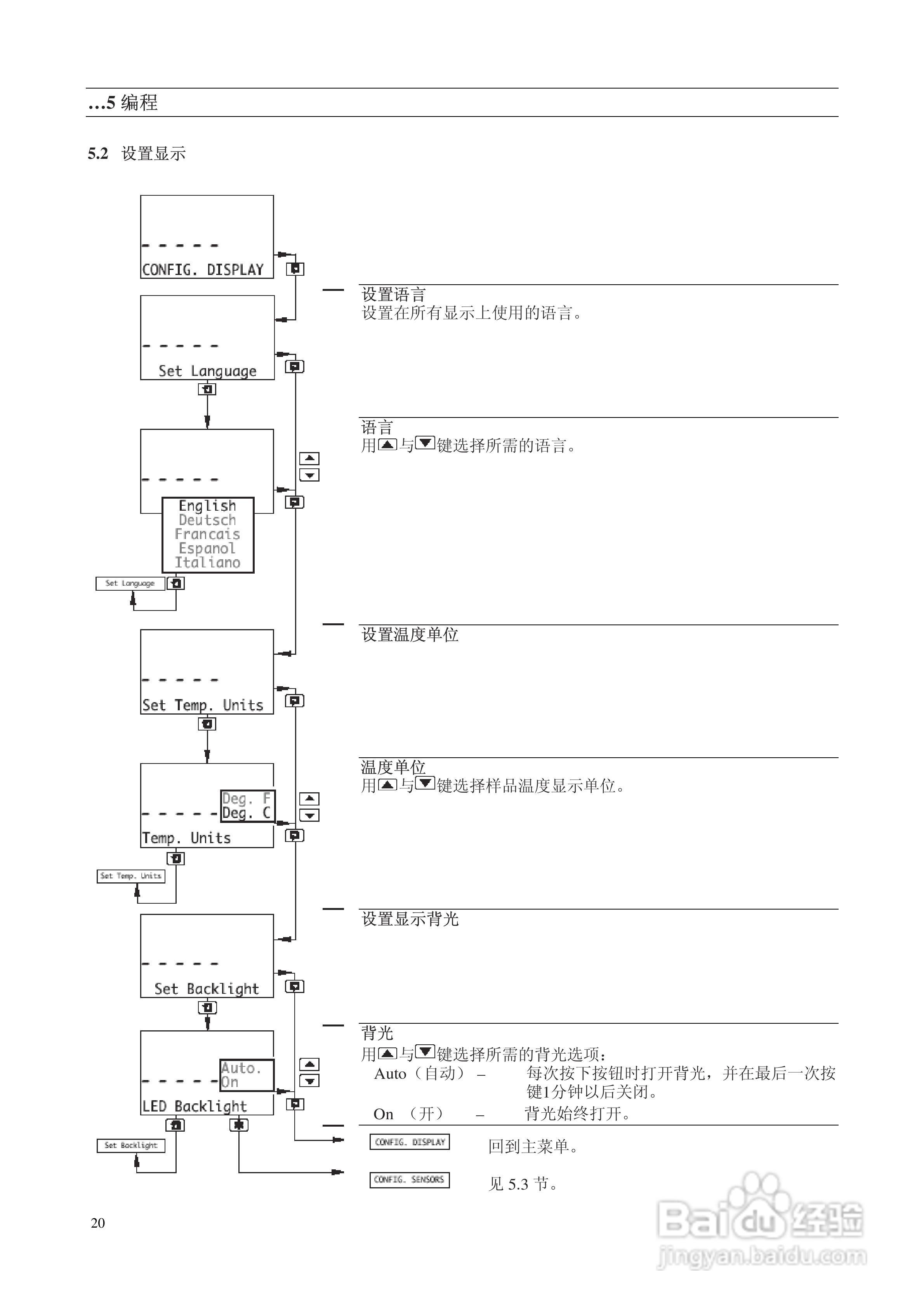
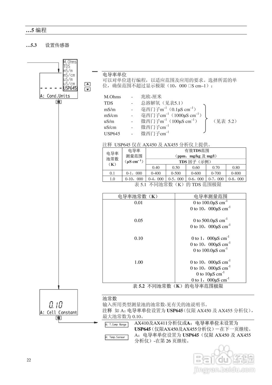
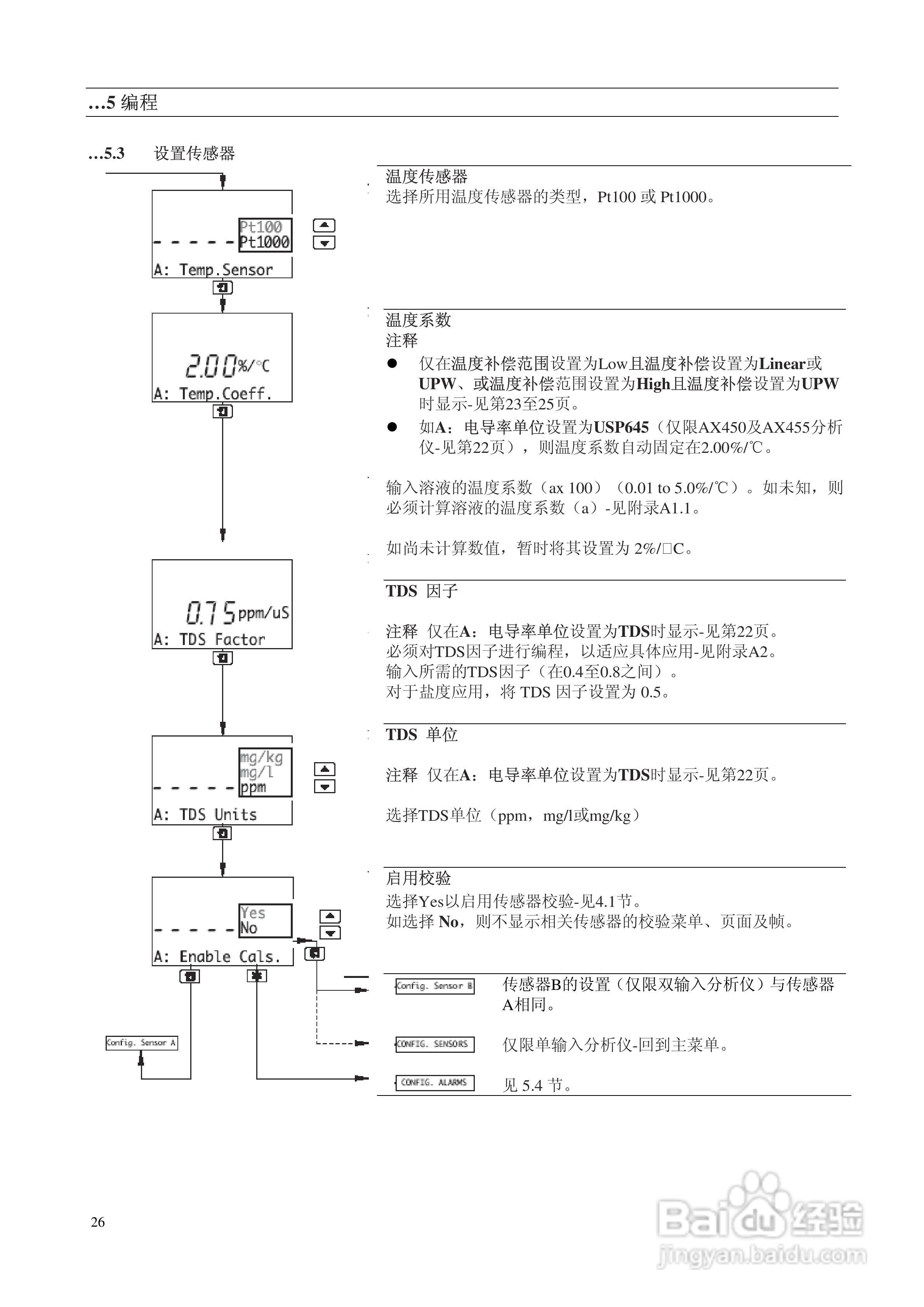
AbbAX400系列电导率分析仪说明书:[3]
2026-05-23 05:07:13
本篇为《AbbAX400系列电导率分析仪说明书》,主要介绍该产品的使用方法以及常见故障解决方案。
(共篇)
上一篇:
|
下一篇:
声明:
本网站引用、摘录或转载内容仅供网站访问者交流或参考,不代表本站立场,如存在版权或非法内容,请联系站长删除,联系邮箱:site.kefu@qq.com。
相关推荐
AbbAX400系列电导率分析仪说明书:[6]
阅读量:100
台达ASDA-B2伺服驱动器使用手冊:[5]
阅读量:174
OMRON 3F88L-155凸轮定位器使用说明书:[6]
阅读量:35
如何在难布线的特殊环境中使用无线传输CAN数据
阅读量:71
winedt去除到期提醒
阅读量:190
猜你喜欢
山竹是什么
1972年出生是什么命
商务英语是学什么
脚气是什么症状
dns服务器是什么
感恩节在什么时候
tonight是什么意思
自负是什么意思
style是什么意思
车船税是什么
猜你喜欢
6月15日是什么星座
erp系统是什么
mice是什么意思
乌合之众是什么意思
什么是权重
什么是集体户口
投鼠忌器是什么意思
cd-rom是什么
origin是什么意思
quarter是什么意思