小度生活
首页
美食营养
手工爱好
生活家居
返回
小度生活
首页
美食营养
游戏数码
手工爱好
生活家居
健康养生
运动户外
职场理财
情感交际
母婴教育
时尚美容
知识问答
生活知识
搜索
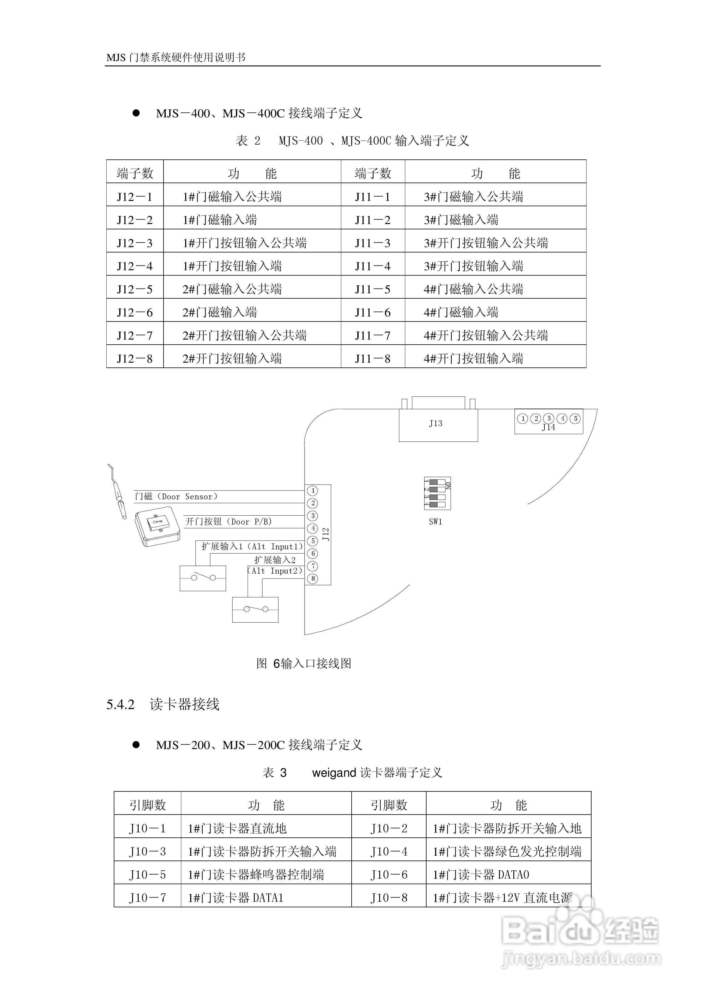
MJS-400C门禁控制器硬件说明书:[2]
2025-10-31 04:15:01
本篇为《MJS-400C门禁控制器硬件说明书》,主要介绍该产品的使用方法以及常见故障解决方案。
(共篇)
上一篇:
|
下一篇:
声明:
本网站引用、摘录或转载内容仅供网站访问者交流或参考,不代表本站立场,如存在版权或非法内容,请联系站长删除,联系邮箱:site.kefu@qq.com。
相关推荐
MJS-480 TCP IP门禁系统硬件使用说明书:[2]
阅读量:34
MJS-180 TCP IP门禁控制系统硬件使用说明书:[2]
阅读量:73
MJS-480 TCP IP门禁系统硬件使用说明书:[1]
阅读量:172
MJS-180 TCP IP门禁控制系统硬件使用说明书:[1]
阅读量:29
MJS-180 TCP IP门禁控制系统硬件使用说明书:[3]
阅读量:110
猜你喜欢
7月7日是什么星座
speak是什么意思
所有都被一笔带过什么歌
timber什么意思
学唱歌先练什么
什么让我陶醉作文
感冒喝什么汤
讨厌的近义词是什么
脸颊两边长痘痘是什么原因引起的
双腿无力是什么原因
猜你喜欢
芦荟有什么作用
狐假虎威是什么意思
法西斯是什么
不想吃饭是什么原因
验车需要带什么
australia是什么意思
基友什么意思
言不由衷是什么意思
回购是什么意思
羊肉炖什么好吃