小度生活
首页
美食营养
手工爱好
生活家居
返回
小度生活
首页
美食营养
游戏数码
手工爱好
生活家居
健康养生
运动户外
职场理财
情感交际
母婴教育
时尚美容
知识问答
生活知识
生活百科
搜索
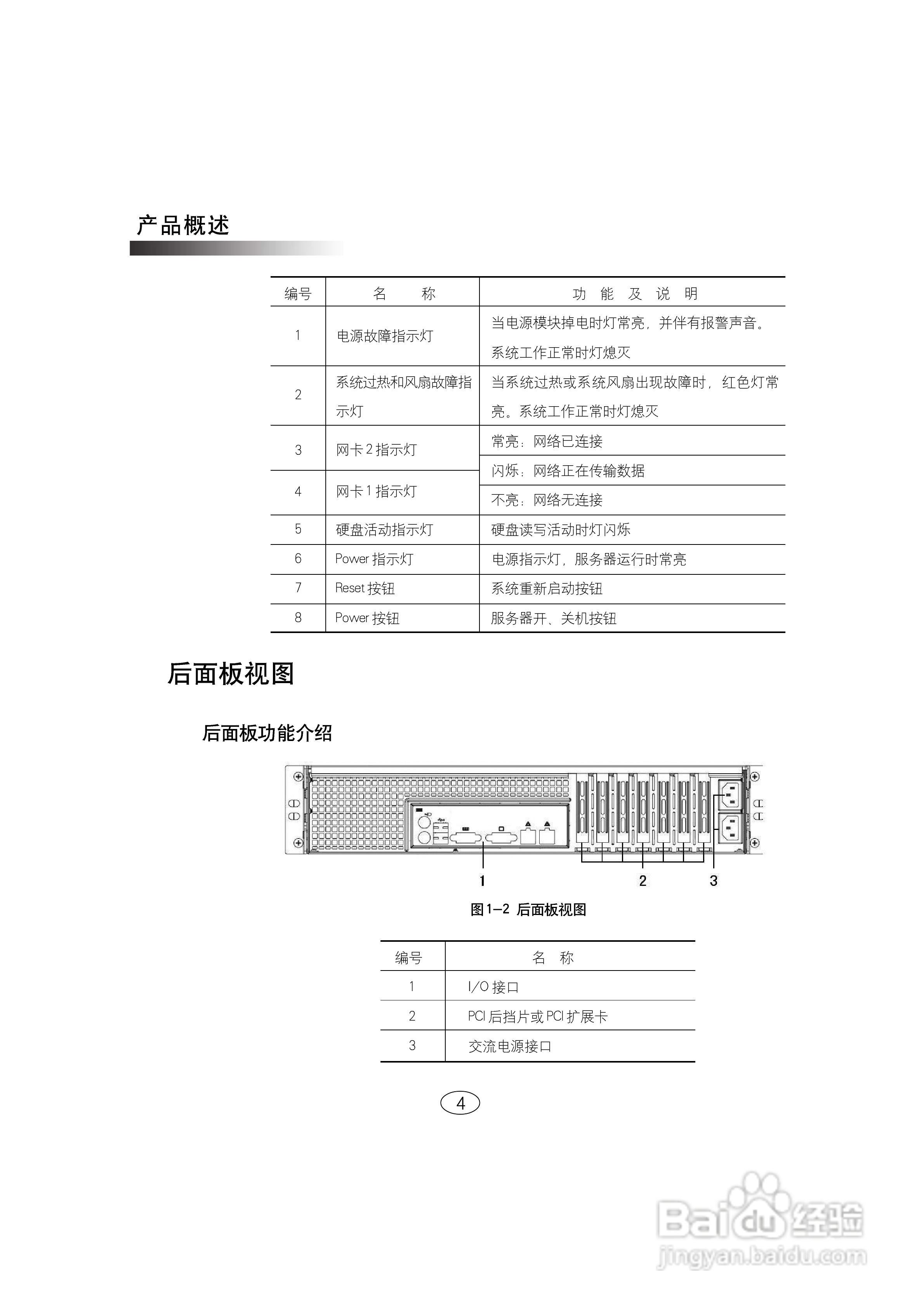
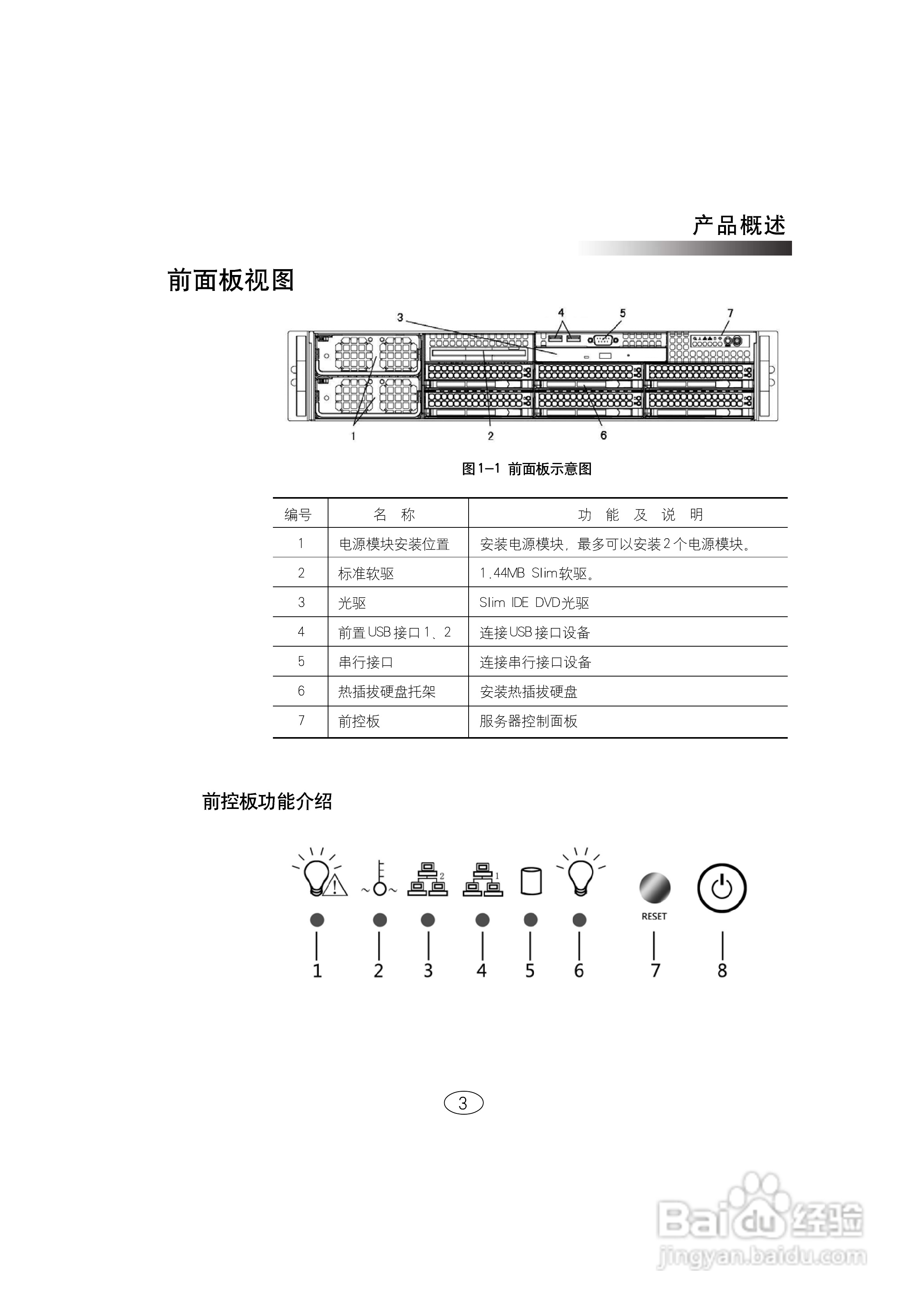
浪潮英信服务器NF580D2用户手册V1.0说明书:[1]
2026-04-11 05:35:09
本篇为《浪潮英信服务器NF580D2用户手册V1.0说明书》,主要介绍该产品的使用方法以及常见故障解决方案。
(共篇)
下一篇:
声明:
本网站引用、摘录或转载内容仅供网站访问者交流或参考,不代表本站立场,如存在版权或非法内容,请联系站长删除,联系邮箱:site.kefu@qq.com。
相关推荐
浪潮英信服务器NF580D2用户手册V1.0说明书:[2]
阅读量:129
浪潮英信服务器NF580D2用户手册V1.0说明书:[3]
阅读量:76
浪潮服务器系统安装
阅读量:97
浪潮服务器配置管理口
阅读量:47
浪潮服务器热备盘配置
阅读量:101
猜你喜欢
周边是什么意思
fof基金是什么意思
fwd是什么意思
洗礼是什么意思
tx是什么意思
口加客念什么
pb是什么
舆论是什么意思
甘油三酯是什么意思
什么是奥数
猜你喜欢
亮晶晶的什么
萨瓦迪卡什么意思
12月7日是什么星座
猫的胡子有什么作用
新生儿溶血是什么意思
头出汗多是什么原因
and是什么意思
hold不住是什么意思
free什么意思
ring是什么意思