小度生活
首页
美食营养
手工爱好
生活家居
返回
小度生活
首页
美食营养
游戏数码
手工爱好
生活家居
健康养生
运动户外
职场理财
情感交际
母婴教育
时尚美容
知识问答
生活知识
生活百科
搜索
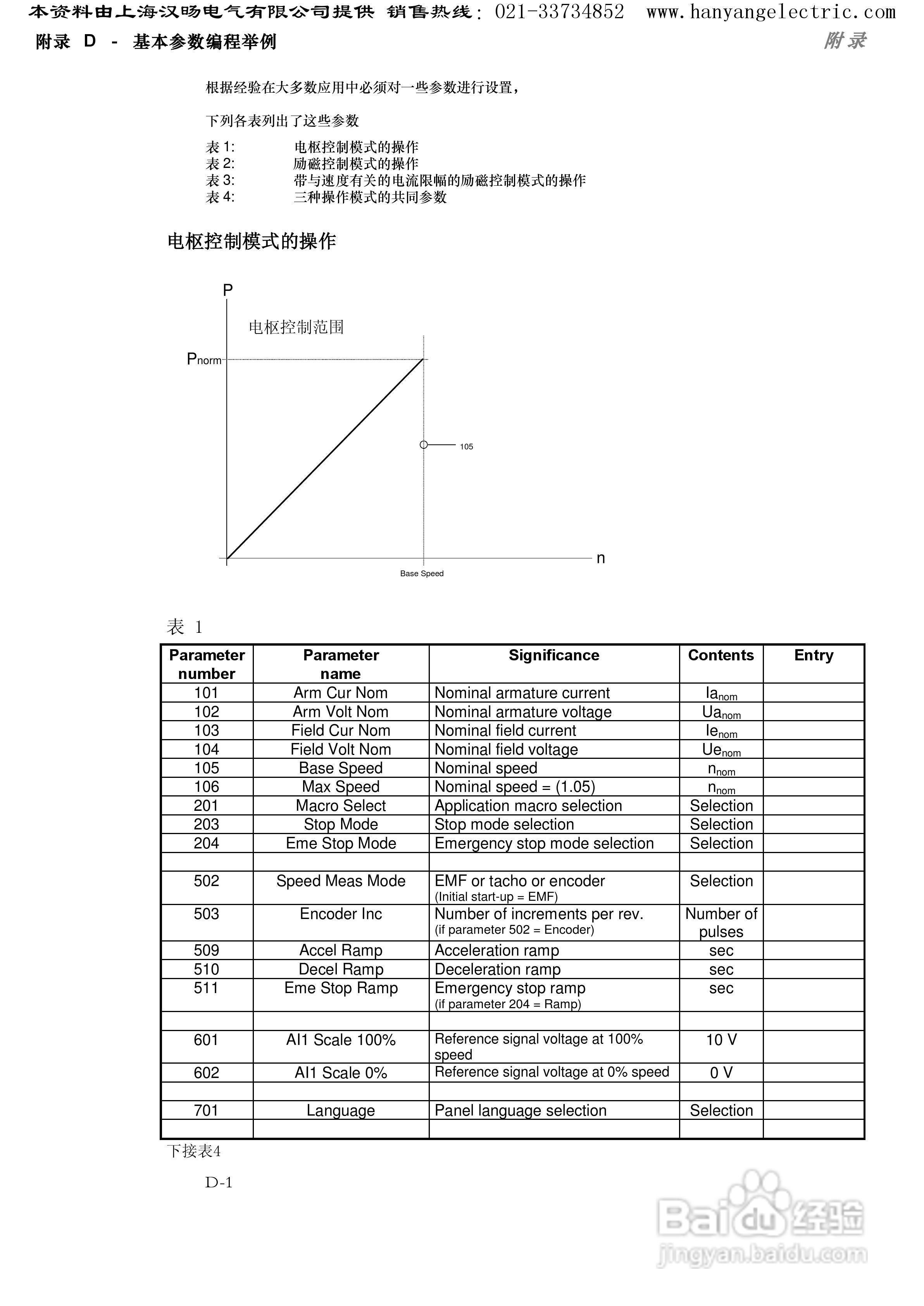
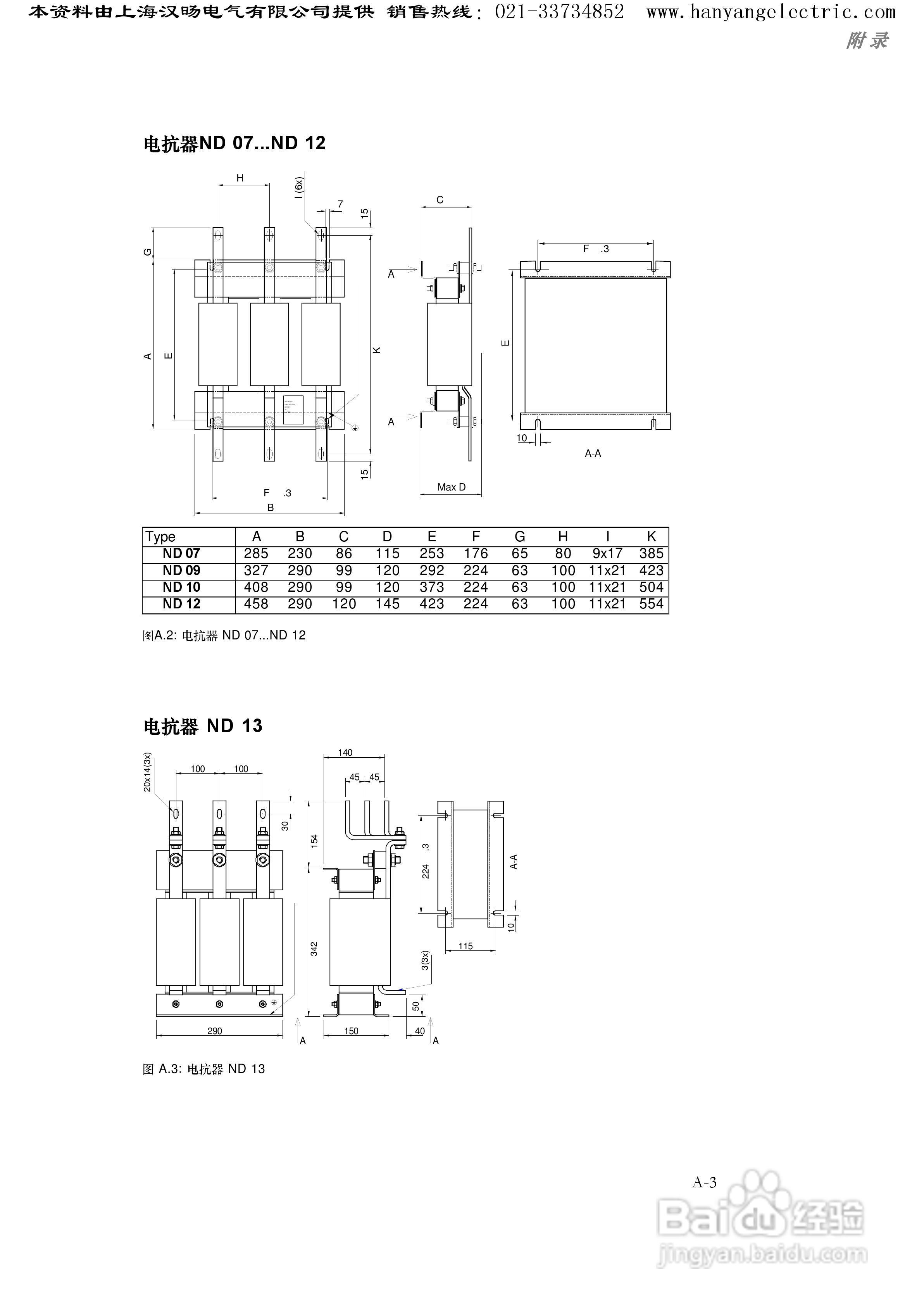
ABB DCS400直流调速器中文使用手册:[17]
2026-04-26 14:16:37
本篇为《ABB DCS400直流调速器中文使用手册》,主要介绍该产品的使用方法以及常见故障解决方案。
(共篇)
上一篇:
|
下一篇:
声明:
本网站引用、摘录或转载内容仅供网站访问者交流或参考,不代表本站立场,如存在版权或非法内容,请联系站长删除,联系邮箱:site.kefu@qq.com。
相关推荐
如何注册闲鱼账号
阅读量:107
闲鱼如何参与粉丝抽奖
阅读量:175
闲鱼怎么设置不允许查看我的关注/粉丝列表?
阅读量:177
闲鱼卖掉的东西怎么再次发布?
阅读量:38
闲鱼如何将下架的宝贝重新发布
阅读量:95
猜你喜欢
堇怎么读
佛怎么组词
土豆丝的家常做法
清蒸生蚝最简单的做法
花螺的做法
萝卜泡菜的做法
51talk英语怎么样
盘子用英语怎么说
鸡块的做法大全家常
行李箱密码锁打不开怎么办
猜你喜欢
炖鸡蛋的做法
淳怎么读
炒猪肝的做法大全
反函数怎么求
蚂蚁上树的家常做法
蓝牙耳机怎么连接手机
冰糖梨水的做法
芋头蒸排骨的做法
奶油蛋糕的做法
百合怎么做好吃