小度生活
首页
美食营养
手工爱好
生活家居
返回
小度生活
首页
美食营养
游戏数码
手工爱好
生活家居
健康养生
运动户外
职场理财
情感交际
母婴教育
时尚美容
知识问答
生活知识
搜索
傲拓NA400可编程控制器硬件手册V1.8:[10]
2026-02-06 08:30:45
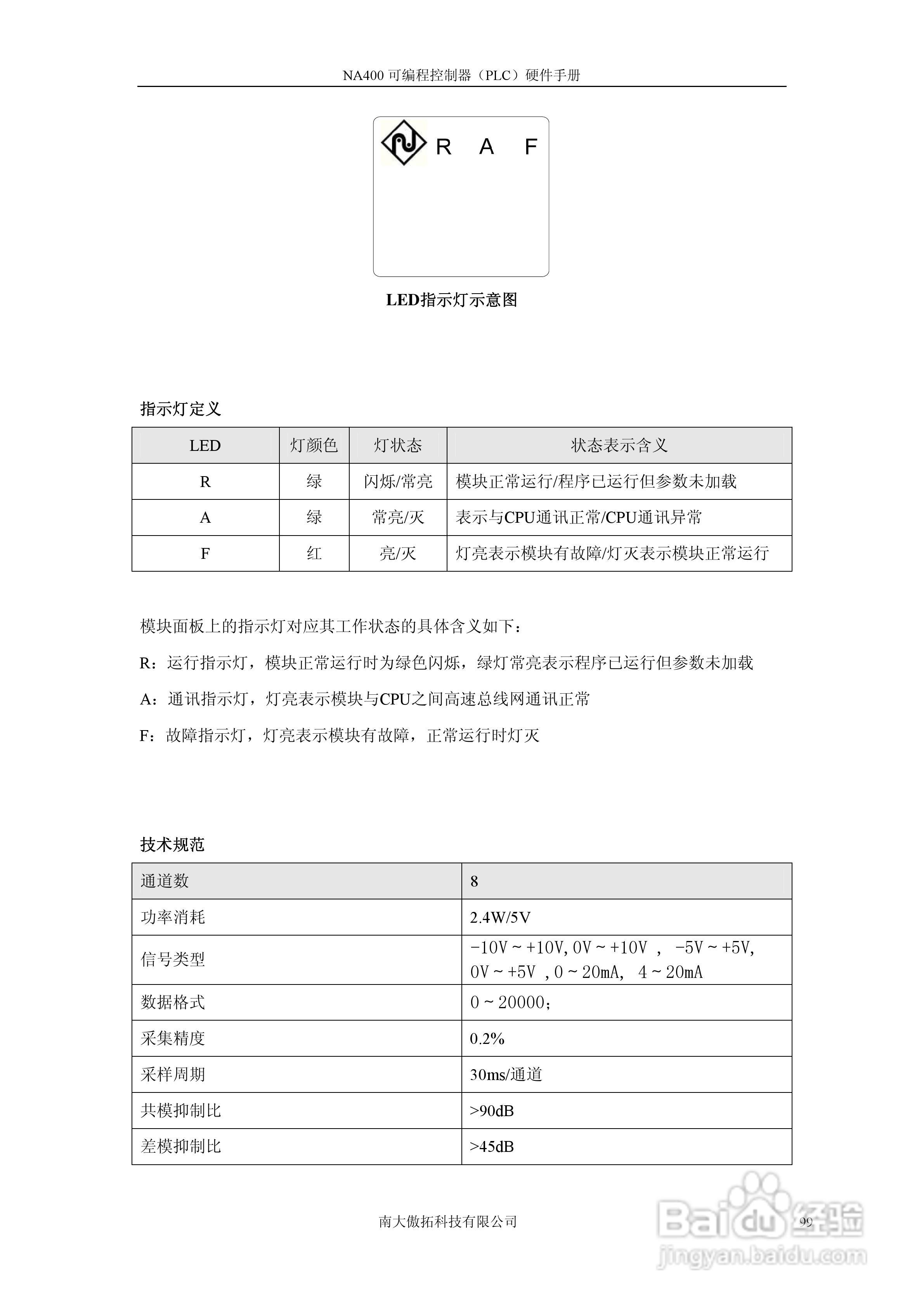
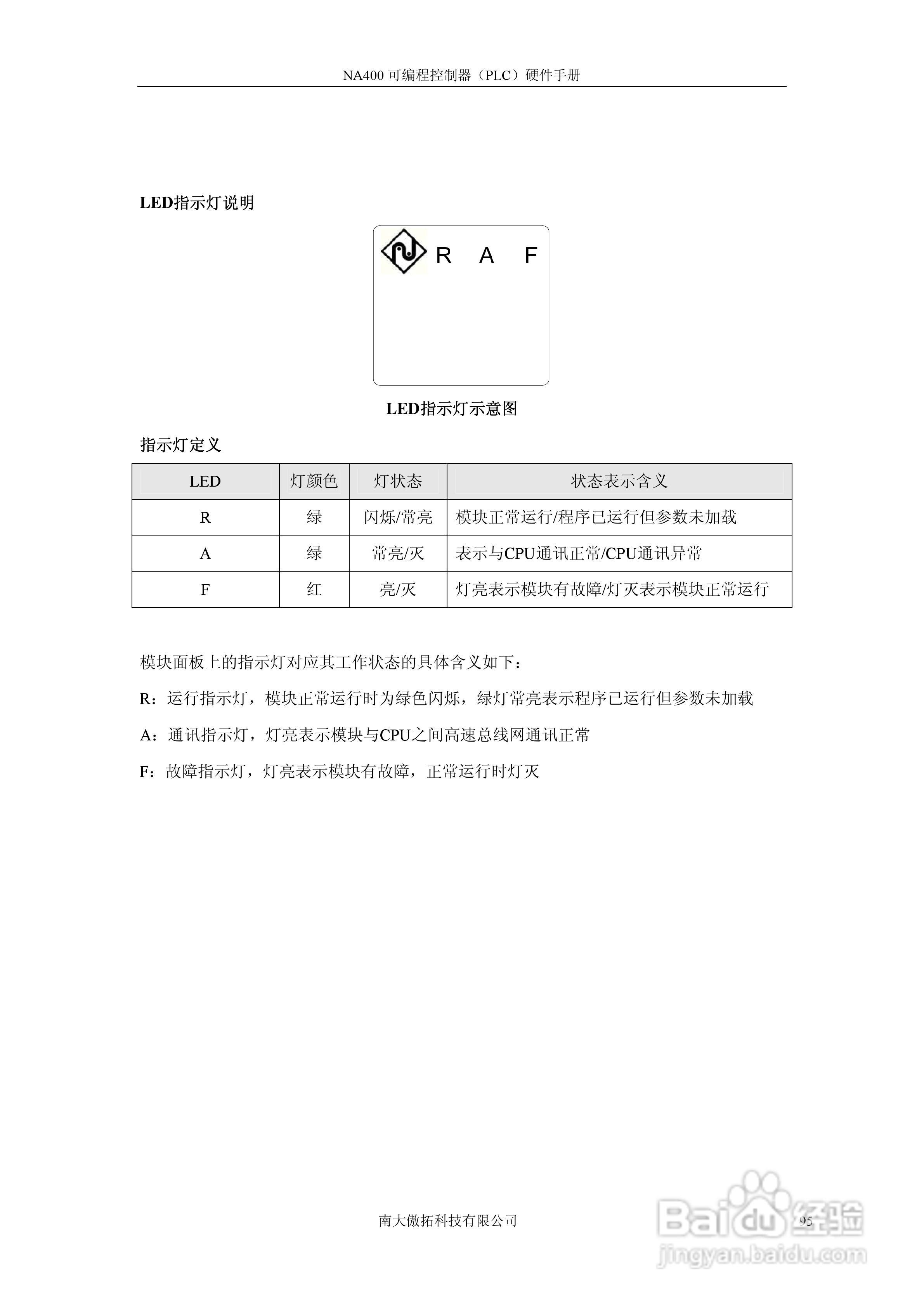
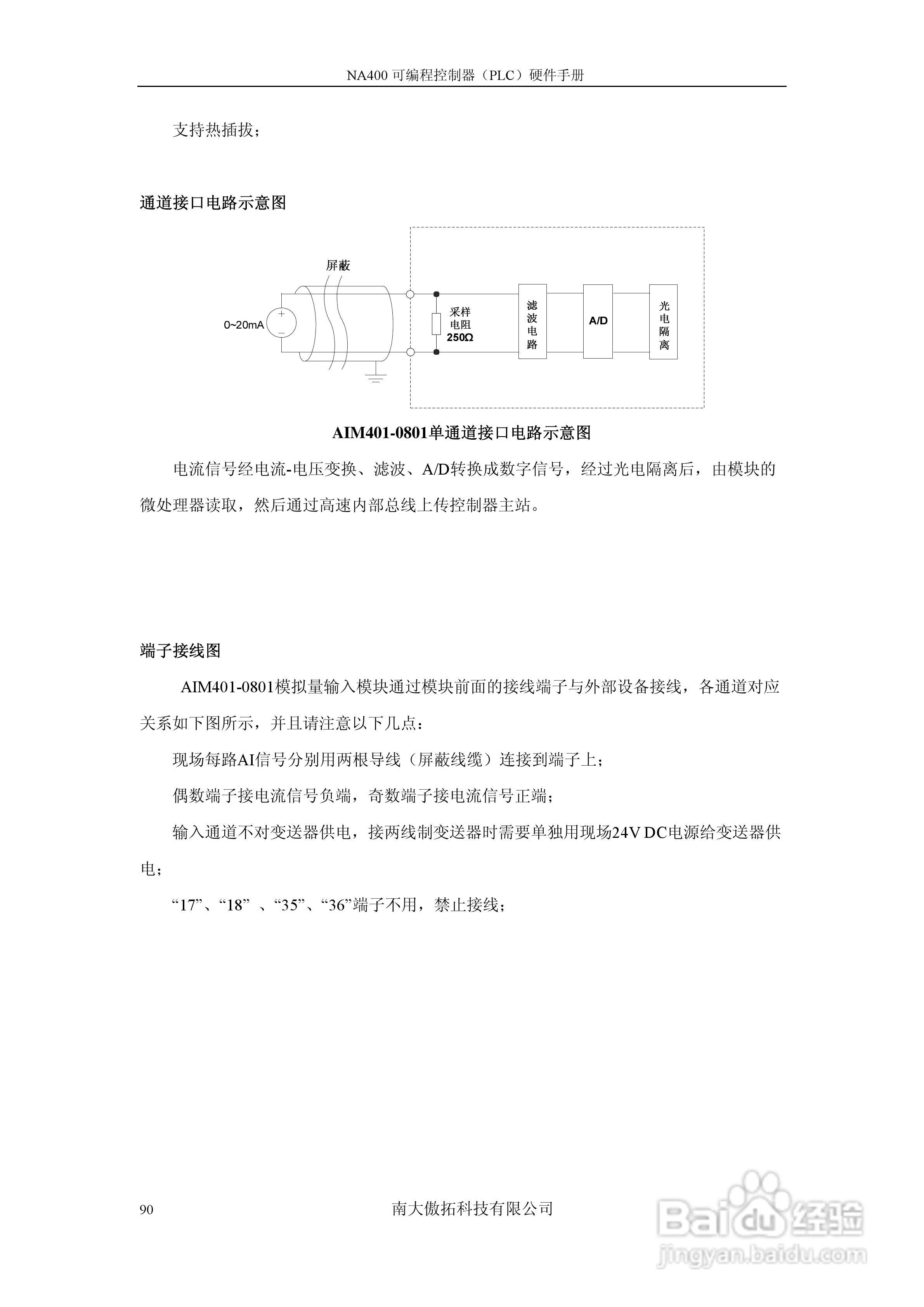
本篇为《傲拓NA400可编程控制器硬件手册V1.8》,主要介绍该产品的使用方法以及常见故障解决方案。
(共篇)
上一篇:
|
下一篇:
声明:
本网站引用、摘录或转载内容仅供网站访问者交流或参考,不代表本站立场,如存在版权或非法内容,请联系站长删除,联系邮箱:site.kefu@qq.com。
相关推荐
傲拓NA400可编程控制器硬件手册V1.8:[18]
阅读量:97
傲拓NA400可编程控制器硬件手册V1.8:[14]
阅读量:38
可编程控制器的硬件系统组成
阅读量:75
傲拓NA400可编程控制器硬件手册V1.8:[13]
阅读量:181
傲拓NA400可编程控制器硬件手册V1.8:[16]
阅读量:97
猜你喜欢
怎么收藏淘宝店铺
心里难受怎么办
西南政法大学怎么样
迈腾车怎么样
河虾怎么做
怎么连接路由器
新生儿便秘怎么办
电话销售怎么样
怎么给c盘增加空间
老打嗝是怎么回事
猜你喜欢
阿魏钓鱼怎么用
土豆怎么保存不发芽
齐肩发怎么扎好看
lol怎么在游戏中回复好友消息
怎么看朋友圈访客记录
没有开瓶器怎么开啤酒
不排卵怎么办
手机死机怎么办
itunes怎么用
永久自行车怎么样