小度生活
首页
美食营养
手工爱好
生活家居
返回
小度生活
首页
美食营养
游戏数码
手工爱好
生活家居
健康养生
运动户外
职场理财
情感交际
母婴教育
时尚美容
知识问答
生活知识
搜索
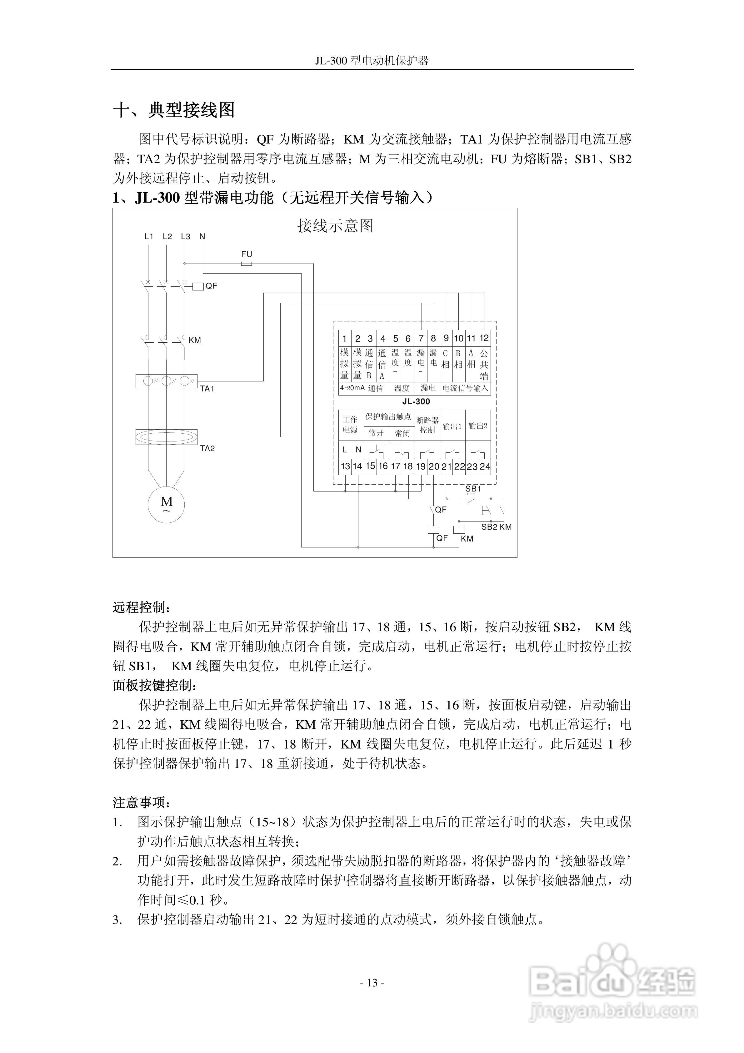
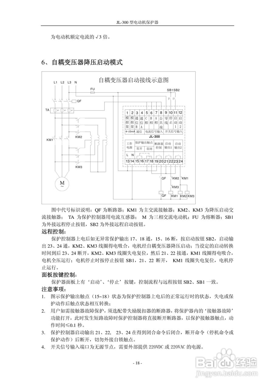
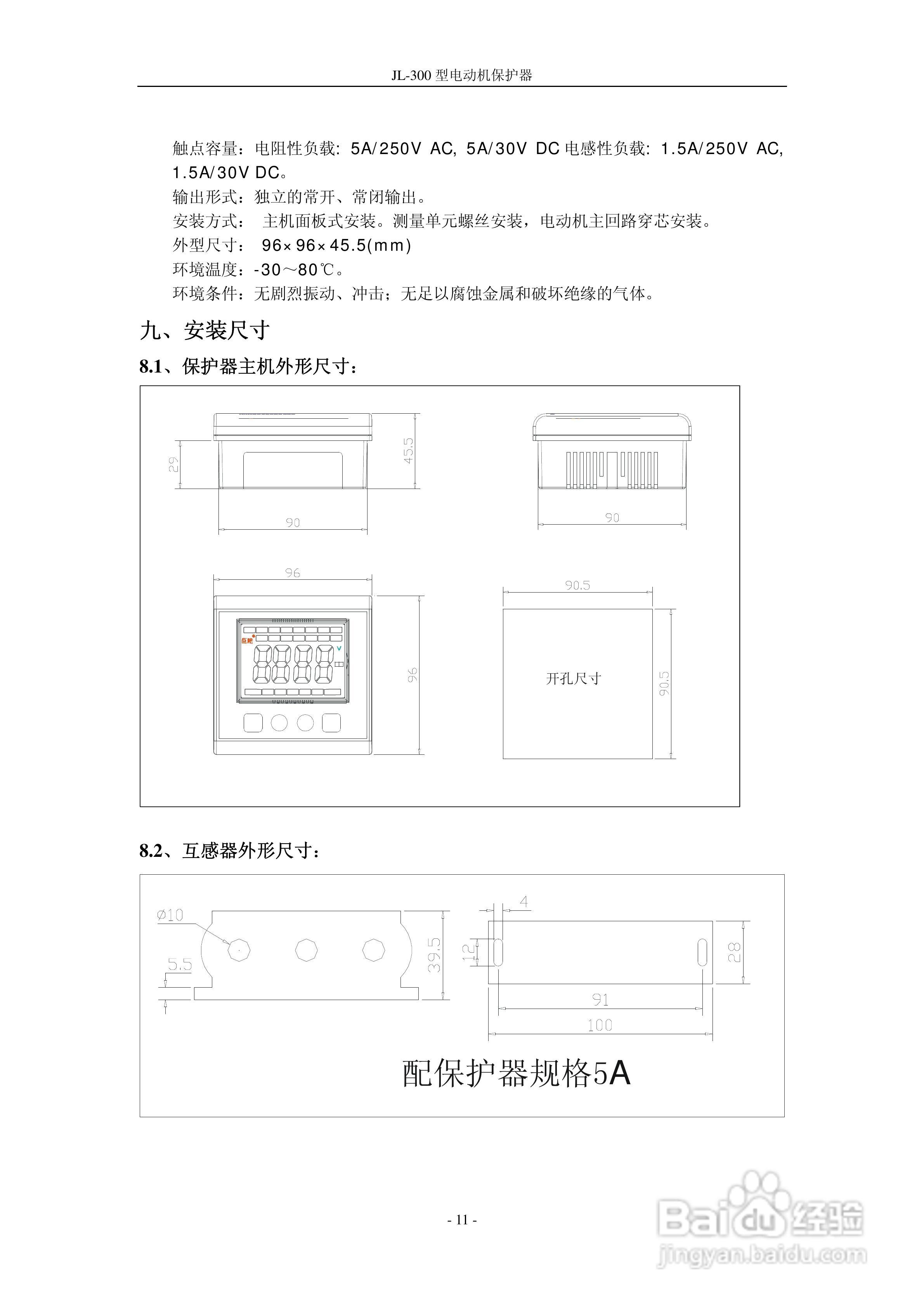
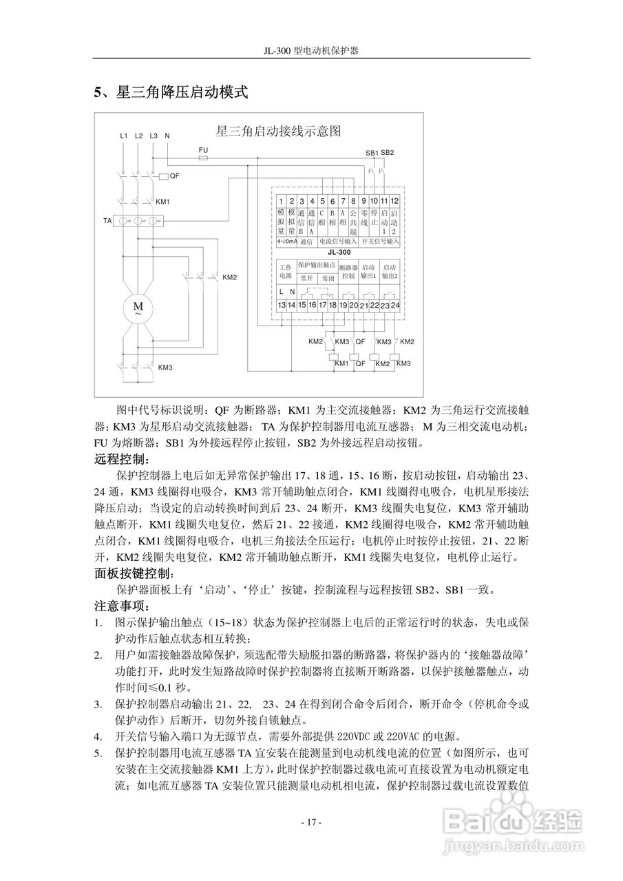
JL-300型电动机保护器说明书:[2]
2026-02-15 04:15:15
本篇为《JL-300型电动机保护器说明书》,主要介绍该产品的使用方法以及常见故障解决方案。
(共篇)
上一篇:
声明:
本网站引用、摘录或转载内容仅供网站访问者交流或参考,不代表本站立场,如存在版权或非法内容,请联系站长删除,联系邮箱:site.kefu@qq.com。
相关推荐
ARD3电动机保护器使用说明书:[3]
阅读量:186
ARD3电动机保护器使用说明书:[4]
阅读量:171
使用说明:黑键—挂JL武器
阅读量:170
电动机保护器选型基本原则
阅读量:150
电动机保护器的常见类型
阅读量:116
猜你喜欢
氮泵是什么
驿站是什么意思
芊芊是什么意思
处女座女和什么星座最配
中国什么时候灭亡
肌酐偏低是什么原因
信仰是什么
毒龙钻是什么
梦见已故长辈什么预兆
什么是人生
猜你喜欢
单纯是什么意思
双一流是什么意思
碱面是什么
叶良辰是什么梗
脑卒中是什么意思
aj是什么意思
逆风如解意容易莫摧残什么意思
内存条有什么用
一分钟能做什么
led是什么意思