小度生活
首页
美食营养
手工爱好
生活家居
返回
小度生活
首页
美食营养
游戏数码
手工爱好
生活家居
健康养生
运动户外
职场理财
情感交际
母婴教育
时尚美容
知识问答
生活知识
生活百科
搜索
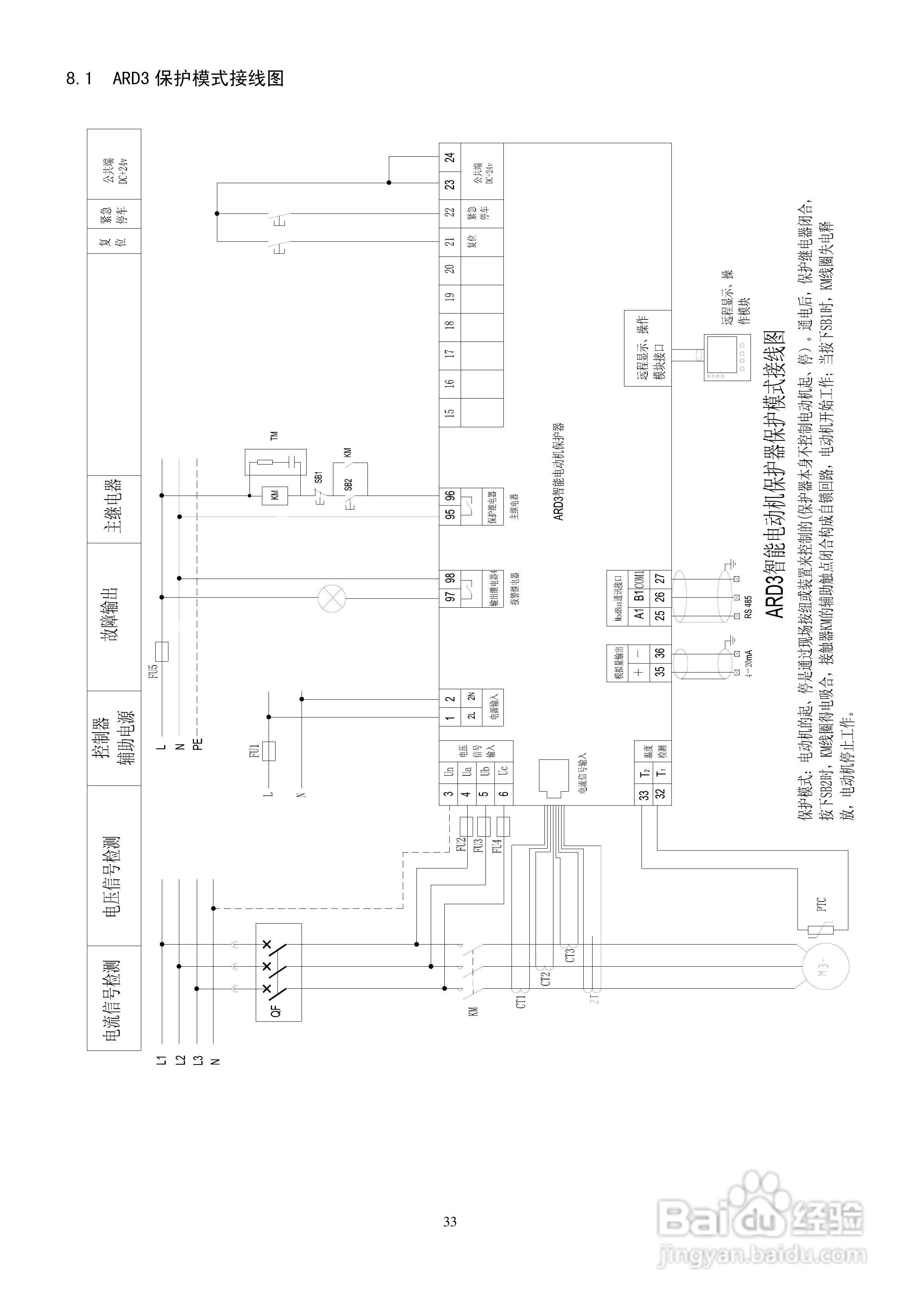
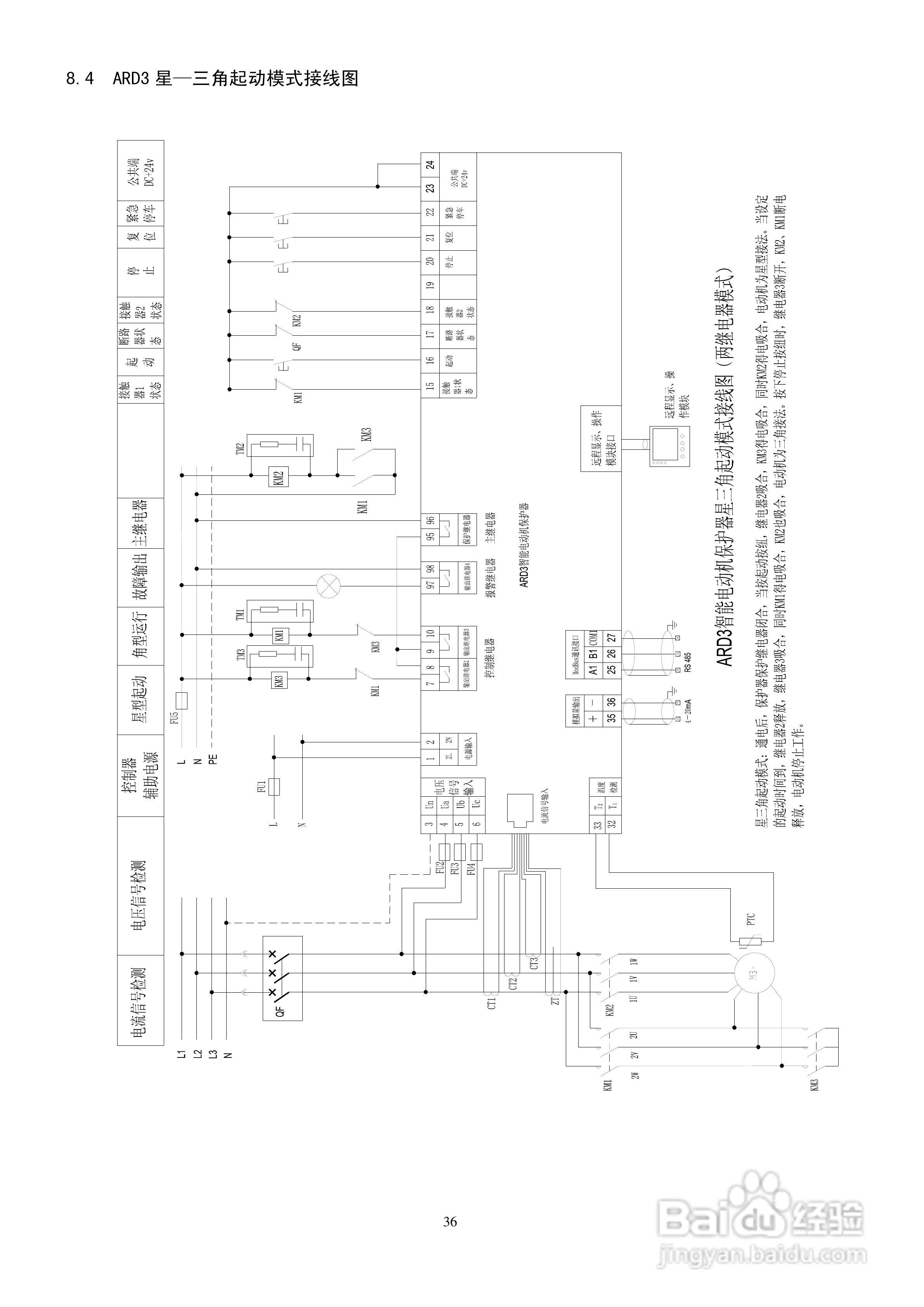
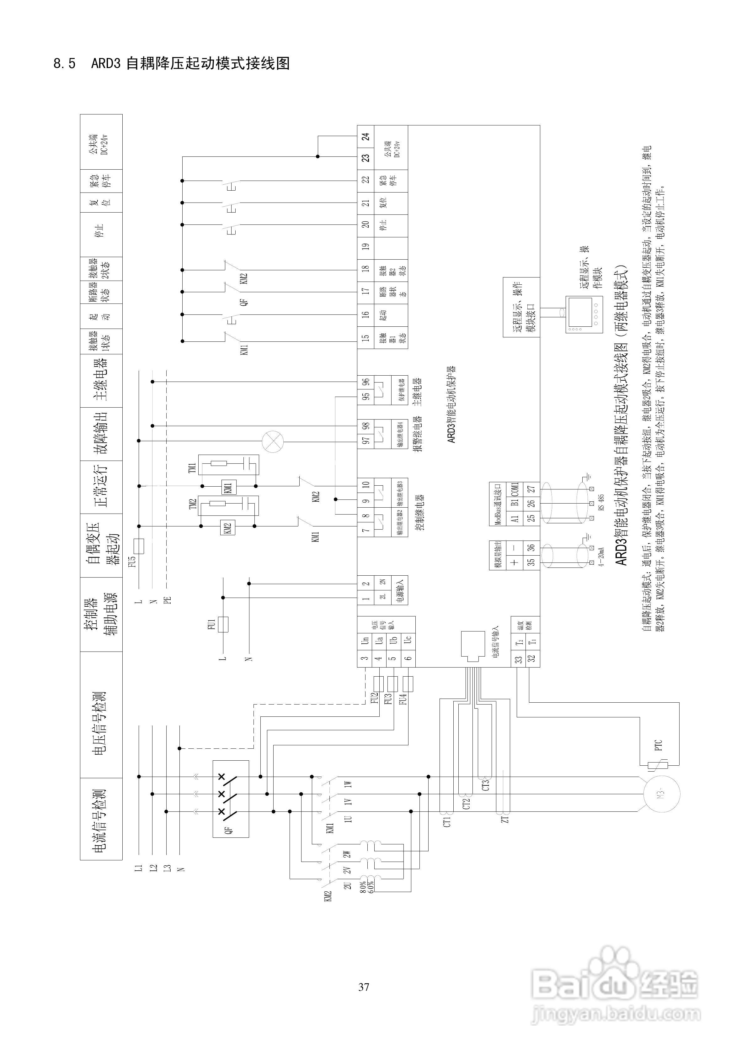
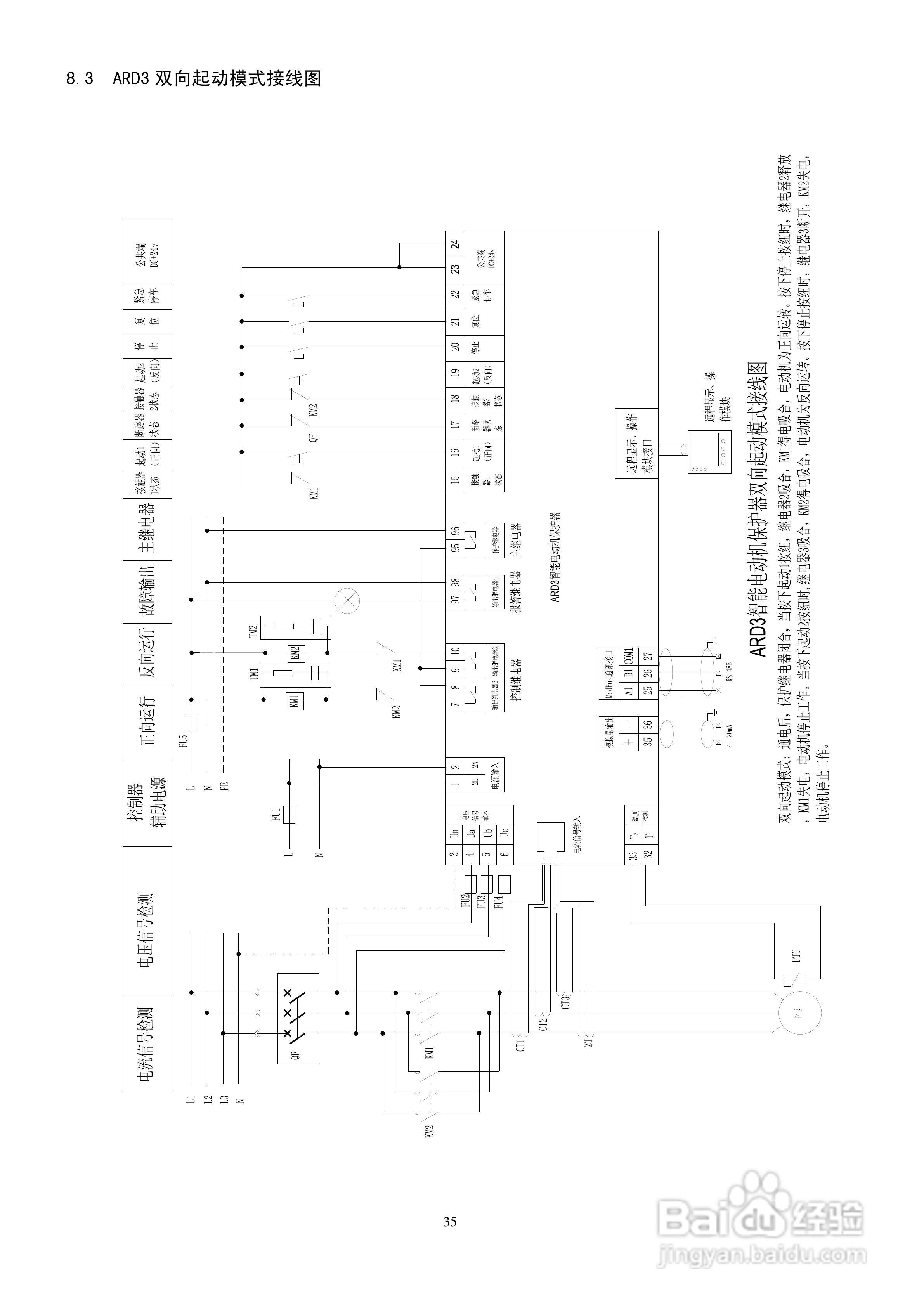
ARD3电动机保护器使用说明书:[4]
2026-03-26 08:34:53
本篇为《ARD3电动机保护器使用说明书》,主要介绍该产品的使用方法以及常见故障解决方案。
(共篇)
上一篇:
声明:
本网站引用、摘录或转载内容仅供网站访问者交流或参考,不代表本站立场,如存在版权或非法内容,请联系站长删除,联系邮箱:site.kefu@qq.com。
相关推荐
ARD3电动机保护器使用说明书:[3]
阅读量:190
ARD3电动机保护器使用说明书:[2]
阅读量:70
NSP713(V3.0)电动机保护器及测控装置技术说明书:[4]
阅读量:92
NSP713(V3.0)电动机保护器及测控装置技术说明书:[3]
阅读量:157
NSP713(V3.0)电动机保护器及测控装置技术说明书:[6]
阅读量:96
猜你喜欢
什么是石女
须眉是什么意思
举牌是什么意思
fpga是什么
一举两得是什么生肖
排量是什么意思
真爱是什么
屁多是什么原因引起的
商务局是做什么的
龟毛是什么意思
猜你喜欢
c4驾驶证能开什么车
春日宴讲的什么
2018年是什么年
纠结是什么意思
pom是什么材料
金牛座和什么星座最配
车贷还清之后需要办理什么手续
割礼是什么
andy什么意思
3月26日是什么星座