小度生活
首页
美食营养
手工爱好
生活家居
返回
小度生活
首页
美食营养
游戏数码
手工爱好
生活家居
健康养生
运动户外
职场理财
情感交际
母婴教育
时尚美容
知识问答
生活知识
生活百科
搜索
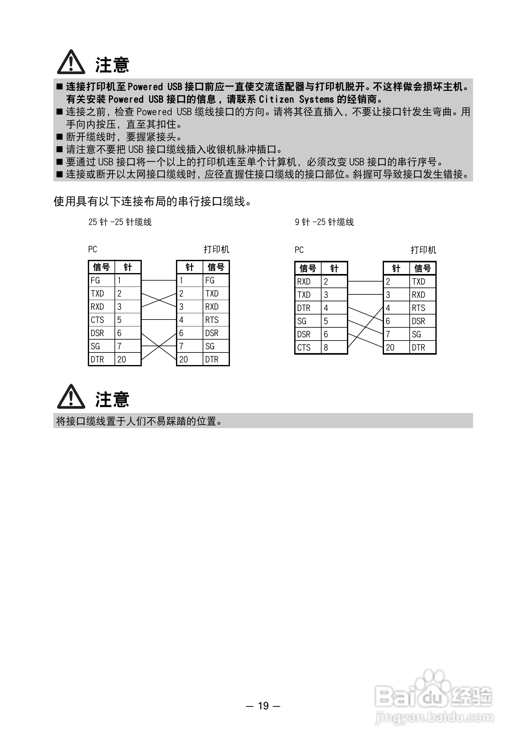
CITIZEN 热敏打印机MODEL CT-S651 用户手册:[2]
2026-05-23 05:40:06
本篇为《CITIZEN 热敏打印机MODEL CT-S651 用户手册》,主要介绍该产品的使用方法以及常见故障解决方案。
(共篇)
上一篇:
|
下一篇:
声明:
本网站引用、摘录或转载内容仅供网站访问者交流或参考,不代表本站立场,如存在版权或非法内容,请联系站长删除,联系邮箱:site.kefu@qq.com。
相关推荐
CITIZEN 热敏打印机model ct-s601 用户手册:[2]
阅读量:186
CITIZEN 热敏打印机model ct-s601 用户手册:[1]
阅读量:150
CITIZEN 热敏打印机model ct-s601 用户手册:[4]
阅读量:89
CITIZEN CLP-621C打印机用户手册:[2]
阅读量:163
CITIZEN CLP-621C打印机用户手册:[1]
阅读量:178
猜你喜欢
洗礼的意思
dn15是什么意思
strength是什么意思
not at all是什么意思
神态的意思
张起灵和张启山什么关系
鉴赏的意思
卜算子送鲍浩然之浙东的意思
梦见孕妇什么意思
生日祝福语 简短独特
猜你喜欢
风情是什么意思
喜鹊登枝象征着什么
绿草如茵的意思
沙中土命是什么意思
鸦雀无声是什么意思
蜗居的意思
给学生的祝福语
买支票需要带什么
大义凛然是什么意思
绝处逢生的绝是什么意思