小度生活
首页
美食营养
手工爱好
生活家居
返回
小度生活
首页
美食营养
游戏数码
手工爱好
生活家居
健康养生
运动户外
职场理财
情感交际
母婴教育
时尚美容
知识问答
生活知识
搜索
CITIZEN 热敏打印机model ct-s601 用户手册:[4]
2026-02-17 21:21:17
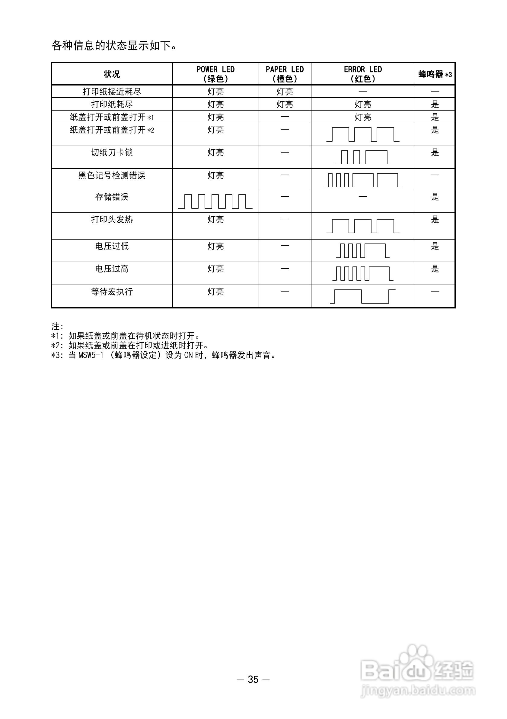
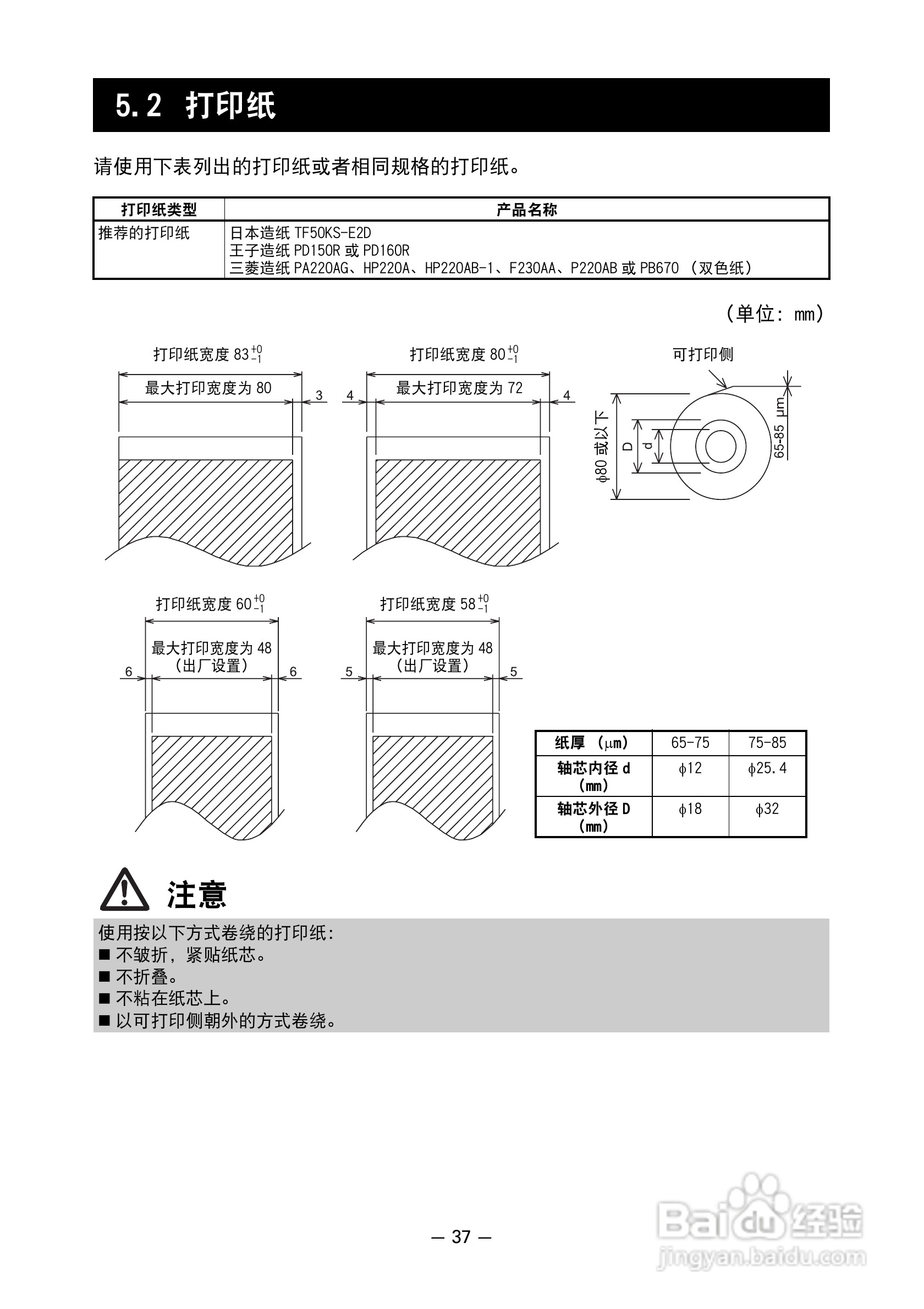
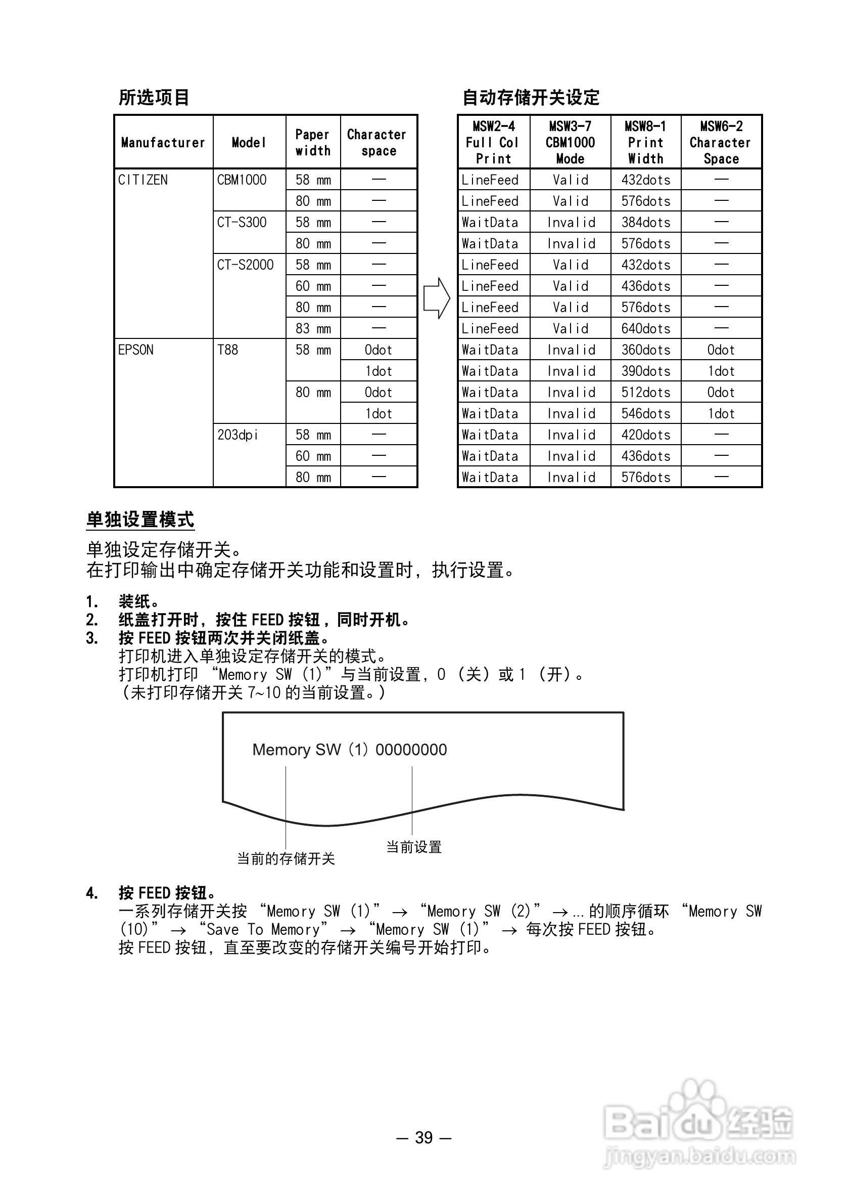
本篇为《CITIZEN 热敏打印机model ct-s601 用户手册》,主要介绍该产品的使用方法以及常见故障解决方案。
(共篇)
上一篇:
|
下一篇:
声明:
本网站引用、摘录或转载内容仅供网站访问者交流或参考,不代表本站立场,如存在版权或非法内容,请联系站长删除,联系邮箱:site.kefu@qq.com。
相关推荐
CITIZEN 热敏打印机model ct-s601 用户手册:[2]
阅读量:161
CITIZEN CLP-621C打印机用户手册:[4]
阅读量:106
CITIZEN CLP-521C条码打印机用户手册:[5]
阅读量:106
CITIZEN CLP-521C条码打印机用户手册:[6]
阅读量:75
CITIZEN CLP-621C打印机用户手册:[3]
阅读量:107
猜你喜欢
连襟是什么意思
落落大方的意思
悬崖峭壁的意思
送什么礼物给女生
学古筝有什么好处
慷慨激昂的意思
斩钉截铁的截是什么意思
剥夺政治权利是什么意思
neither是什么意思
触目伤怀的意思
猜你喜欢
still是什么意思
婆娑起舞的意思
什么是幸福的婚姻
河南有什么旅游景点
韬光养晦是什么意思
钝化是什么意思
开户网点是什么意思
什么学习机好
小县城适合开什么店
君子坦荡荡小人长戚戚是什么意思