浪潮英信服务器NP110D2用户手册V1.0说明书:[1]
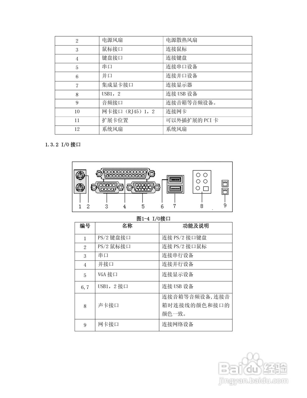
本篇为《浪潮英信服务器NP110D2用户手册V1.0说明书》,主要介绍该产品的使用方法以及常见故障解决方案。
![浪潮英信服务器NP110D2用户手册V1.0说明书:[1]](https://exp-picture.cdn.bcebos.com/50189b40102a04e28b32a7f72b7aa010bd33c225.jpg)
![浪潮英信服务器NP110D2用户手册V1.0说明书:[1]](https://exp-picture.cdn.bcebos.com/84010e2a04e23ea28cd23dcf2b10bc33ed38c325.jpg)
![浪潮英信服务器NP110D2用户手册V1.0说明书:[1]](https://exp-picture.cdn.bcebos.com/116b1ae23ea23a4217ea3da53733ec3835bbc025.jpg)
![浪潮英信服务器NP110D2用户手册V1.0说明书:[1]](https://exp-picture.cdn.bcebos.com/05a320a23a42a07a18802186673834bb18efc125.jpg)
![浪潮英信服务器NP110D2用户手册V1.0说明书:[1]](https://exp-picture.cdn.bcebos.com/3fe32442a07aa01005a3718dbfbb19efa35f3e2a.jpg)
![浪潮英信服务器NP110D2用户手册V1.0说明书:[1]](https://exp-picture.cdn.bcebos.com/3b03be7aa010bc3356a8a90e92efa25f0d143f2a.jpg)
![浪潮英信服务器NP110D2用户手册V1.0说明书:[1]](https://exp-picture.cdn.bcebos.com/a13bbe10bc33ec388f2b845a295f0c14c37b3c2a.jpg)
![浪潮英信服务器NP110D2用户手册V1.0说明书:[1]](https://exp-picture.cdn.bcebos.com/a151a233ec3834bba57f3fea8714c27bd3823d2a.jpg)
![浪潮英信服务器NP110D2用户手册V1.0说明书:[1]](https://exp-picture.cdn.bcebos.com/bd72f23834bb19ef1fcf91a1497bd28287893a2a.jpg)
![浪潮英信服务器NP110D2用户手册V1.0说明书:[1]](https://exp-picture.cdn.bcebos.com/ed792abb19efa25fb2845fce59828689a0463b2a.jpg)
声明:本网站引用、摘录或转载内容仅供网站访问者交流或参考,不代表本站立场,如存在版权或非法内容,请联系站长删除,联系邮箱:site.kefu@qq.com。
阅读量:159
阅读量:45
阅读量:144
阅读量:152
阅读量:155
本篇为《浪潮英信服务器NP110D2用户手册V1.0说明书》,主要介绍该产品的使用方法以及常见故障解决方案。
![浪潮英信服务器NP110D2用户手册V1.0说明书:[1]](https://exp-picture.cdn.bcebos.com/50189b40102a04e28b32a7f72b7aa010bd33c225.jpg)
![浪潮英信服务器NP110D2用户手册V1.0说明书:[1]](https://exp-picture.cdn.bcebos.com/84010e2a04e23ea28cd23dcf2b10bc33ed38c325.jpg)
![浪潮英信服务器NP110D2用户手册V1.0说明书:[1]](https://exp-picture.cdn.bcebos.com/116b1ae23ea23a4217ea3da53733ec3835bbc025.jpg)
![浪潮英信服务器NP110D2用户手册V1.0说明书:[1]](https://exp-picture.cdn.bcebos.com/05a320a23a42a07a18802186673834bb18efc125.jpg)
![浪潮英信服务器NP110D2用户手册V1.0说明书:[1]](https://exp-picture.cdn.bcebos.com/3fe32442a07aa01005a3718dbfbb19efa35f3e2a.jpg)
![浪潮英信服务器NP110D2用户手册V1.0说明书:[1]](https://exp-picture.cdn.bcebos.com/3b03be7aa010bc3356a8a90e92efa25f0d143f2a.jpg)
![浪潮英信服务器NP110D2用户手册V1.0说明书:[1]](https://exp-picture.cdn.bcebos.com/a13bbe10bc33ec388f2b845a295f0c14c37b3c2a.jpg)
![浪潮英信服务器NP110D2用户手册V1.0说明书:[1]](https://exp-picture.cdn.bcebos.com/a151a233ec3834bba57f3fea8714c27bd3823d2a.jpg)
![浪潮英信服务器NP110D2用户手册V1.0说明书:[1]](https://exp-picture.cdn.bcebos.com/bd72f23834bb19ef1fcf91a1497bd28287893a2a.jpg)
![浪潮英信服务器NP110D2用户手册V1.0说明书:[1]](https://exp-picture.cdn.bcebos.com/ed792abb19efa25fb2845fce59828689a0463b2a.jpg)