小度生活
首页
美食营养
手工爱好
生活家居
返回
小度生活
首页
美食营养
游戏数码
手工爱好
生活家居
健康养生
运动户外
职场理财
情感交际
母婴教育
时尚美容
知识问答
生活知识
生活百科
搜索
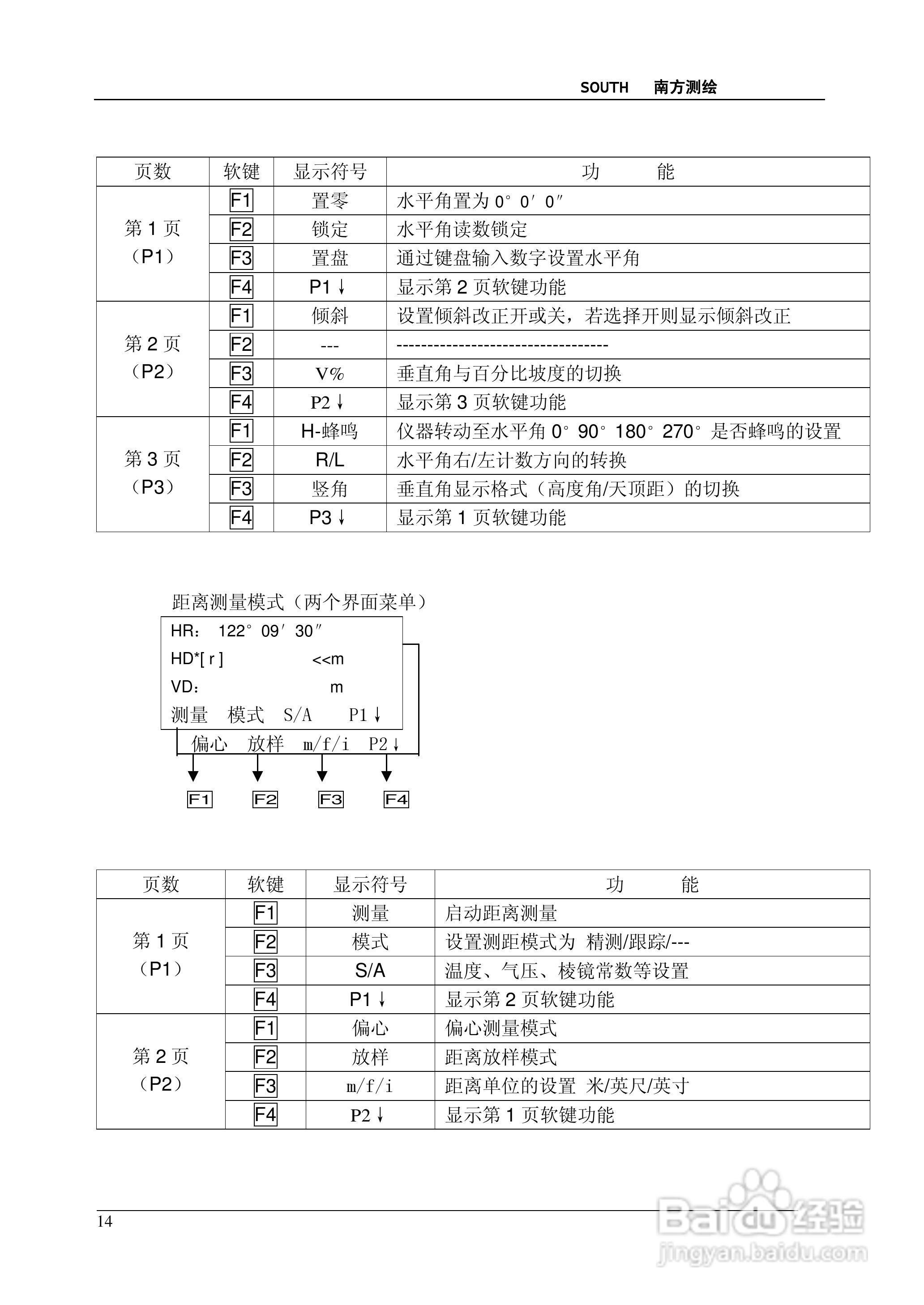
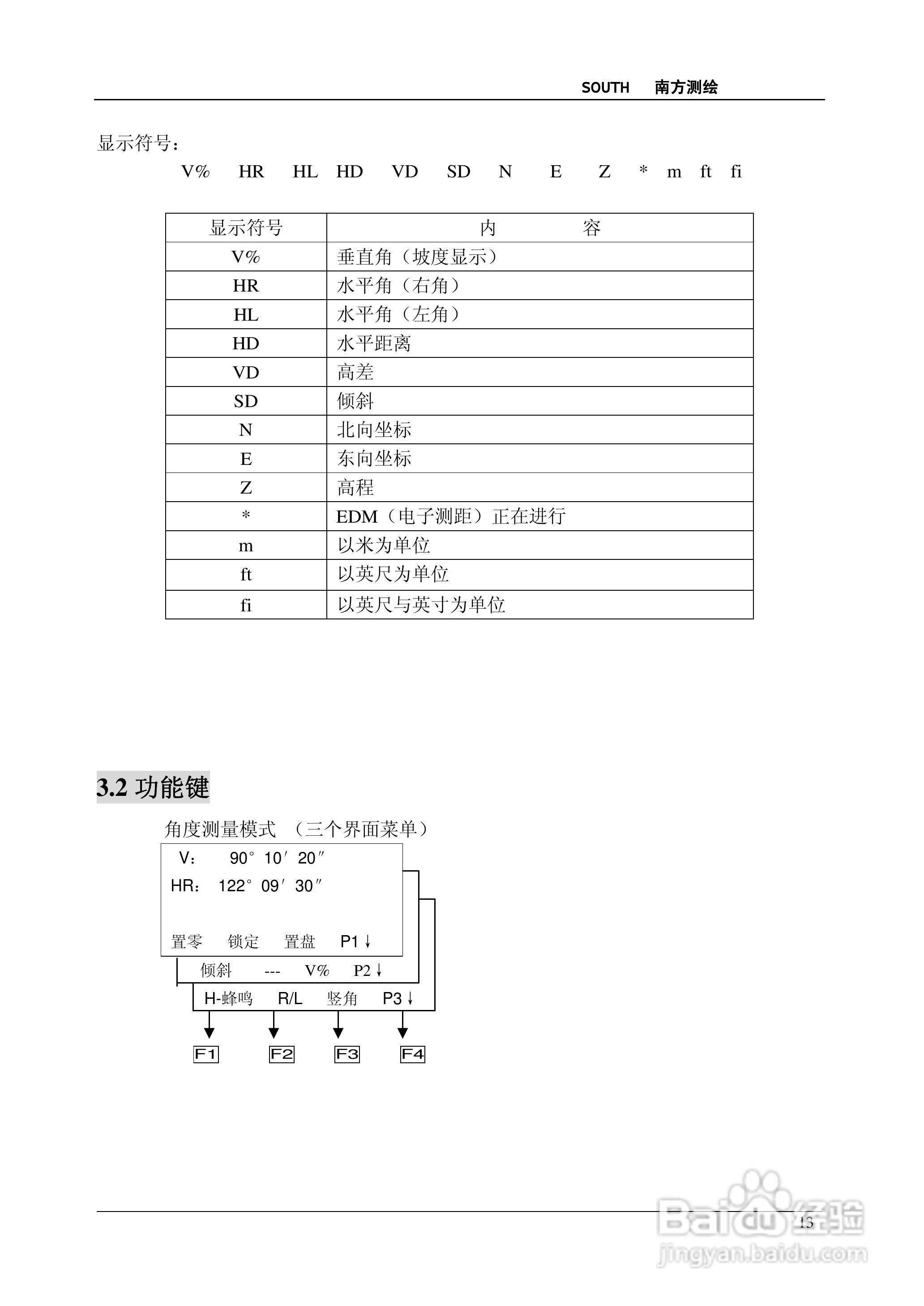
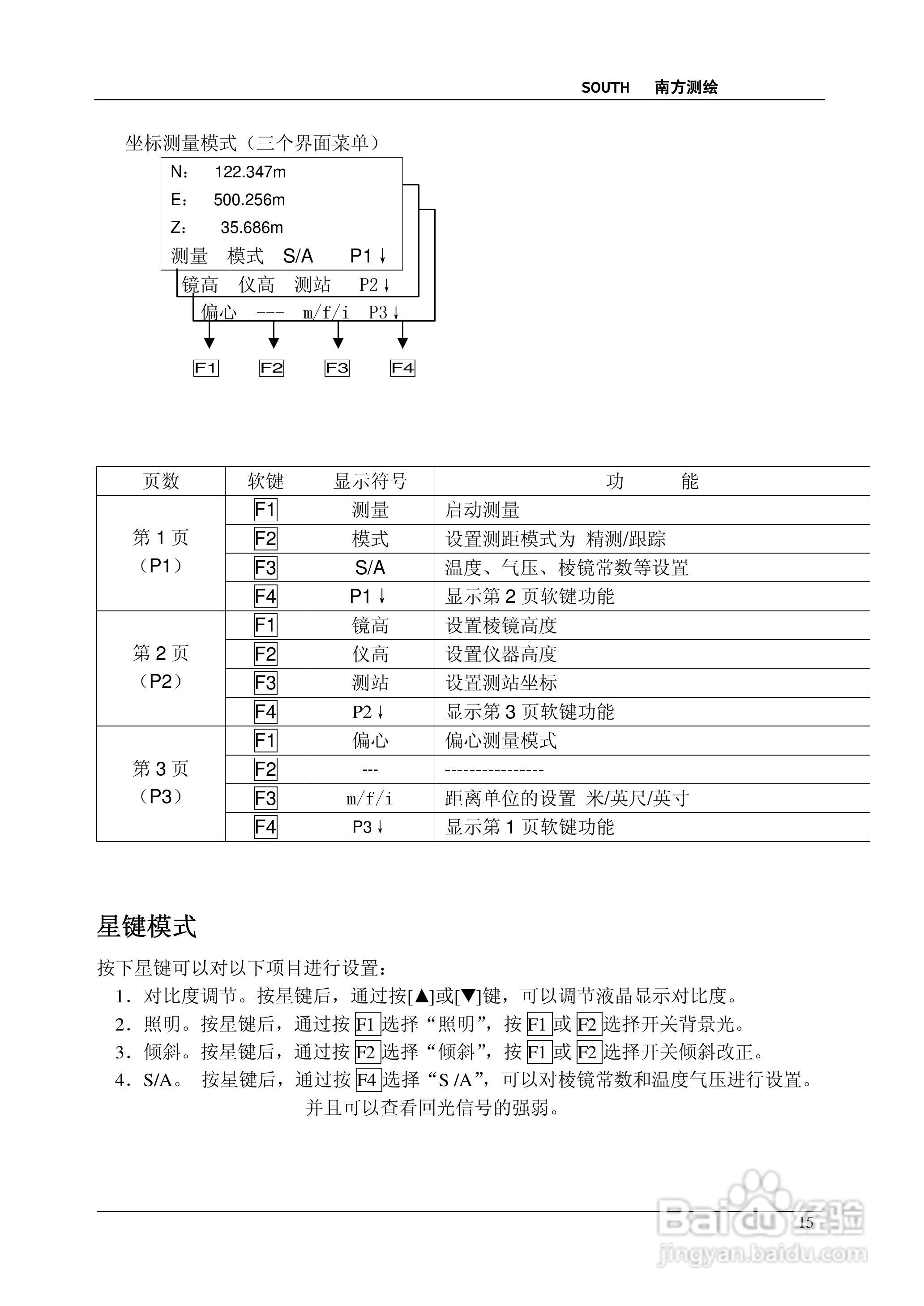
南方测绘全站仪 NTS-350说明书:[2]
2026-05-23 05:06:33
本篇为《南方测绘全站仪 NTS-350说明书》,主要介绍该产品的使用方法以及常见故障解决方案。
(共篇)
上一篇:
|
下一篇:
声明:
本网站引用、摘录或转载内容仅供网站访问者交流或参考,不代表本站立场,如存在版权或非法内容,请联系站长删除,联系邮箱:site.kefu@qq.com。
相关推荐
南方测绘全站仪 NTS-350说明书:[3]
阅读量:40
全站仪使用方法
阅读量:59
全站仪的操作技巧
阅读量:50
全站仪导线测量的方法
阅读量:151
全站仪obs 码率如何设置
阅读量:138
猜你喜欢
云计算是什么意思
客舍的意思
胎位loa是什么意思
base是什么意思
路肩是什么意思
雪梅古诗的意思
黛力新的作用
被执行人是什么意思
排酸肉是什么意思
无所适从什么意思
猜你喜欢
焦距是什么意思
子欲养而亲不待是什么意思
什么贵重的东西最容易不翼而飞
什么是自学考试
pet是什么意思
心有余而力不足的意思
惊心动魄的意思
矢志不渝的意思
dwg文件用什么打开
举案齐眉的意思