小度生活
首页
美食营养
手工爱好
生活家居
返回
小度生活
首页
美食营养
游戏数码
手工爱好
生活家居
健康养生
运动户外
职场理财
情感交际
母婴教育
时尚美容
知识问答
生活知识
生活百科
搜索
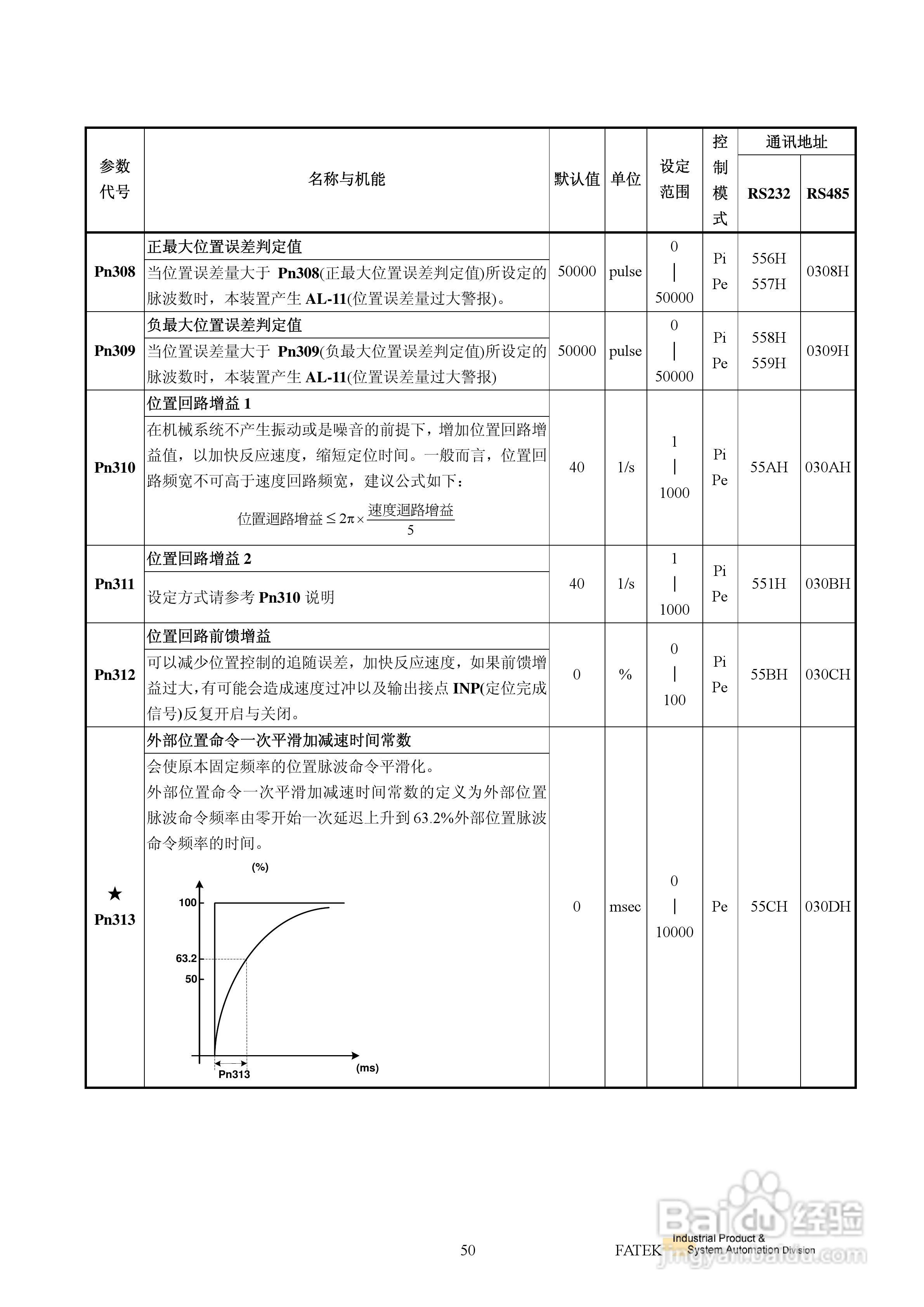
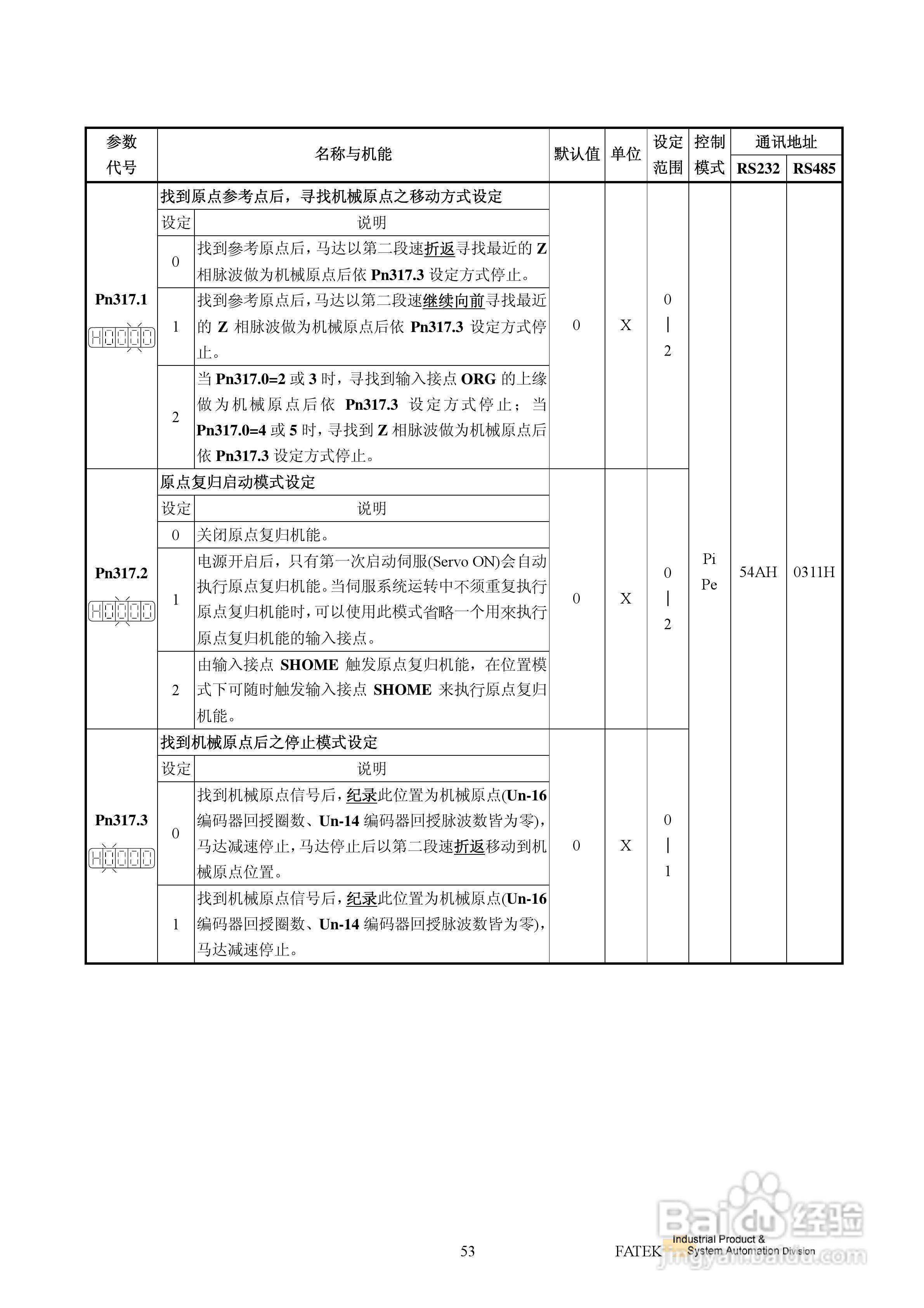
FATEK FSD-E2系列伺服驱动使用手册:[6]
2026-03-28 23:35:38
本篇为《FATEK FSD-E2系列伺服驱动使用手册》,主要介绍该产品的使用方法以及常见故障解决方案。
(共篇)
上一篇:
|
下一篇:
声明:
本网站引用、摘录或转载内容仅供网站访问者交流或参考,不代表本站立场,如存在版权或非法内容,请联系站长删除,联系邮箱:site.kefu@qq.com。
相关推荐
FATEK FSD-E2系列伺服驱动使用手册:[3]
阅读量:73
FATEK FSD-E2系列伺服驱动使用手册:[4]
阅读量:170
FATEK FSD-A2系列伺服驱动使用手册:[8]
阅读量:75
fate空之境界活动攻略
阅读量:130
FATEK FSD-A2系列伺服驱动使用手册:[7]
阅读量:87
猜你喜欢
银离子的作用
玷污什么意思
奔跑吧兄弟第五季什么时候开播
送领导什么礼物好
可盐可甜是什么意思
u盘什么牌子质量好
什么颜色的头发好看
fs是什么意思
什么给我的启示
什么叫众筹
猜你喜欢
做外贸需要什么条件
抖擞的意思
桂皮的作用
spd是什么意思
李代桃僵的意思
支那人什么意思
run是什么意思
既生瑜何生亮是什么意思
茶的作用
公费师范生是什么意思啊