小度生活
首页
美食营养
手工爱好
生活家居
返回
小度生活
首页
美食营养
游戏数码
手工爱好
生活家居
健康养生
运动户外
职场理财
情感交际
母婴教育
时尚美容
知识问答
生活知识
搜索
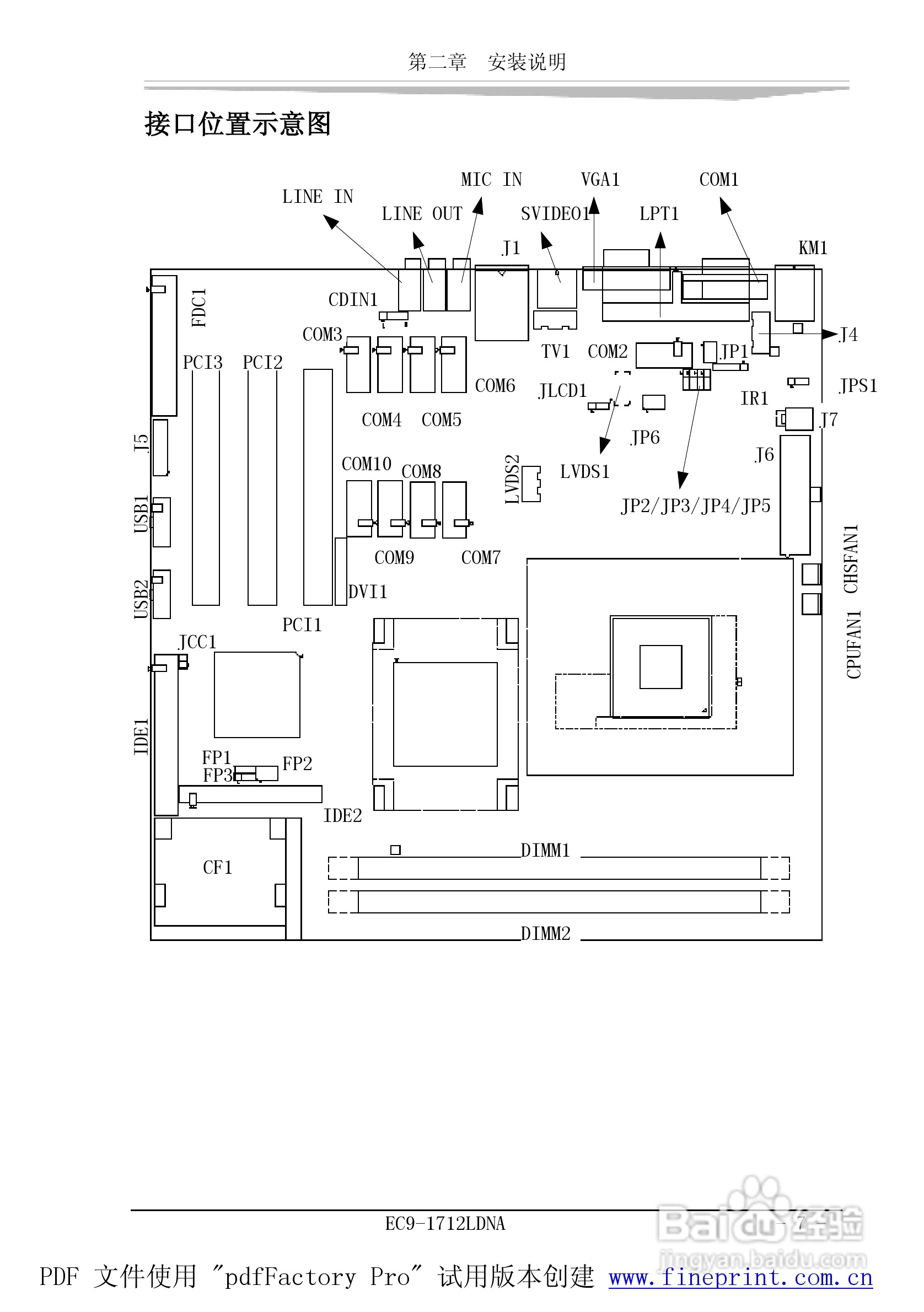
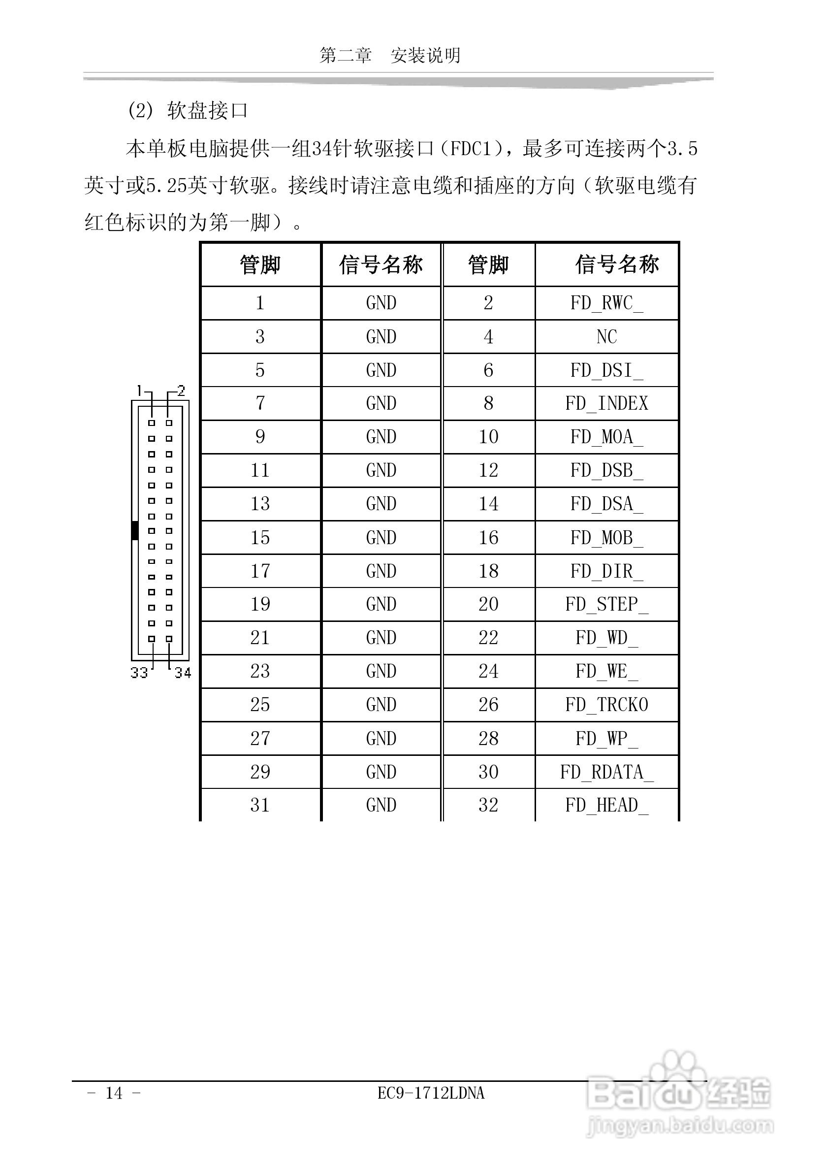
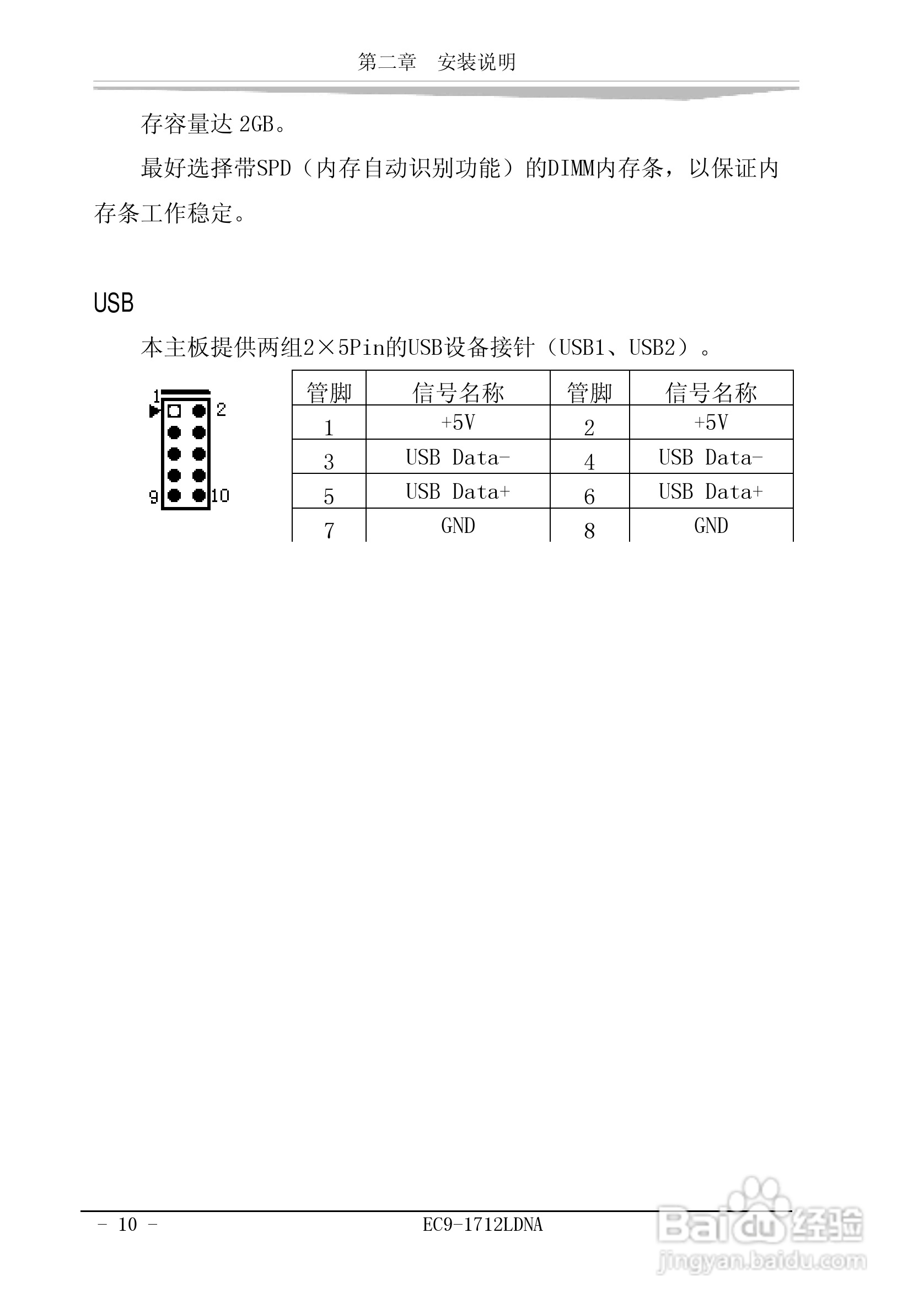
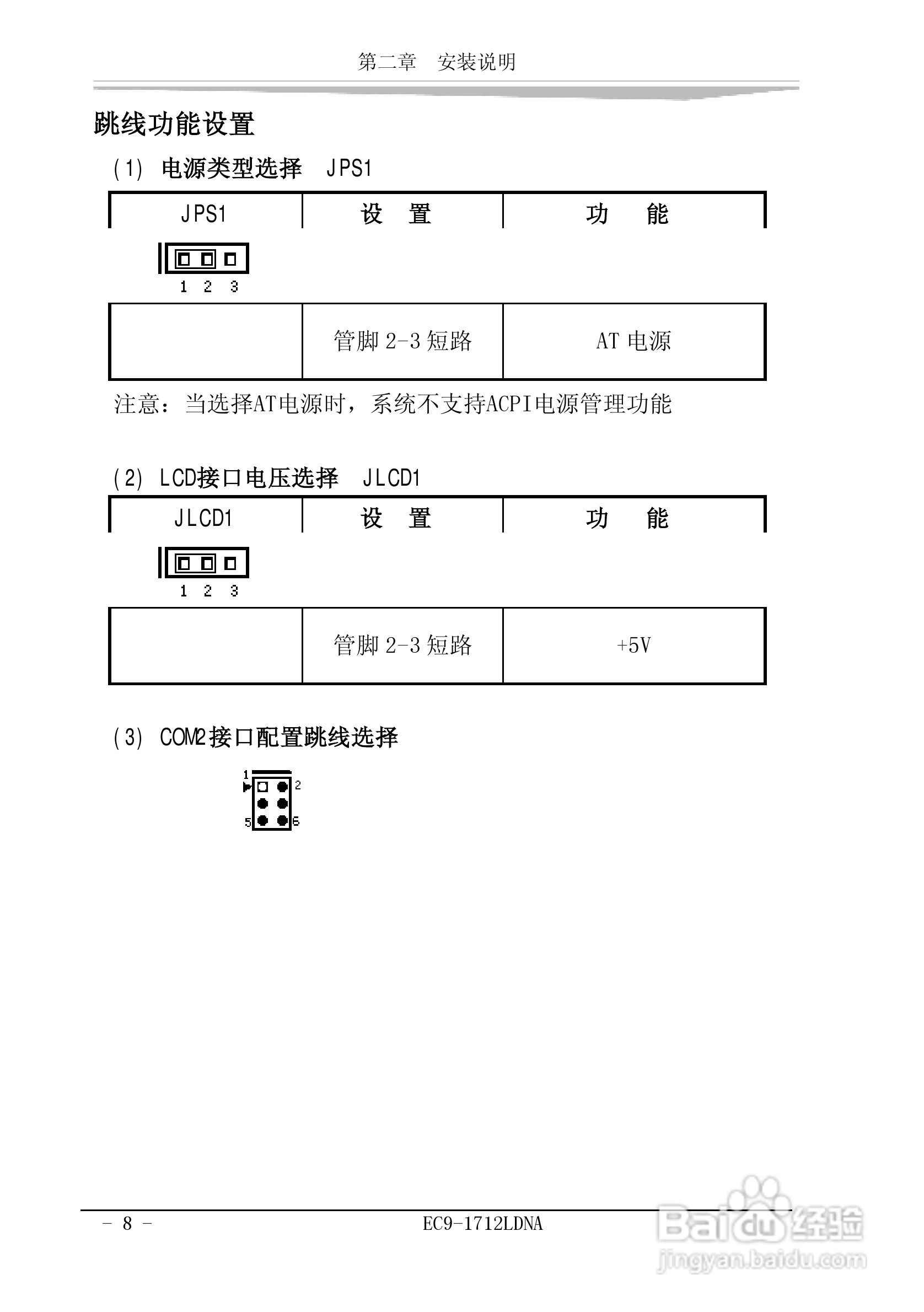
研祥EC9-1712LDNA工业级CPU板卡说明书:[2]
2025-10-23 17:50:49
本篇为《研祥EC9-1712LDNA工业级CPU板卡说明书》,主要介绍该产品的使用方法以及常见故障解决方案。
(共篇)
上一篇:
|
下一篇:
声明:
本网站引用、摘录或转载内容仅供网站访问者交流或参考,不代表本站立场,如存在版权或非法内容,请联系站长删除,联系邮箱:site.kefu@qq.com。
相关推荐
研祥EC9-1712LDNA工业级CPU板卡说明书:[3]
阅读量:154
研祥EC5-1712CLDNA工业级CPU板卡说明书:[2]
阅读量:50
研祥FSC-1712LD2N工业级CPU板卡说明书:[2]
阅读量:182
研祥FSC-1712LD2N工业级CPU板卡说明书:[3]
阅读量:135
研祥EC3-1811LDNA工业级CPU板卡说明书:[3]
阅读量:124
猜你喜欢
馒头怎么做才松软好吃
长寿花的养殖方法和注意事项
红色痘印怎么去除
天龙八部视角怎么调远
家里有跳蚤怎么办
小虾米怎么做好吃
折信封的方法
怎么才能当明星
青鱼怎么钓
158章你的奶真好吃
猜你喜欢
家常西红柿烧茄子
开瓶器怎么开红酒
脚臭怎么回事
3d太湖字谜总汇大全
传授犯罪方法罪
怎么看电脑是多少位的
治疗咳嗽最有效的方法
提神醒脑的方法
海水淡化的方法
蚕蛹怎么做好吃