小度生活
首页
美食营养
手工爱好
生活家居
返回
小度生活
首页
美食营养
游戏数码
手工爱好
生活家居
健康养生
运动户外
职场理财
情感交际
母婴教育
时尚美容
知识问答
生活知识
搜索
研祥EC9-1712LDNA工业级CPU板卡说明书:[3]
2026-02-05 20:59:03
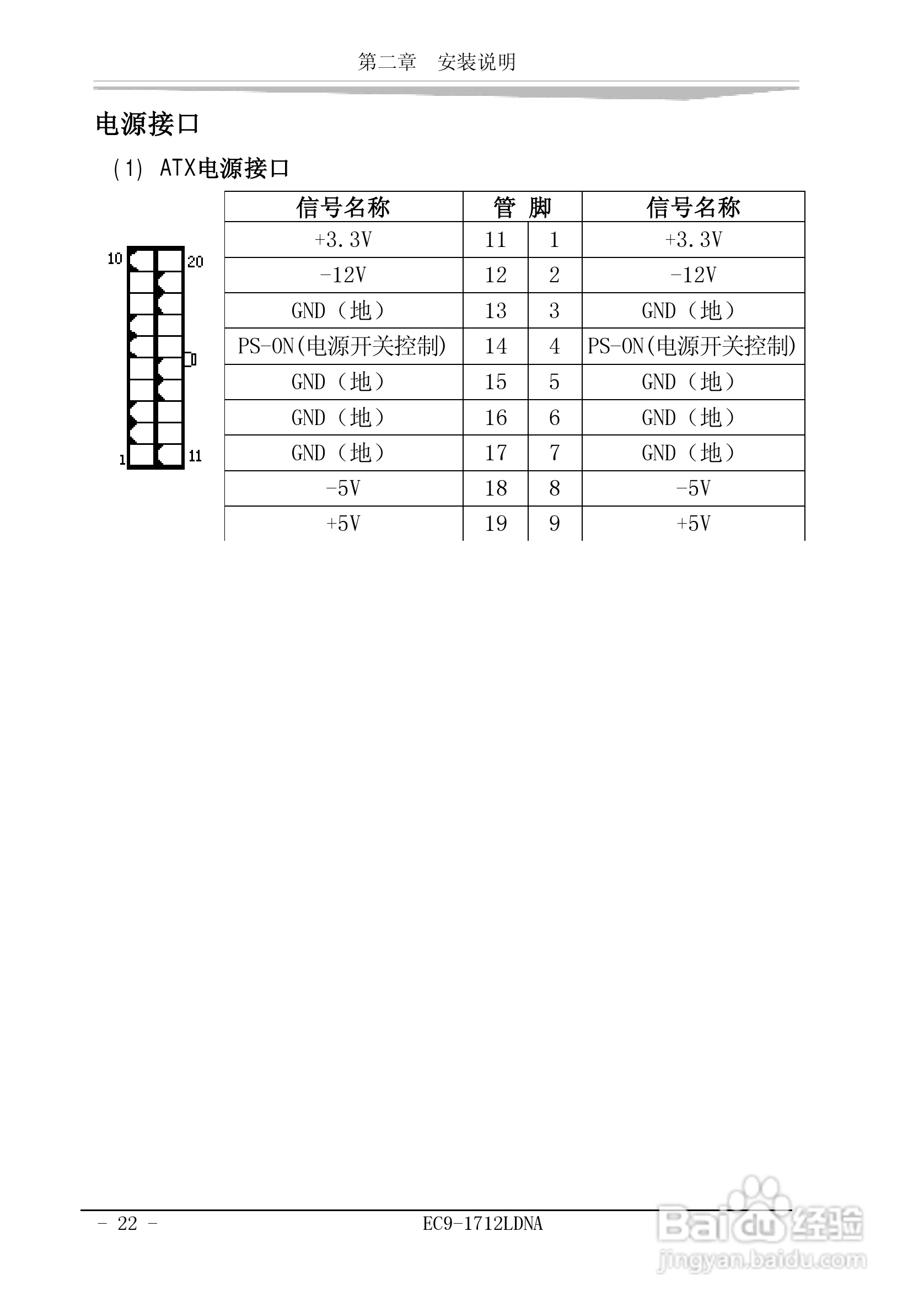
本篇为《研祥EC9-1712LDNA工业级CPU板卡说明书》,主要介绍该产品的使用方法以及常见故障解决方案。
(共篇)
上一篇:
|
下一篇:
声明:
本网站引用、摘录或转载内容仅供网站访问者交流或参考,不代表本站立场,如存在版权或非法内容,请联系站长删除,联系邮箱:site.kefu@qq.com。
相关推荐
研祥EC9-1712LDNA工业级CPU板卡说明书:[2]
阅读量:66
研祥EC5-1712CLDNA工业级CPU板卡说明书:[3]
阅读量:134
研祥FSC-1712LD2N工业级CPU板卡说明书:[3]
阅读量:187
研祥EC3-1811LDNA工业级CPU板卡说明书:[3]
阅读量:168
研祥EC3-1811LDNA工业级CPU板卡说明书:[4]
阅读量:171
猜你喜欢
九省通衢是什么读音
fall是什么意思
曼巴精神是什么意思
cdp是什么意思
ctc是什么意思
痰多吃什么好
英语四级什么时候考
绿茶婊是什么意思
billy是什么意思
卒是什么意思
猜你喜欢
hdmi是什么意思
经常上火是什么原因
12月30日是什么星座
2017年是什么年
鸿门宴是什么意思
美缝剂什么牌子好
梦魇是什么意思
horse是什么意思
什么东西
清晰的近义词是什么