小度生活
首页
美食营养
手工爱好
生活家居
返回
小度生活
首页
美食营养
游戏数码
手工爱好
生活家居
健康养生
运动户外
职场理财
情感交际
母婴教育
时尚美容
搜索
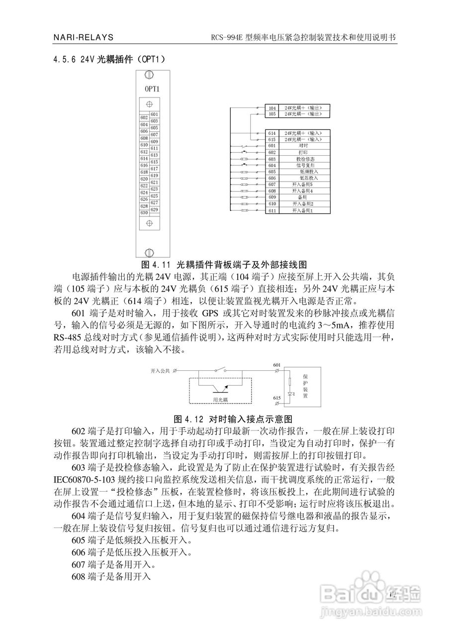
ZL/WKZZ0105.0810/RCS-994E型频率电压紧急控制装置使:[3]
2025-11-14 23:48:38
本篇为《ZL/WKZZ0105.0810/RCS-994E型频率电压紧急控制装置使》,主要介绍该产品的使用方法以及常见故障解决方案。
(共篇)
上一篇:
声明:
本网站引用、摘录或转载内容仅供网站访问者交流或参考,不代表本站立场,如存在版权或非法内容,请联系站长删除,联系邮箱:site.kefu@qq.com。
相关推荐
ZL/WKZZ0105.0810/RCS-994E型频率电压紧急控制装置使:[1]
阅读量:48
南瑞继保RCS-994C频率电压紧急控制装置使用说明书:[4]
阅读量:152
RCS-994A频率电压紧急控制装置技术和使用说明书:[3]
阅读量:123
RCS-994A频率电压紧急控制装置技术和使用说明书:[1]
阅读量:170
RCS-994A频率电压紧急控制装置技术和使用说明书:[2]
阅读量:122
猜你喜欢
afternoon是什么意思
拟人句是什么意思
ep是什么意思
养尊处优的尊是什么意思
famous是什么意思
dream什么意思
xo什么意思
呵呵哒是什么意思
增根是什么意思
艮是什么意思
猜你喜欢
党的基本路线是什么
考研复试考什么
煞西是什么意思
入珠是什么意思
喝啤酒有什么好处
羊水破了是什么感觉
tj是什么意思
手机基带是什么
贞操是什么意思
什么什么不什么