小度生活
首页
美食营养
手工爱好
生活家居
返回
小度生活
首页
美食营养
游戏数码
手工爱好
生活家居
健康养生
运动户外
职场理财
情感交际
母婴教育
时尚美容
知识问答
生活知识
生活百科
搜索
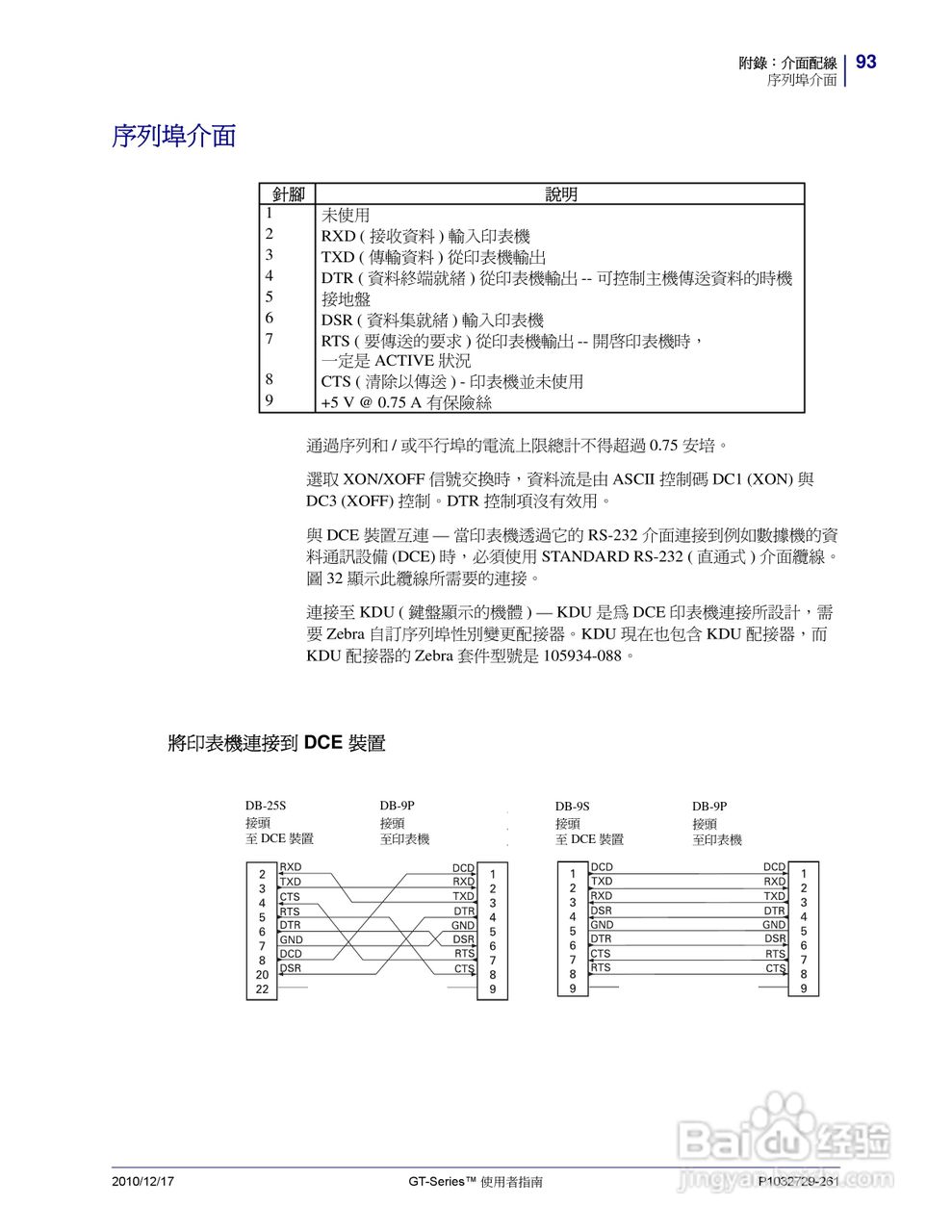
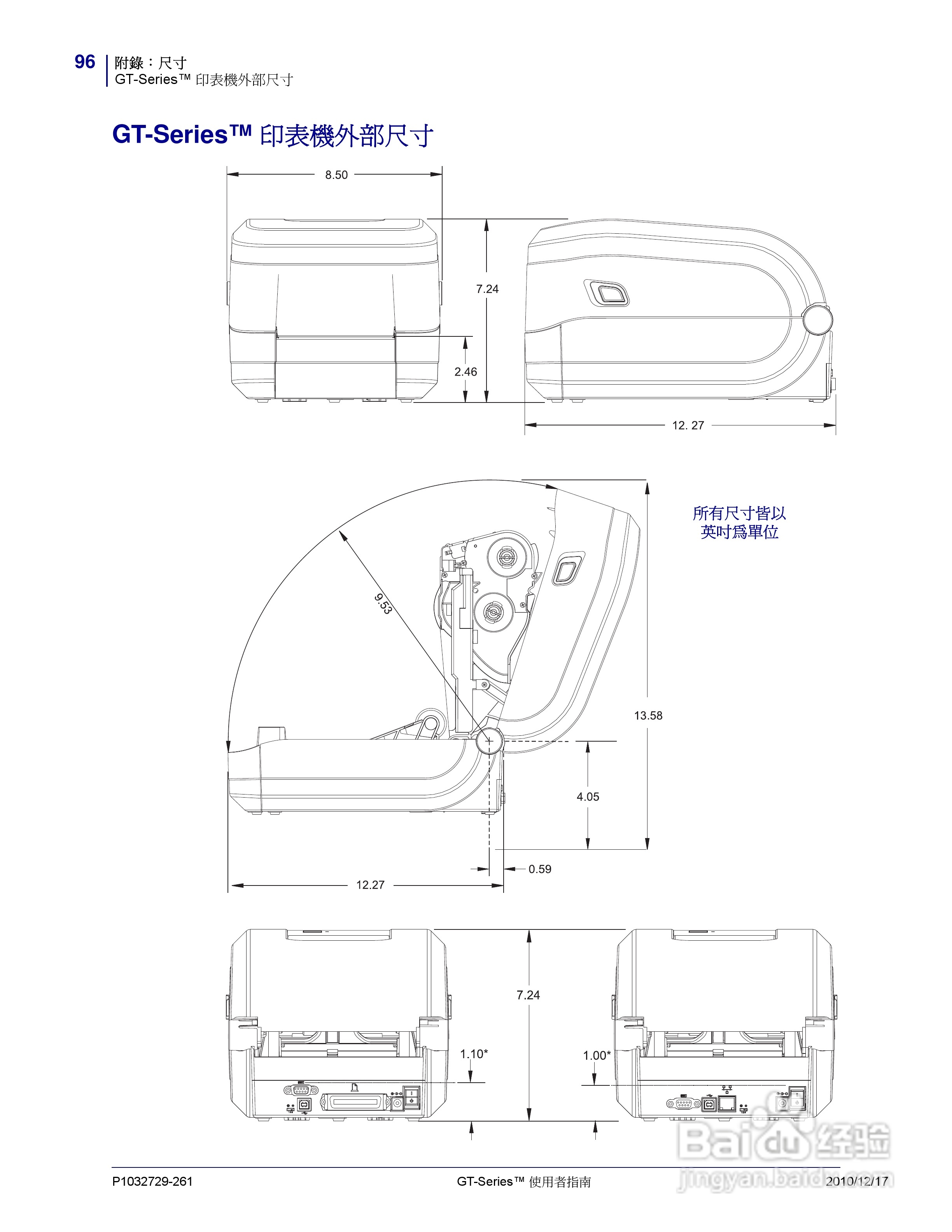
Zebra GT-Series 桌上型热感应印表机使用者说明书:[11]
2026-03-30 12:10:32
本篇为《Zebra GT-Series 桌上型热感应印表机使用者说明书》,主要介绍该产品的使用方法以及常见故障解决方案。
(共篇)
上一篇:
声明:
本网站引用、摘录或转载内容仅供网站访问者交流或参考,不代表本站立场,如存在版权或非法内容,请联系站长删除,联系邮箱:site.kefu@qq.com。
相关推荐
Zebra GT-Series 桌上型热感应印表机使用者说明书:[1]
阅读量:166
Zebra GT-Series 桌上型热感应印表机使用者说明书:[8]
阅读量:125
感应夜灯使用方法
阅读量:74
华硕 AS-D692桌上型电脑使用手册:[8]
阅读量:77
感应耐压试验装置的安装及运行方法
阅读量:138
猜你喜欢
tsi是什么意思
力挽狂澜的意思
袜子什么牌子质量好
一级建造师证书什么时候领取
摆地摊什么最好卖
什么动物会夏眠
上坡辅助是什么意思
祝福词
举一反三是什么意思
vocabulary是什么意思
猜你喜欢
勿忘蛛结局什么意思
小赤佬是什么意思
plank是什么意思
蝉这首诗的意思
政治掮客是什么意思
不可估量的意思
黑魆魆的意思
浑水摸鱼的意思
祝福藏头诗
失而复得的意思