小度生活
首页
美食营养
手工爱好
生活家居
返回
小度生活
首页
美食营养
游戏数码
手工爱好
生活家居
健康养生
运动户外
职场理财
情感交际
母婴教育
时尚美容
知识问答
生活知识
生活百科
搜索
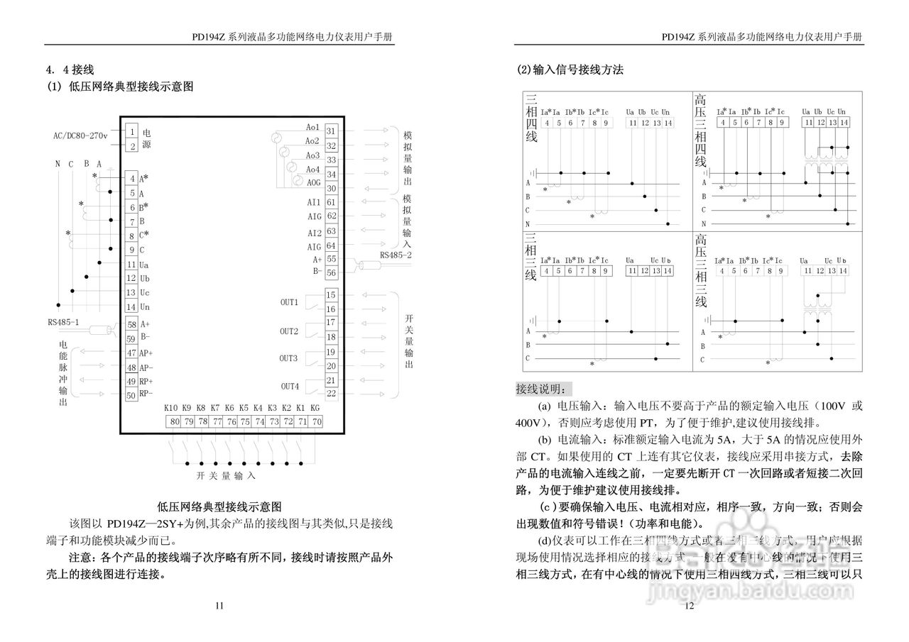
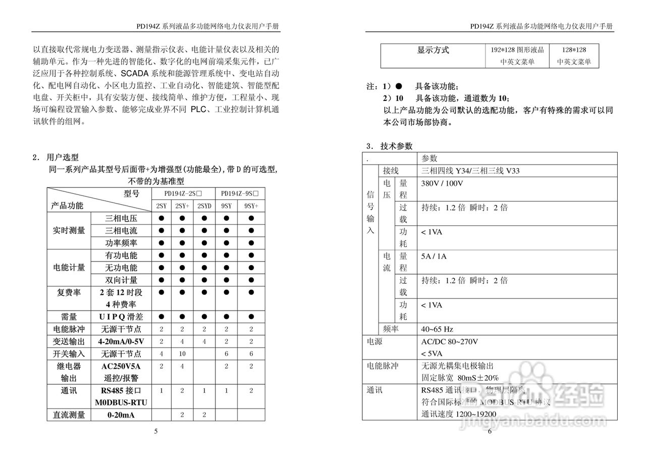
PD194Z 系列液晶多功能网络电力仪表用户手册:[1]
2026-03-28 07:19:33
本篇为《PD194Z 系列液晶多功能网络电力仪表用户手册》,主要介绍该产品的使用方法以及常见故障解决方案。
(共篇)
下一篇:
声明:
本网站引用、摘录或转载内容仅供网站访问者交流或参考,不代表本站立场,如存在版权或非法内容,请联系站长删除,联系邮箱:site.kefu@qq.com。
相关推荐
液晶电视打不开怎么办
阅读量:122
中仪电子 ZYC-Z系列多功能网络电力仪表使用说明书:[1]
阅读量:40
中仪电子 ZYC-Z系列多功能网络电力仪表使用说明书:[2]
阅读量:156
DV130数字电力仪表用户手册:[1]
阅读量:140
DV330三相电力仪表用户手册:[1]
阅读量:55
猜你喜欢
听大悲咒有什么好处
什么食物含维生素d多
with是什么意思
眼干眼涩用什么眼药水
饭圈是什么意思
惘然的意思
挚爱是什么意思
spend是什么意思
诽谤是什么意思
cpi是什么意思啊
猜你喜欢
额头长痘什么原因引起
差强人意是什么意思
办低保需要什么条件
oa是什么意思
竹子的作用
什么是风疹病毒
fat是什么意思
省略号有哪些作用
乌梅的作用与功效
小动物尾巴的作用