小度生活
首页
美食营养
手工爱好
生活家居
返回
小度生活
首页
美食营养
游戏数码
手工爱好
生活家居
健康养生
运动户外
职场理财
情感交际
母婴教育
时尚美容
知识问答
生活知识
搜索
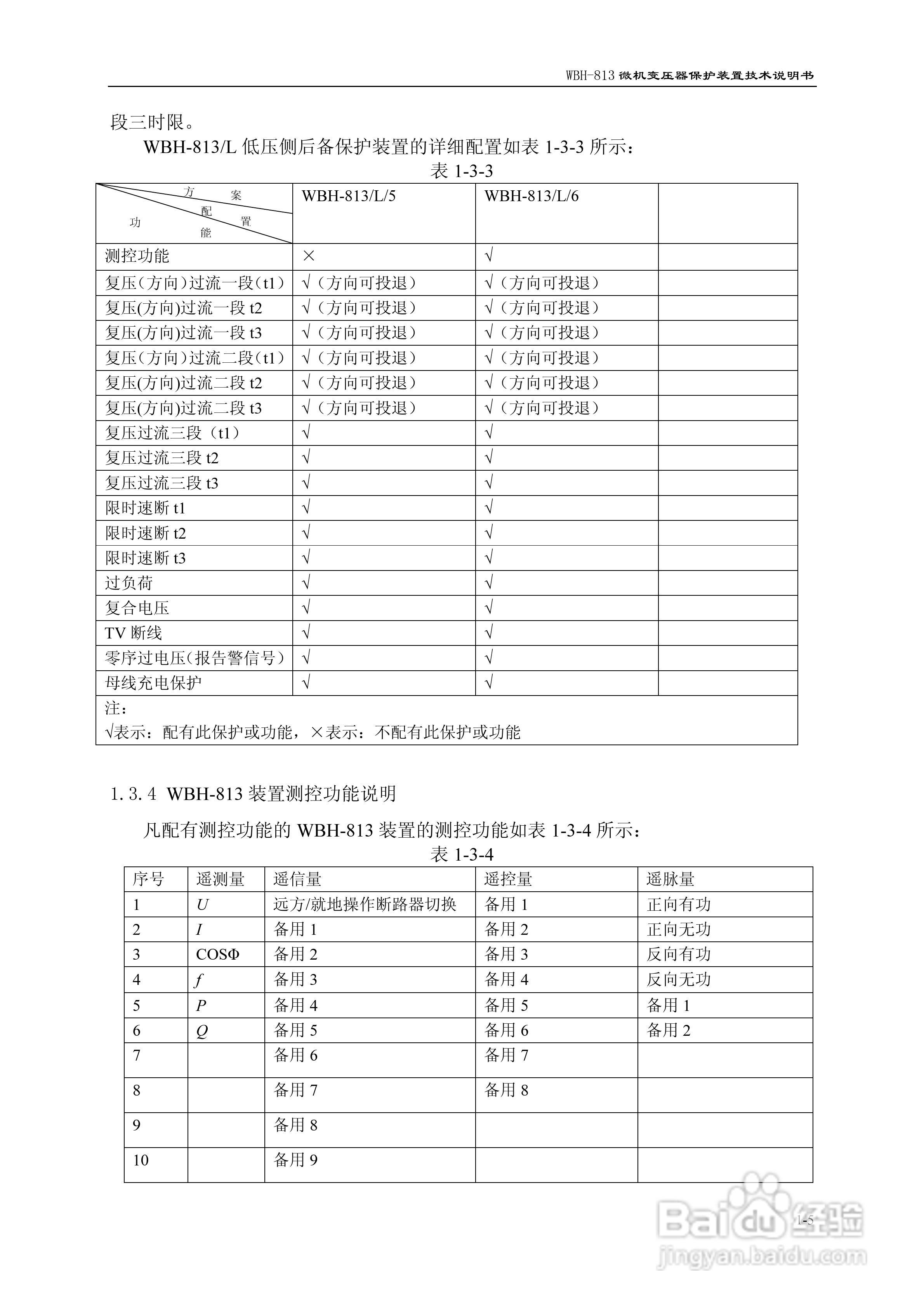
许继WBH-813微机变压器保护装置技术说明书:[1]
2026-02-03 11:37:51
本篇为《许继WBH-813微机变压器保护装置技术说明书》,主要介绍该产品的使用方法以及常见故障解决方案。
(共篇)
下一篇:
声明:
本网站引用、摘录或转载内容仅供网站访问者交流或参考,不代表本站立场,如存在版权或非法内容,请联系站长删除,联系邮箱:site.kefu@qq.com。
相关推荐
许继WBH-813微机变压器保护装置技术说明书:[2]
阅读量:29
许继WBH-813微机变压器保护装置技术说明书:[5]
阅读量:87
许继WBH-813微机变压器保护装置技术说明书:[3]
阅读量:177
许继WBH-813微机变压器保护装置技术说明书:[6]
阅读量:23
许继WBH-813微机变压器保护装置技术说明书:[4]
阅读量:25
猜你喜欢
东营有什么好玩的地方
梦魇是什么意思
过渡句是什么意思
什么动物最爱贴在墙上
jd是什么意思
国家助学金什么时候发放
鱼米之乡指什么地方
minded什么意思
婴儿什么时候用枕头
徘徊是什么意思
猜你喜欢
争先恐后的意思
交公粮是什么意思
js是什么意思
妊娠纹什么时候长
什么电脑玩游戏最好
梦见下雪是什么意思
uk是什么意思
现在什么手机比较好
瓜田李下是什么意思
车水马龙的意思解释