小度生活
首页
美食营养
手工爱好
生活家居
返回
小度生活
首页
美食营养
游戏数码
手工爱好
生活家居
健康养生
运动户外
职场理财
情感交际
母婴教育
时尚美容
知识问答
生活知识
生活百科
搜索
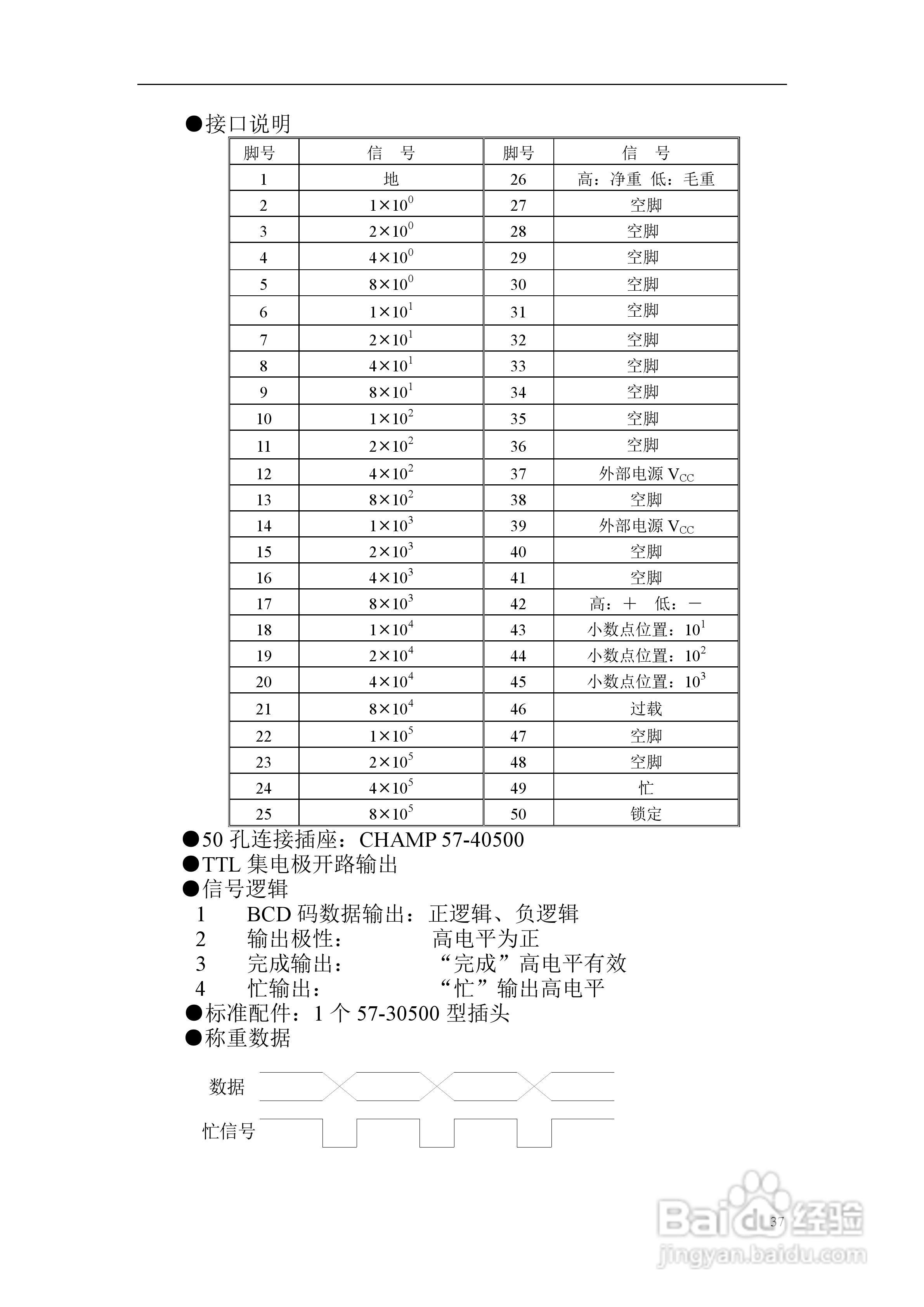
凯士CI-5500A称重控制器使用说明书:[4]
2026-04-16 15:14:40
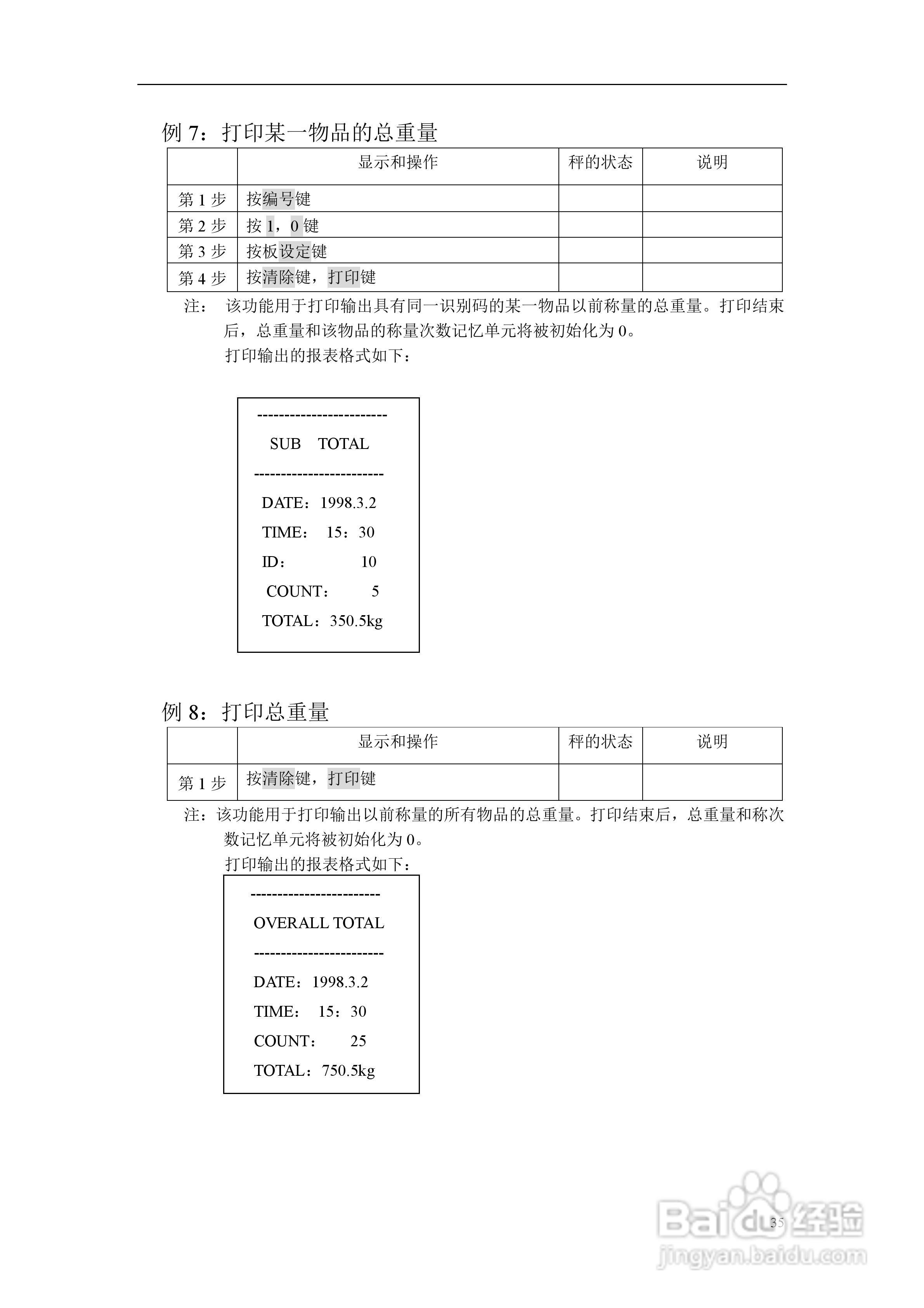
本篇为《凯士CI-5500A称重控制器使用说明书》,主要介绍该产品的使用方法以及常见故障解决方案。
(共篇)
上一篇:
|
下一篇:
声明:
本网站引用、摘录或转载内容仅供网站访问者交流或参考,不代表本站立场,如存在版权或非法内容,请联系站长删除,联系邮箱:site.kefu@qq.com。
相关推荐
公斤称怎样调成市斤称
阅读量:100
永祥电子秤公斤调市斤方法
阅读量:184
家用电子秤不准怎么调
阅读量:97
怎么调电子秤的精准度
阅读量:180
电子秤10元3斤怎么按
阅读量:78
猜你喜欢
移动的宽带怎么样
邓丽君你怎么说
五邑大学怎么样
马桶圈怎么套
为什么会感冒
孩子不上学怎么办
宝宝感冒吃什么药
考研成绩怎么查询
男孩子的发型
双眼皮贴怎么剪
猜你喜欢
20款小公主发型扎法
嫌弃的近义词
怎么看电脑多少位
脸上的红血丝怎么消除
熟练的近义词
大便有血是怎么回事
夏普电视机怎么样
长脸短发发型
盘发发型
公务员考试常识