小度生活
首页
美食营养
手工爱好
生活家居
返回
小度生活
首页
美食营养
游戏数码
手工爱好
生活家居
健康养生
运动户外
职场理财
情感交际
母婴教育
时尚美容
知识问答
生活知识
搜索
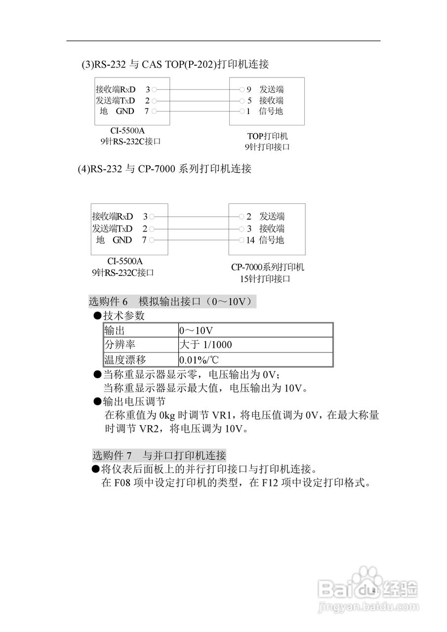
凯士CI-5500A称重控制器使用说明书:[5]
2026-01-13 12:46:58
本篇为《凯士CI-5500A称重控制器使用说明书》,主要介绍该产品的使用方法以及常见故障解决方案。
(共篇)
上一篇:
声明:
本网站引用、摘录或转载内容仅供网站访问者交流或参考,不代表本站立场,如存在版权或非法内容,请联系站长删除,联系邮箱:site.kefu@qq.com。
相关推荐
凯士CI-5500A称重控制器使用说明书:[3]
阅读量:169
福禄克5500A校准器使用手册:[5]
阅读量:133
商品类别管理CI
阅读量:28
使用说明书封面怎么做
阅读量:134
使用说明书wf2651使用指南
阅读量:145
猜你喜欢
个人所得税如何退税
爱是怎么一回事
欧舒丹怎么样
眉山旅游景点大全
如何做炒面
新耳机如何煲机
怎么屏幕截图
探路者怎么样
如何写借条
如何吐烟圈
猜你喜欢
ps怎么把两张图片合成一张
脸上皱纹怎么办
口香糖粘在衣物上如何弄掉
元大都遗址位于现在的哪里
玻璃门地弹簧怎么调
宝宝满月怎么发朋友圈
怎么显示文件的扩展名
微信朋友圈访客记录怎么看
大人发烧37.5度怎么办
如何训练狗狗