小度生活
首页
美食营养
手工爱好
生活家居
返回
小度生活
首页
美食营养
游戏数码
手工爱好
生活家居
健康养生
运动户外
职场理财
情感交际
母婴教育
时尚美容
知识问答
生活知识
生活百科
搜索
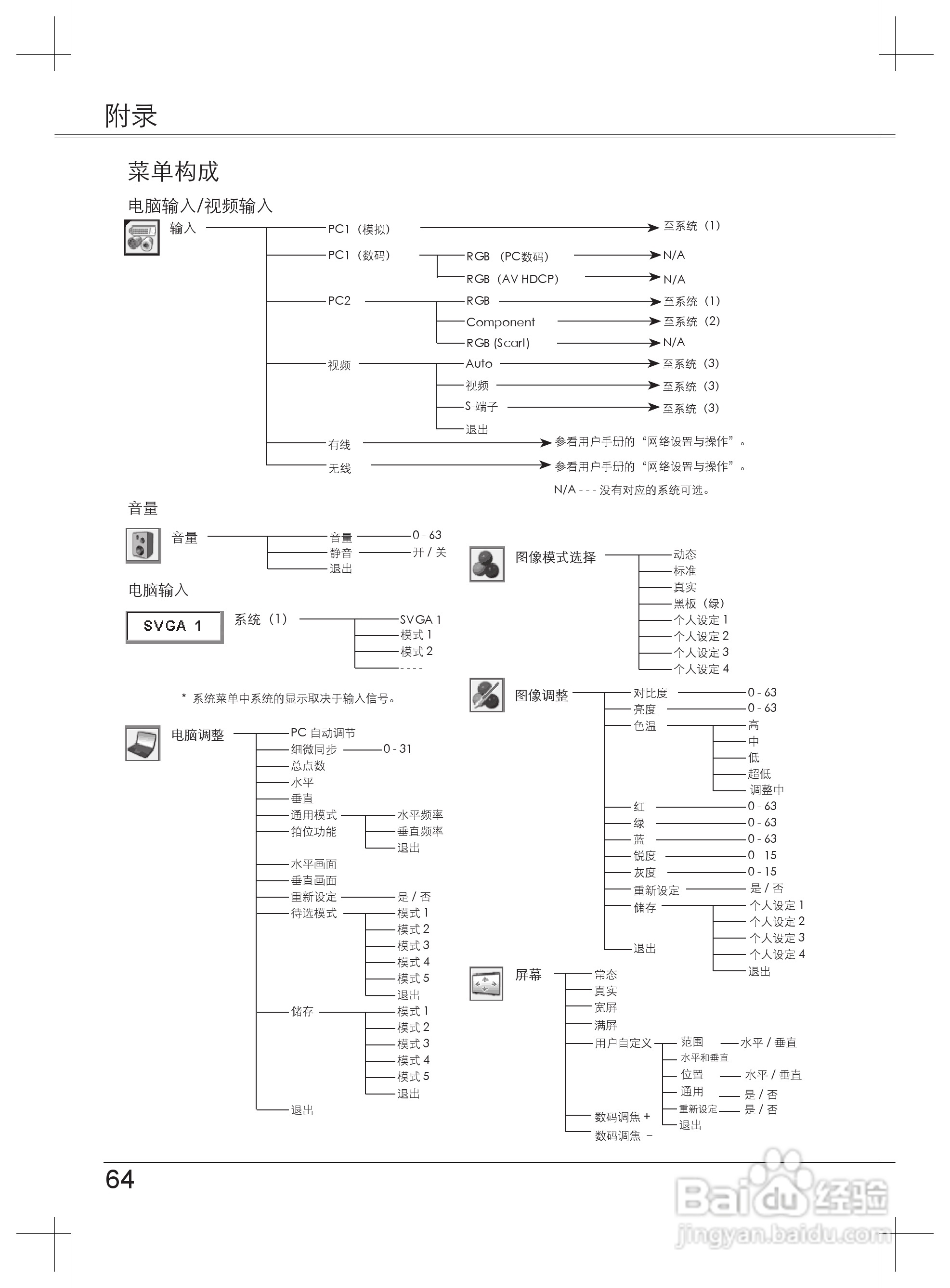
EIKI爱其 LC-XB33NI投影机说明书:[7]
2026-04-30 08:09:33
本篇为《EIKI爱其 LC-XB33NI投影机说明书》,主要介绍该产品的使用方法以及常见故障解决方案。
(共篇)
上一篇:
|
下一篇:
声明:
本网站引用、摘录或转载内容仅供网站访问者交流或参考,不代表本站立场,如存在版权或非法内容,请联系站长删除,联系邮箱:site.kefu@qq.com。
相关推荐
EIKI爱其 LC-XB33NI投影机说明书:[8]
阅读量:30
EIKI爱其 LC-XB33NI投影机说明书:[4]
阅读量:38
EIKI爱其 LC-XB23I投影机说明书:[7]
阅读量:164
EIKI爱其 LC-X80说明书:[7]
阅读量:118
投影机怎样连接使用
阅读量:117
猜你喜欢
艾瑞泽7怎么样
油烟机上的油垢怎么快速清洗
孕期感冒怎么办
万和燃气热水器怎么样
怎么看别人的qq空间
我的世界围栏怎么做
奔腾b70口碑怎么样
小孩吓着了怎么叫魂
武装原型怎么双人
婴儿感冒鼻塞怎么办
猜你喜欢
怎么瘦大腿跟臀部
广汽传祺gs8怎么样
手机垃圾怎么清理
玉怎么分好坏
腰椎管狭窄怎么治疗
自行车变速器怎么用
牛肉饺子馅怎么调
婴儿上火怎么办
五行缺金怎么办
邮件签名怎么设置