小度生活
首页
美食营养
手工爱好
生活家居
返回
小度生活
首页
美食营养
游戏数码
手工爱好
生活家居
健康养生
运动户外
职场理财
情感交际
母婴教育
时尚美容
知识问答
生活知识
生活百科
搜索
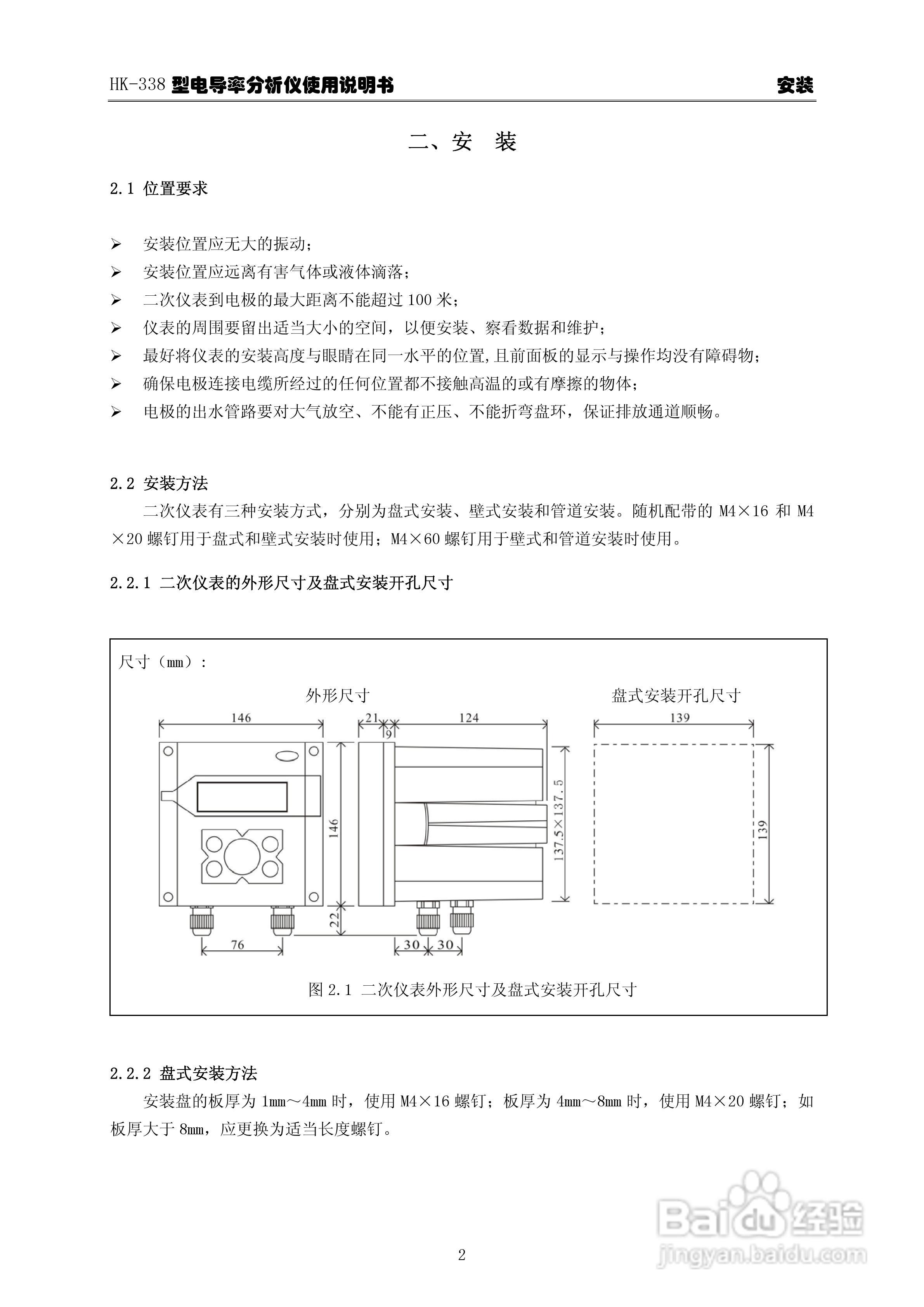
华科仪HK-338型电导率分析仪3.0使用说明书v31:[1]
2026-03-29 19:22:08
本篇为《华科仪HK-338型电导率分析仪3.0使用说明书v31》,主要介绍该产品的使用方法以及常见故障解决方案。
(共篇)
下一篇:
声明:
本网站引用、摘录或转载内容仅供网站访问者交流或参考,不代表本站立场,如存在版权或非法内容,请联系站长删除,联系邮箱:site.kefu@qq.com。
相关推荐
王牌战士据点占领玩法详解与怎么获胜
阅读量:108
lols8奥恩新版符文天赋怎么选择?
阅读量:35
上单肉装薇恩玩法详解
阅读量:174
斗鱼加好友怎么设置问答
阅读量:123
LOL英雄联盟S6女警怎么出装,新版女警怎么出装
阅读量:65
猜你喜欢
lof基金是什么意思
wisdom是什么意思
厨房刀具什么牌子好
光年的意思
awful是什么意思
背诵的意思
什么是秋天的第一杯奶茶
kp是指什么
墓志铭是什么意思
tph是什么意思
猜你喜欢
看病人什么时间好
日新月异是什么意思
迎刃而解是什么意思
抛砖引玉是什么意思
height是什么意思
关联qq号什么意思
石敢当是什么意思
melon是什么意思
结婚祝福语大全简短
双桶洗衣机什么牌子好