小度生活
首页
美食营养
手工爱好
生活家居
返回
小度生活
首页
美食营养
游戏数码
手工爱好
生活家居
健康养生
运动户外
职场理财
情感交际
母婴教育
时尚美容
知识问答
生活知识
搜索
艾特电子OMS-410/420电梯载荷测量装置使用手册:[1]
2026-01-25 21:48:44
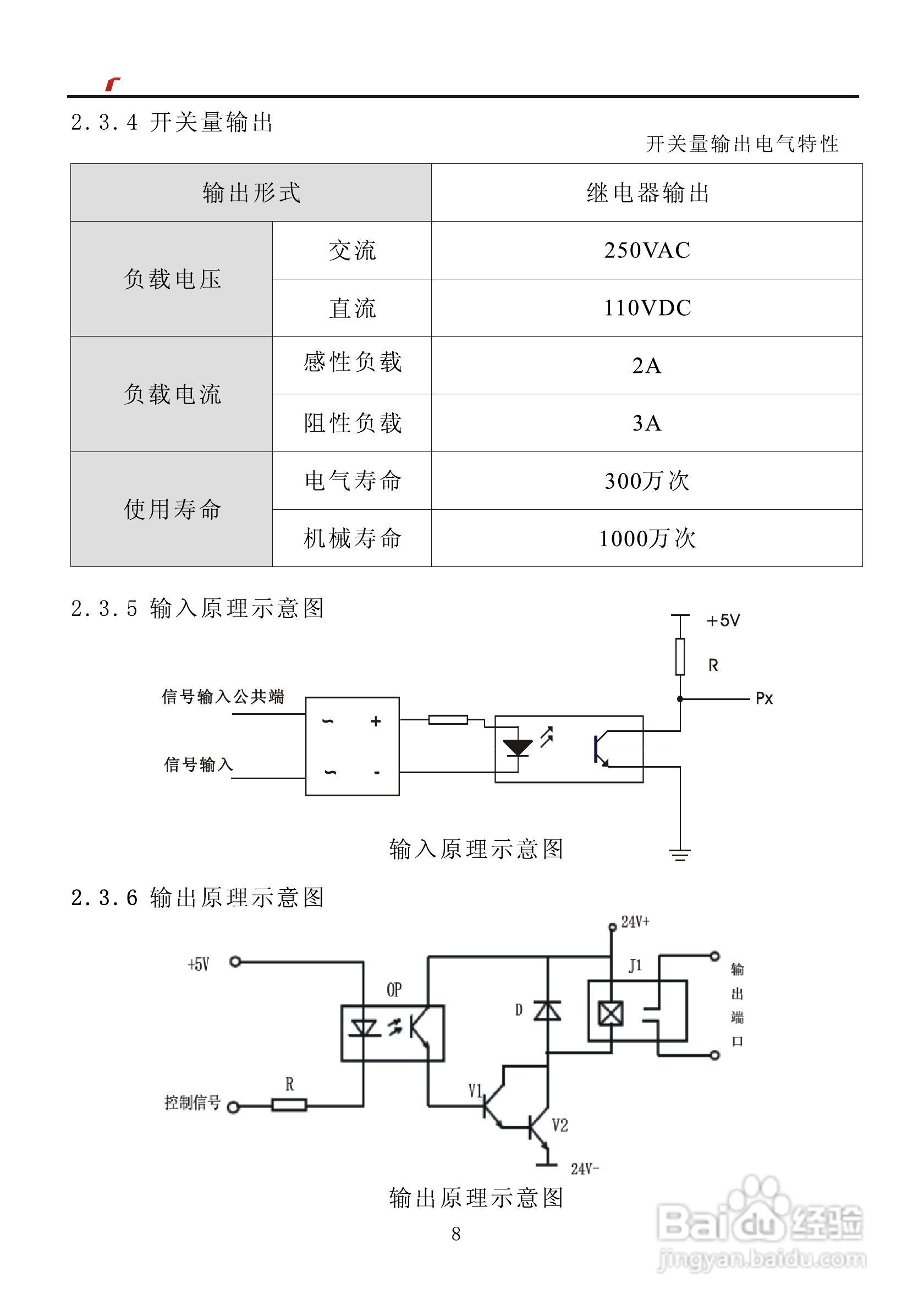
本篇为《艾特电子OMS-410/420电梯载荷测量装置使用手册》,主要介绍该产品的使用方法以及常见故障解决方案。
(共篇)
下一篇:
声明:
本网站引用、摘录或转载内容仅供网站访问者交流或参考,不代表本站立场,如存在版权或非法内容,请联系站长删除,联系邮箱:site.kefu@qq.com。
相关推荐
艾特电子OMS-410/420电梯载荷测量装置使用手册:[2]
阅读量:132
艾特电子OMS-730电梯载荷测量装置使用手册:[1]
阅读量:104
艾特电子OMS-620电梯载荷测量装置使用手册:[1]
阅读量:138
艾特电子OMS-560电梯载荷测量装置使用手册:[1]
阅读量:82
艾特路由器怎么设置端口映射
阅读量:104
猜你喜欢
送老人家什么礼物好
马赛克是什么意思
钱包用什么颜色招财
有什么综艺节目好看
什么净水器牌子好
祝福老师的成语
四十不惑是什么意思
exchange是什么意思
feature是什么意思
35岁女人学什么技术
猜你喜欢
教师节送什么鲜花好
猥亵的意思
气息奄奄的意思
什么手机铃声最好听
lz是什么意思
upset是什么意思
欧珀莱适合什么年龄
盘他是什么意思
手机收藏夹在什么位置
东道主是什么意思