小度生活
首页
美食营养
手工爱好
生活家居
返回
小度生活
首页
美食营养
游戏数码
手工爱好
生活家居
健康养生
运动户外
职场理财
情感交际
母婴教育
时尚美容
知识问答
生活知识
生活百科
搜索
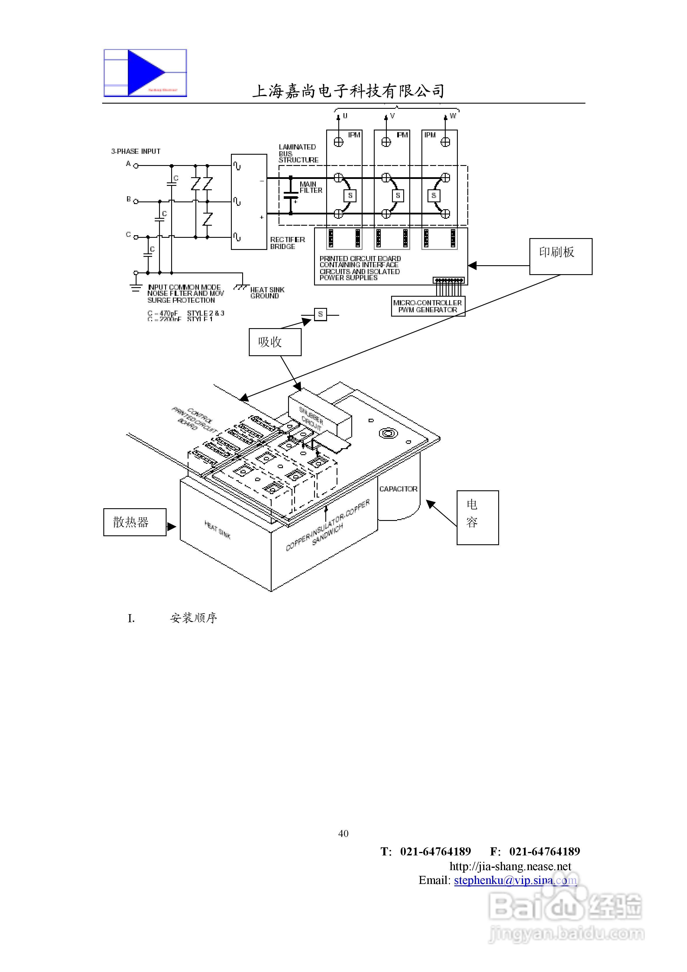
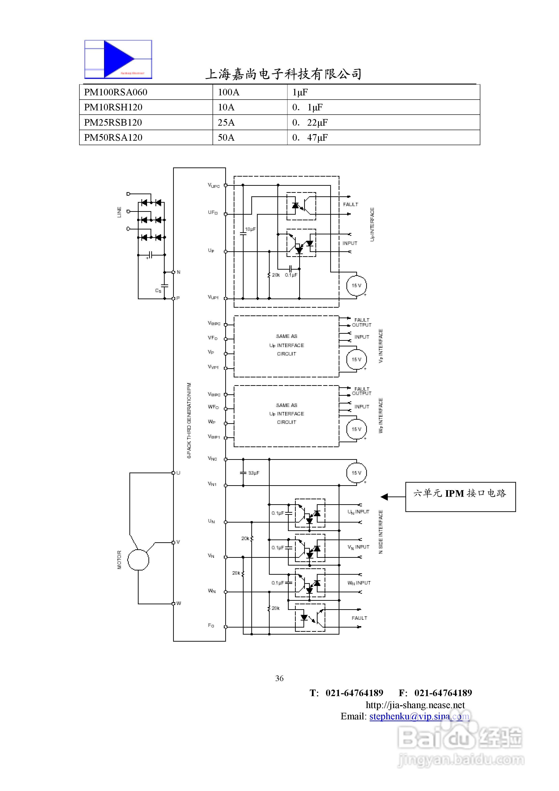
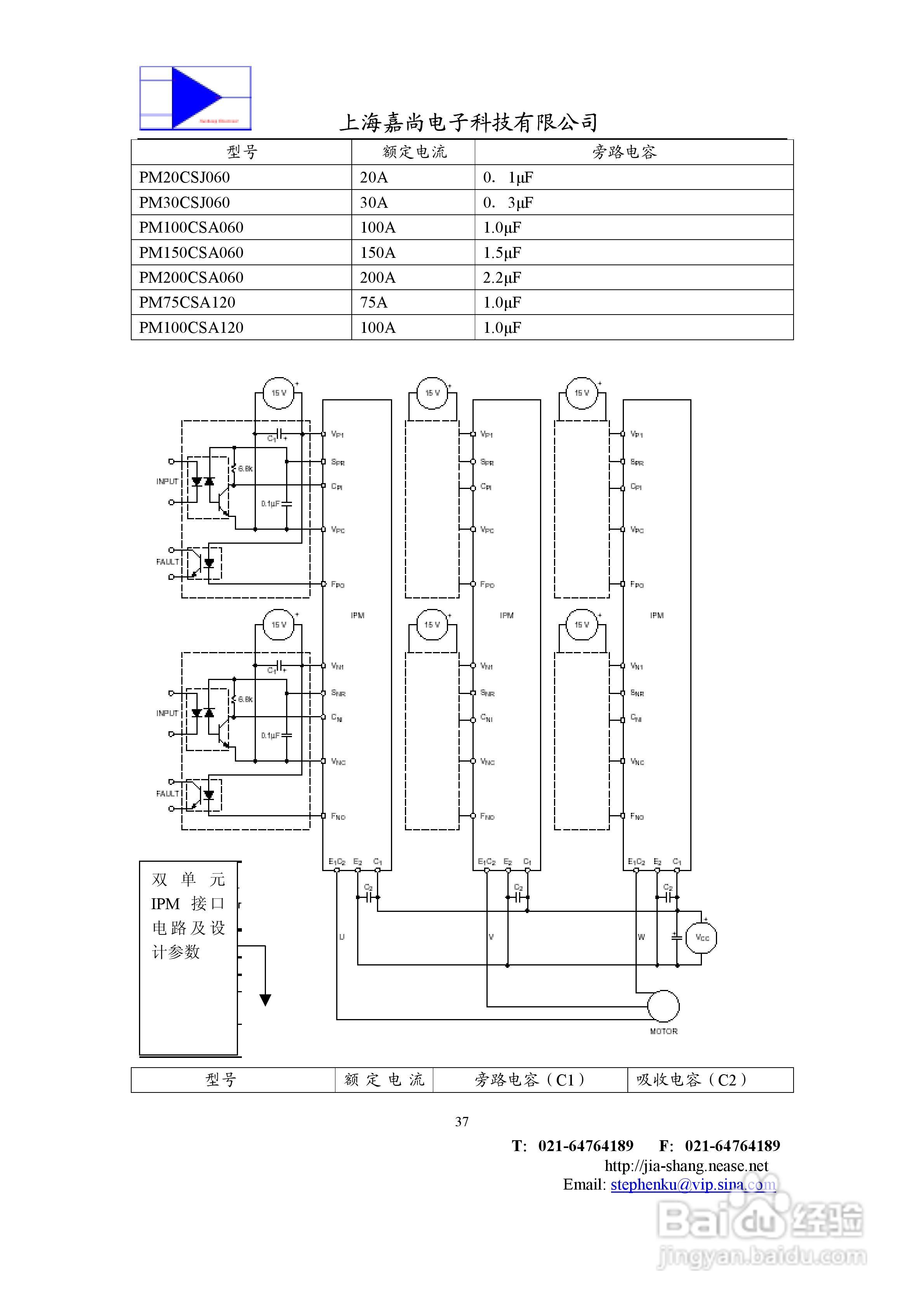
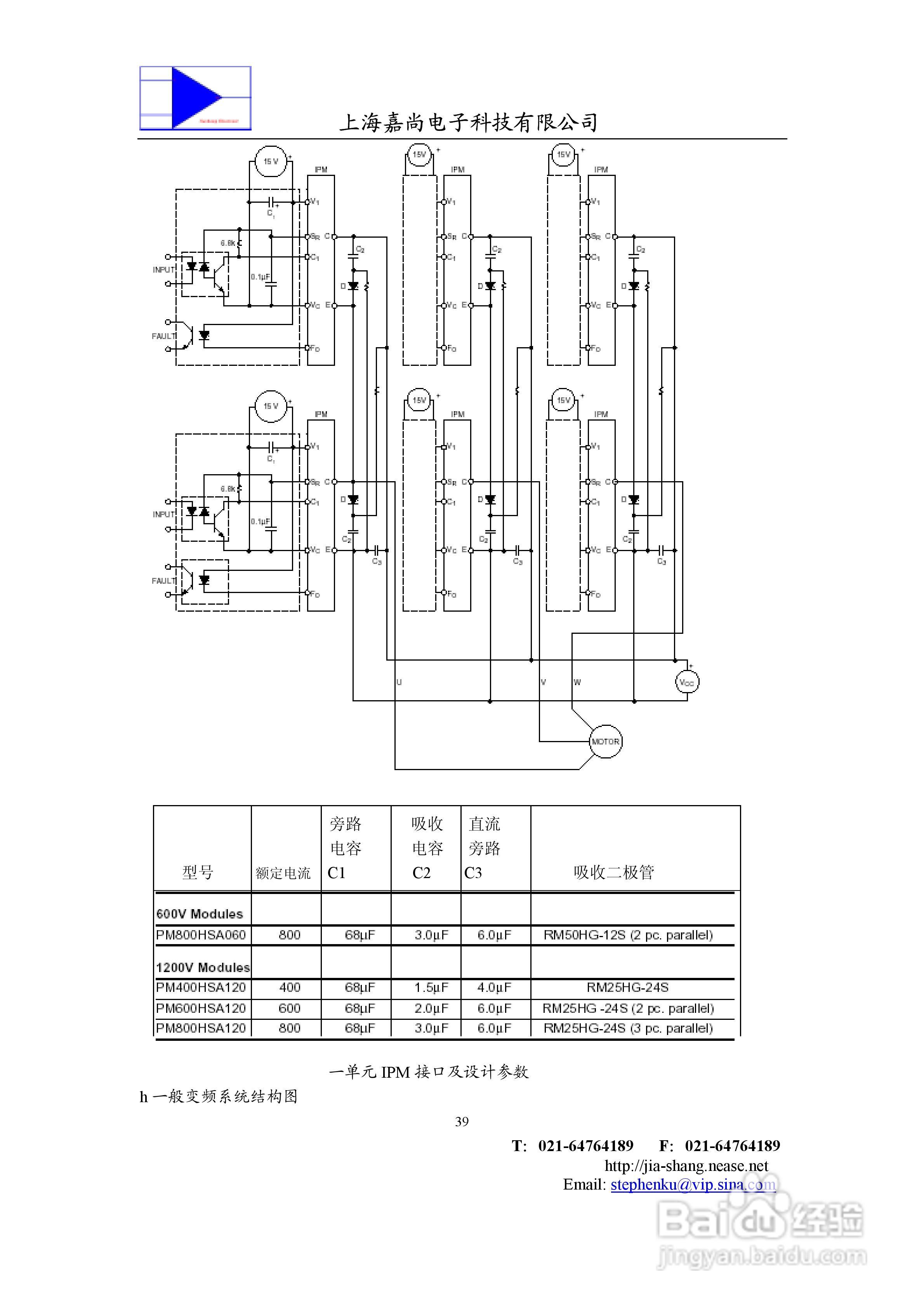
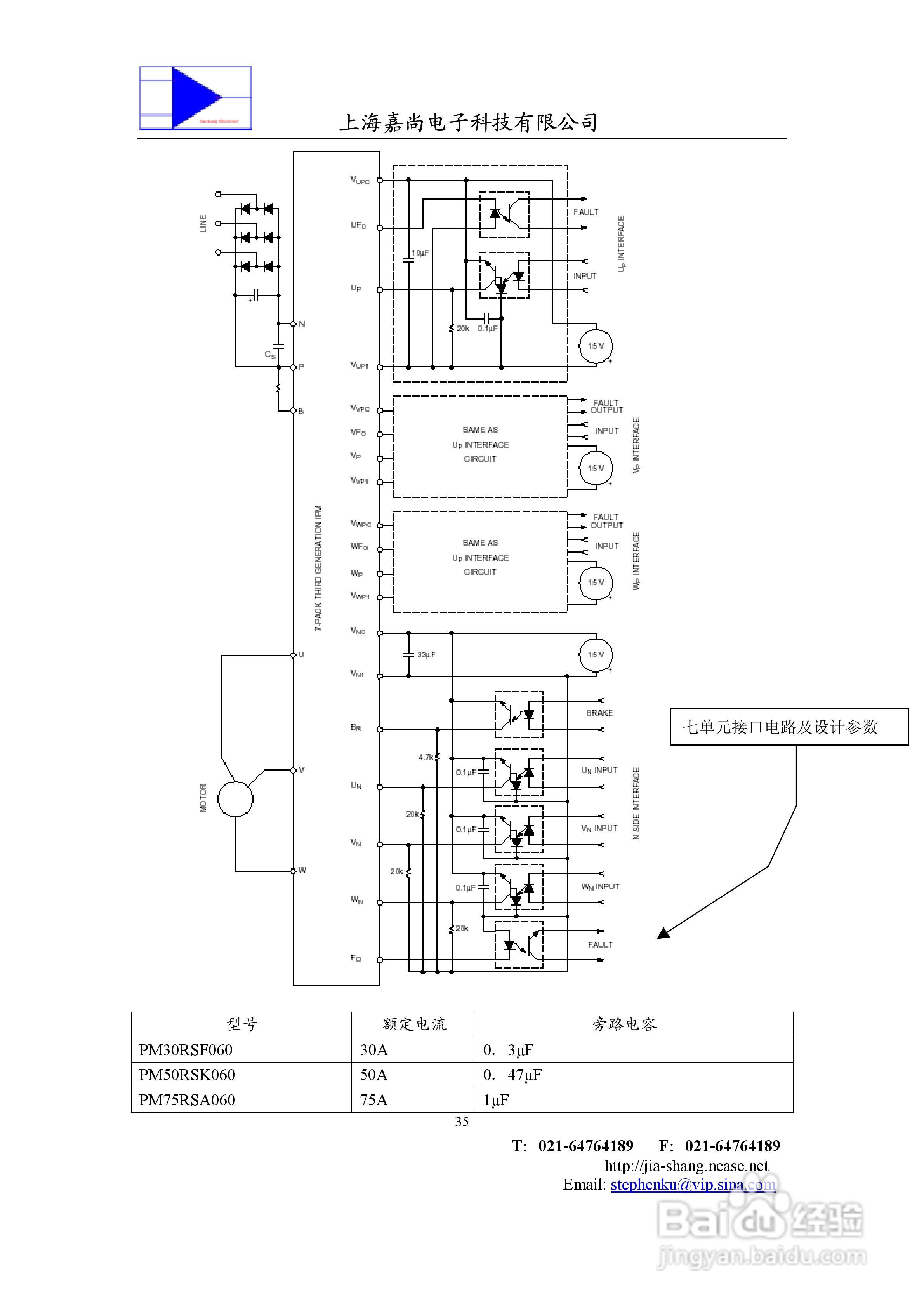
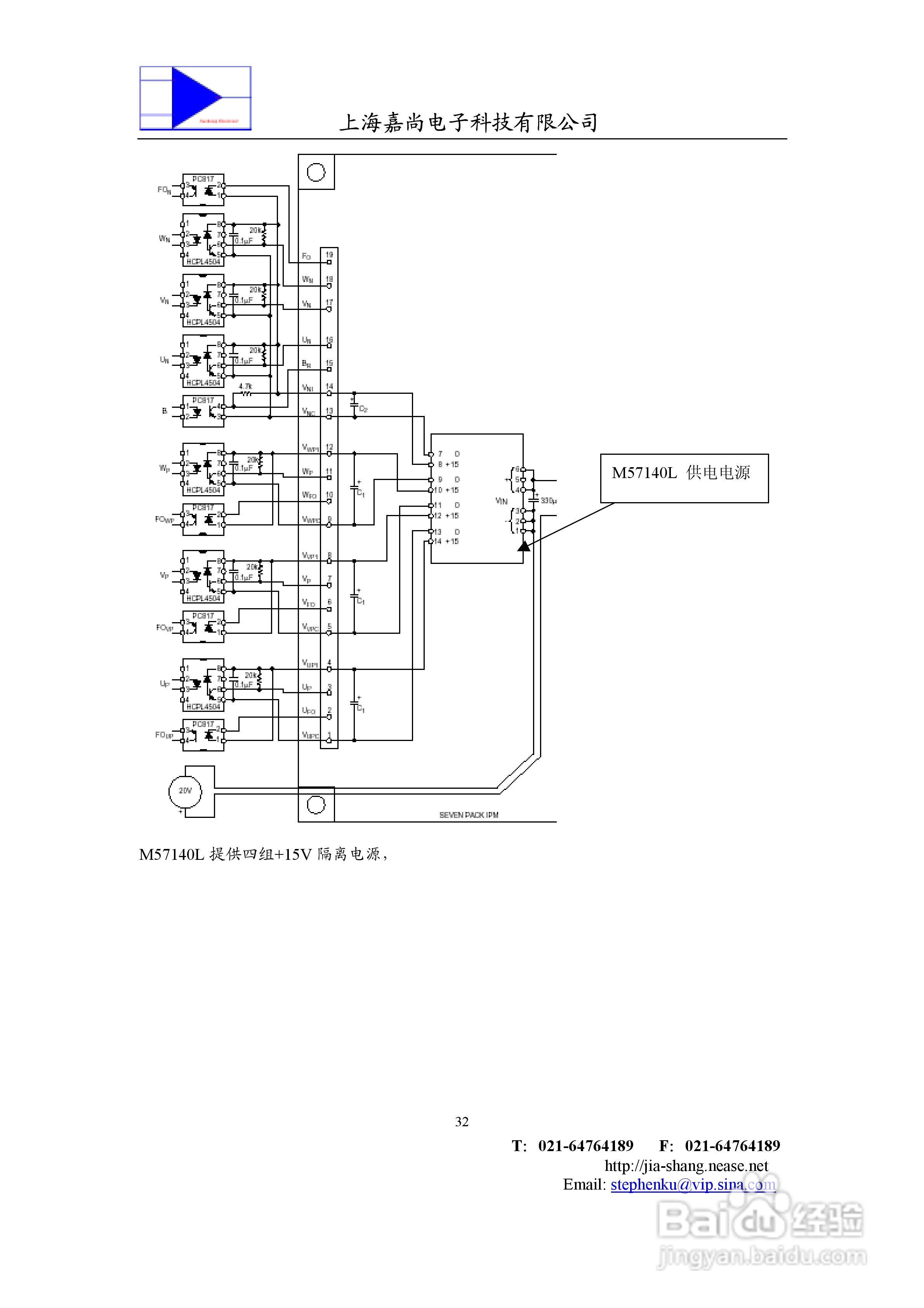
IPM智能功率模块使用手册:[4]
2026-04-22 05:28:20
本篇为《IPM智能功率模块使用手册》,主要介绍该产品的使用方法以及常见故障解决方案。
(共篇)
上一篇:
声明:
本网站引用、摘录或转载内容仅供网站访问者交流或参考,不代表本站立场,如存在版权或非法内容,请联系站长删除,联系邮箱:site.kefu@qq.com。
相关推荐
Abba导轨滑块装置步调的四大步骤
阅读量:99
在画图中绘制绿色左箭头的方法
阅读量:119
怎样选择行星减速机
阅读量:185
ansys 电磁单元例子:[1]plane53
阅读量:20
五种常见压力传感器的工作原理及使用方法
阅读量:188
猜你喜欢
胆结石最佳治疗方法
手链的编法大全
罗非鱼怎么做好吃
瓣怎么组词
鱼怎么做才好吃
肛瘘怎么治
蒸肉的家常做法
洋白菜怎么做好吃
象形字图片大全
ie怎么卸载
猜你喜欢
脸上长痘痘怎么治疗
精囊炎的治疗方法
西安好吃的
防止脱发的最好方法
简历兴趣爱好怎么写
早期肠癌自检方法
心动过速的治疗方法
种子传播方法100种
脸部皮肤过敏怎么办
快手怎么发说说